KitchenAid Free Standing Electric Range YKERC507HW0 Timer Repair

What is the timer/clock part number for the KitchenAid YKERC507HW0 Free Standing Electric Range?

Timer part number 9753667CW for KitchenAid YKERC507HW0

The YKERC507HW0 Free Standing Electric Range uses timer part number 9753667CW.

Do you have a failed KitchenAid YKERC507HW0 control panel? Click here:

Request Appliance Timer Service

We can repair or replace your faulty KitchenAid YKERC507HW0 timer.

YKERC507HW0 are also sometimes referred to using these Alternative Names/Model numbers

Whirlpool YKERC507HW0 Free Standing Electric Range, YKERC507HS4, YKERC507HT3, YKERC507HS3, YKERC507HB4, YKERC507HB5, YKERC507HT4, YKERC507HW4, YKERC507HS5, YKERC507HW5, YKERC507HB3, YKERC507HW3, YKERC507HT5

YKERC507HW0 Schematic and Wiring Diagrams

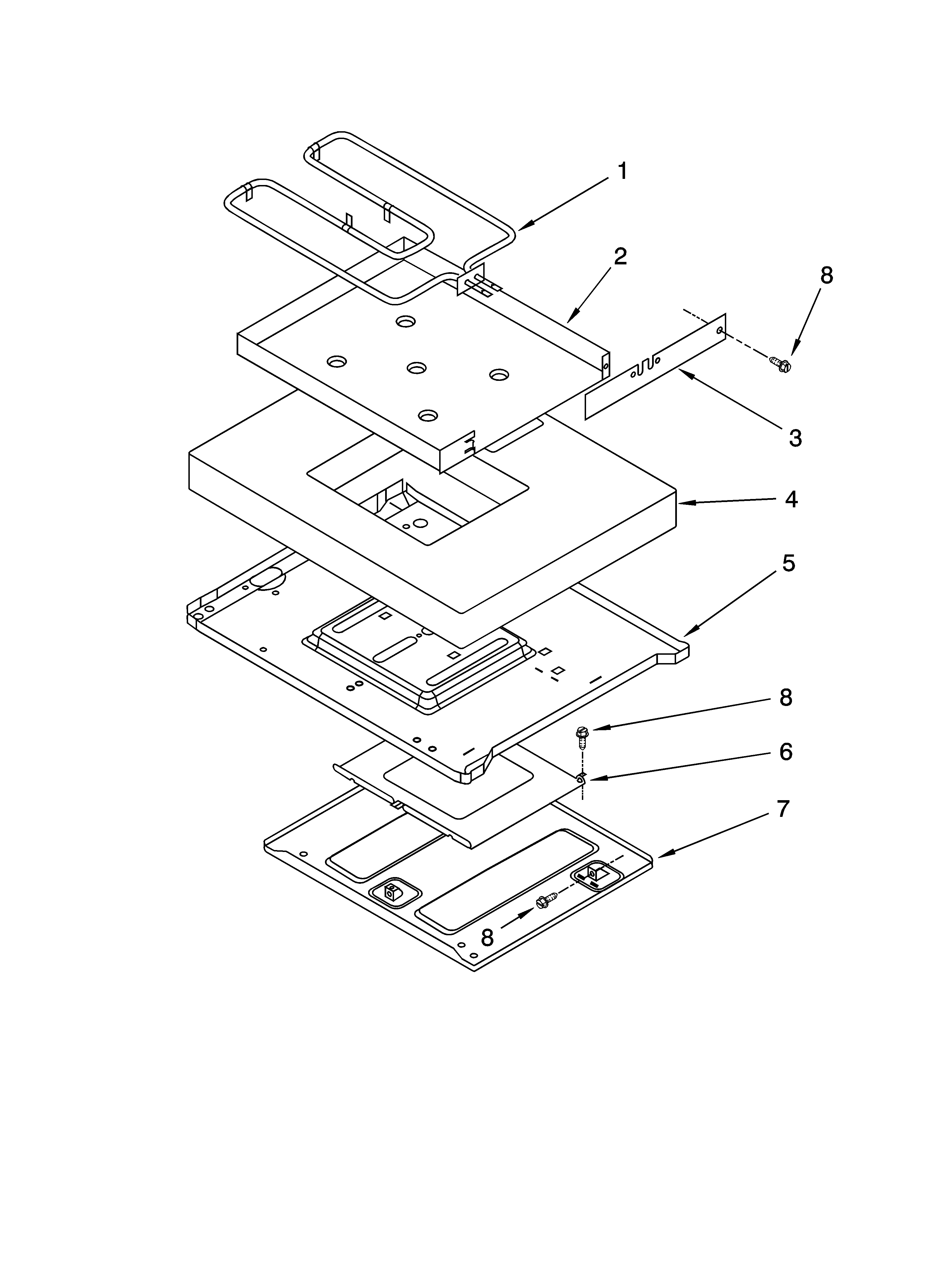
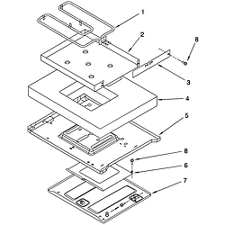
Cooktop Parts diagram
YKERC507HW0 Free Standing Electric Range Cooktop Parts diagram
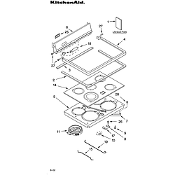
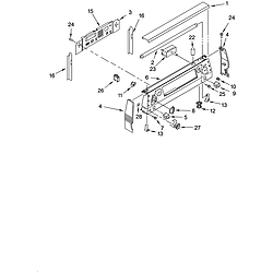
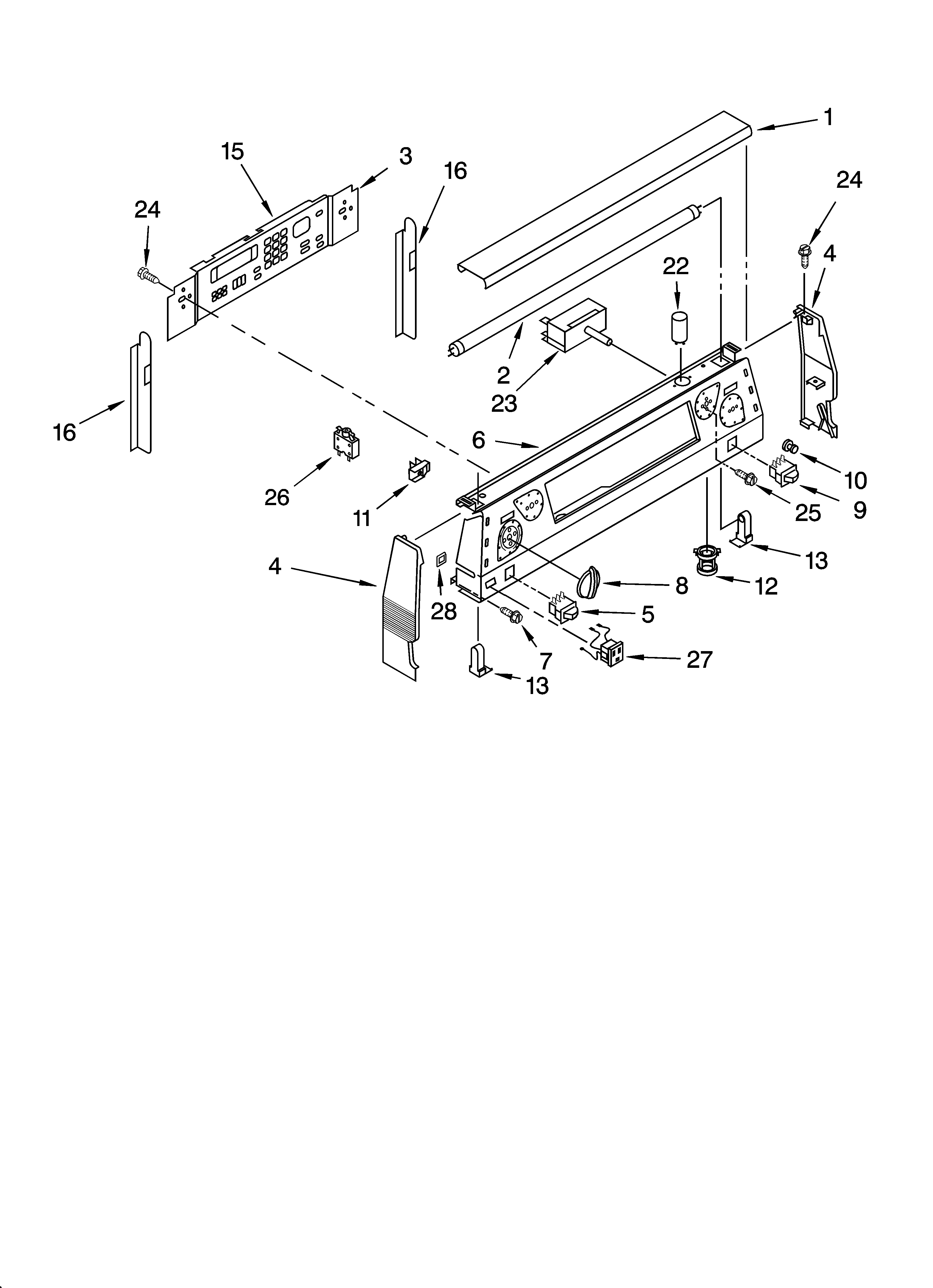
Control panel Parts diagram
YKERC507HW0 Free Standing Electric Range Control panel Parts diagram
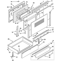
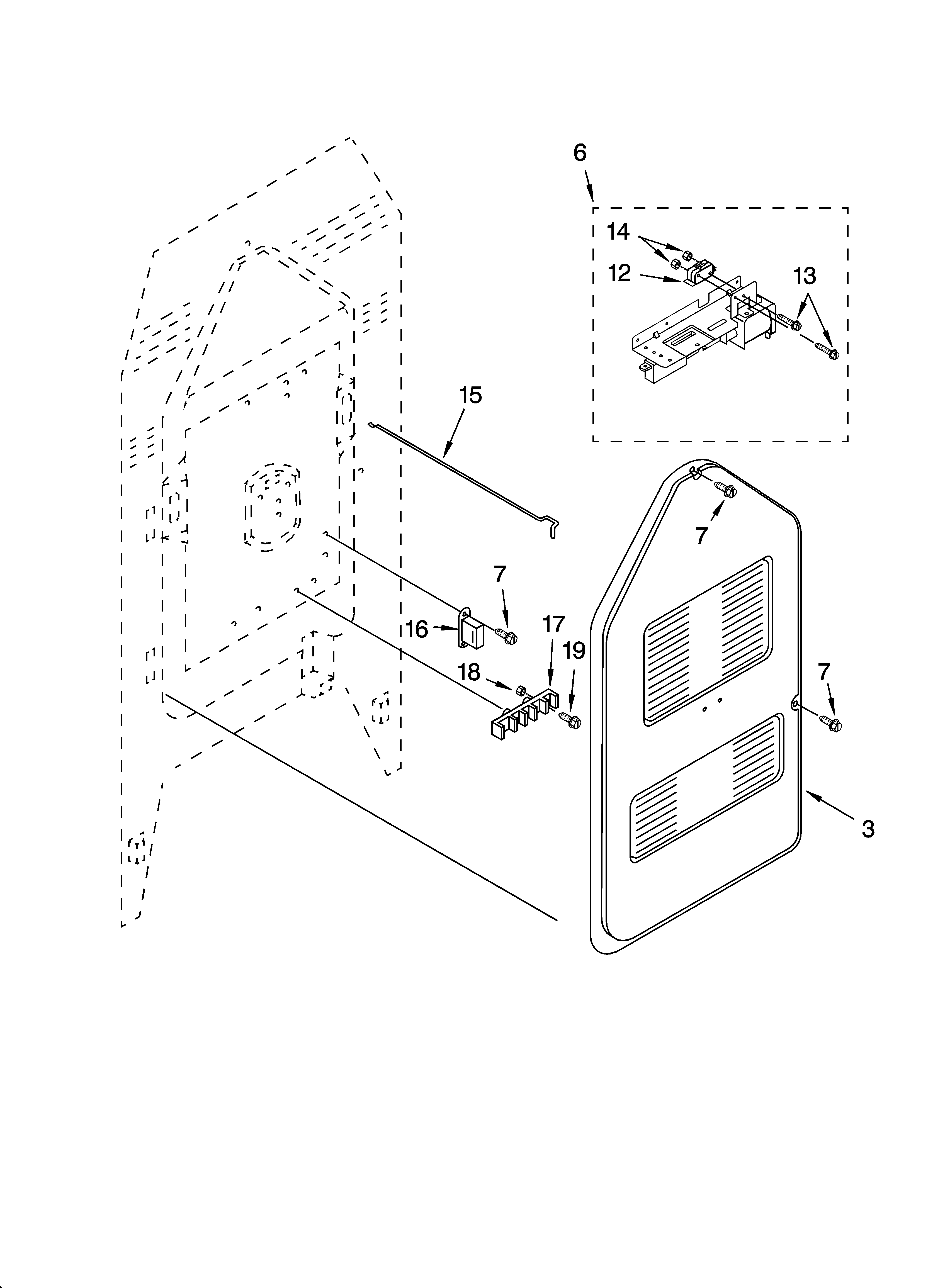
Door and drawer Parts diagram
YKERC507HW0 Free Standing Electric Range Door and drawer Parts diagram
Oven chassis Parts diagram
YKERC507HW0 Free Standing Electric Range Oven chassis Parts diagram
Oven Parts diagram
YKERC507HW0 Free Standing Electric Range Oven Parts diagram
Rear chassis Parts diagram
YKERC507HW0 Free Standing Electric Range Rear chassis Parts diagram
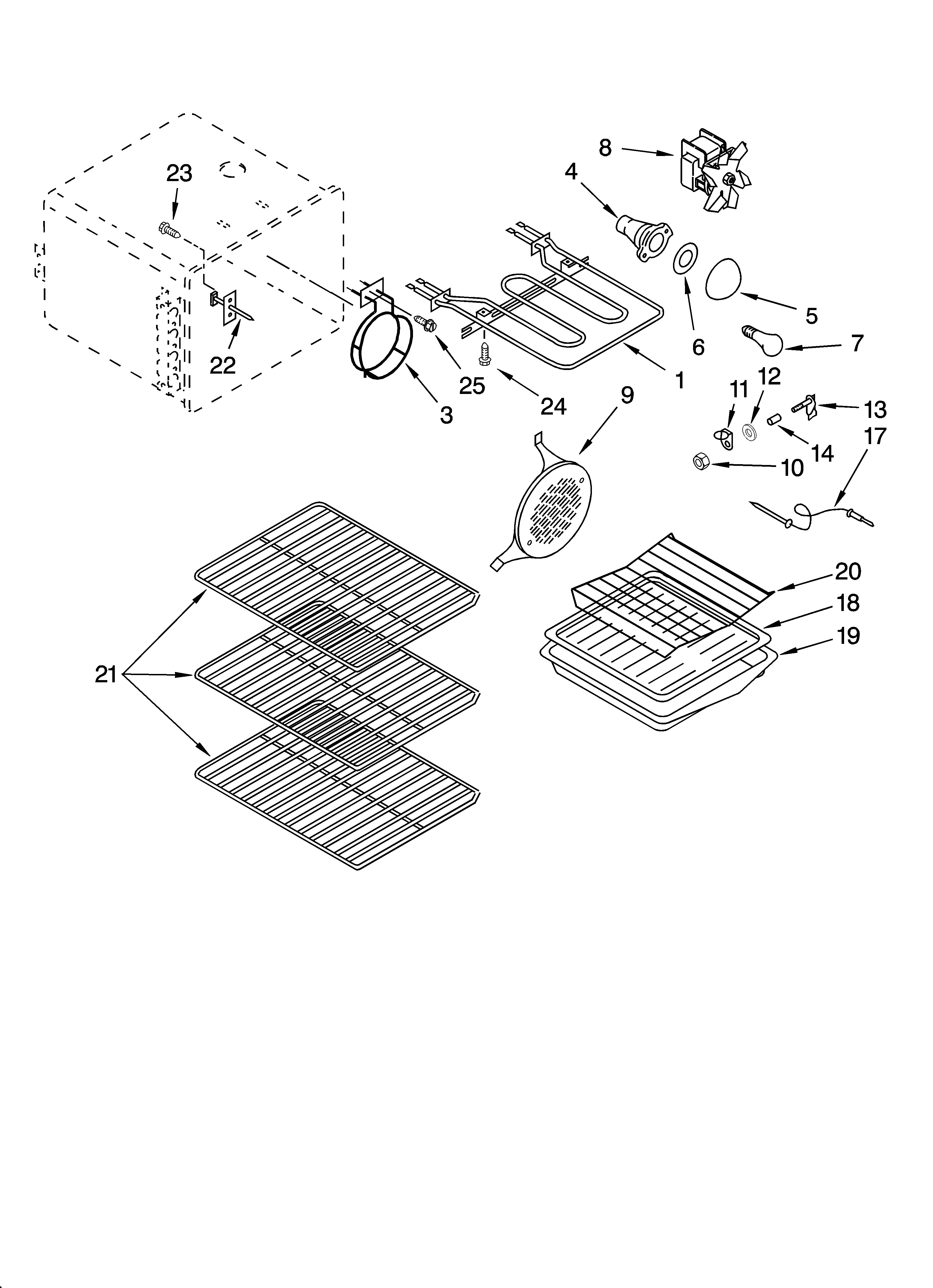
Hidden bake Parts diagram
YKERC507HW0 Free Standing Electric Range Hidden bake Parts diagram

Recent Service Requests

CityProblem DescriptionResolution
Kanata, OntarioThe display is dim and does not show the temperature setting.Beyond Repair
Kanata, OntarioDisplay is dim and does not show all the innformationBeyond Repair

Common problems for KitchenAid Free Standing Electric Range YKERC507HW0 Timer Repair

Are you encountering a similar problem as them? Contact us now and we will try to help you fix your YKERC507HW0 timer-related problem.
I have a Kitchenaid Electric oven Model Number YKERC507HW0, for no reason the display will dim then jump to PF. This could happen when we are cooking or when the oven is Idle. Any idea what could be causing this short of replacing the controler board? I have opened the Ovens Control Panel to verify contacts on Controller Board, all contacts are OK. Nothing looks buned. Please advise, Thanks in advance for any help