KitchenAid Free Standing Electric Range YKERC507HS4 Timer Repair

What is the timer/clock part number for the KitchenAid YKERC507HS4 Free Standing Electric Range?

Timer part number 8190681 for KitchenAid YKERC507HS4

The YKERC507HS4 Free Standing Electric Range uses timer part number 8190681.

Do you have a failed KitchenAid YKERC507HS4 control panel? Click here:

Request Appliance Timer Service

We can repair or replace your faulty KitchenAid YKERC507HS4 timer.

YKERC507HS4 are also sometimes referred to using these Alternative Names/Model numbers

Whirlpool YKERC507HS4 Free Standing Electric Range

YKERC507HS4 Schematic and Wiring Diagrams

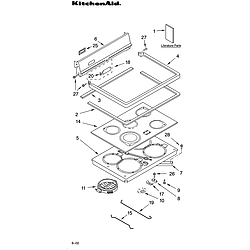
Cooktop Parts diagram
YKERC507HS4 Free Standing Electric Range Cooktop Parts diagram
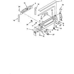
Control panel Parts diagram
YKERC507HS4 Free Standing Electric Range Control panel Parts diagram
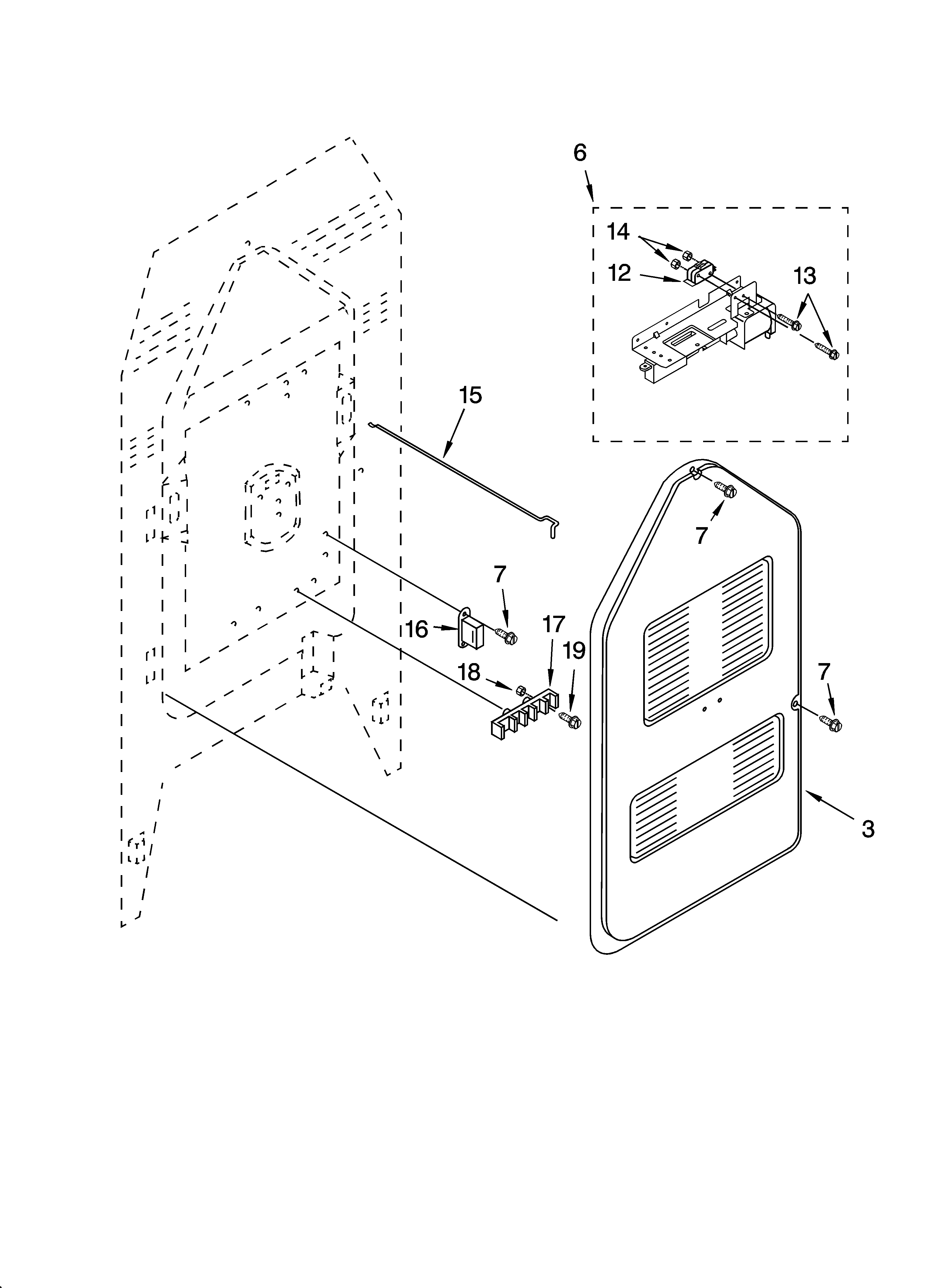
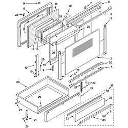
Door and drawer Parts diagram
YKERC507HS4 Free Standing Electric Range Door and drawer Parts diagram
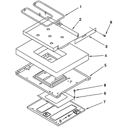
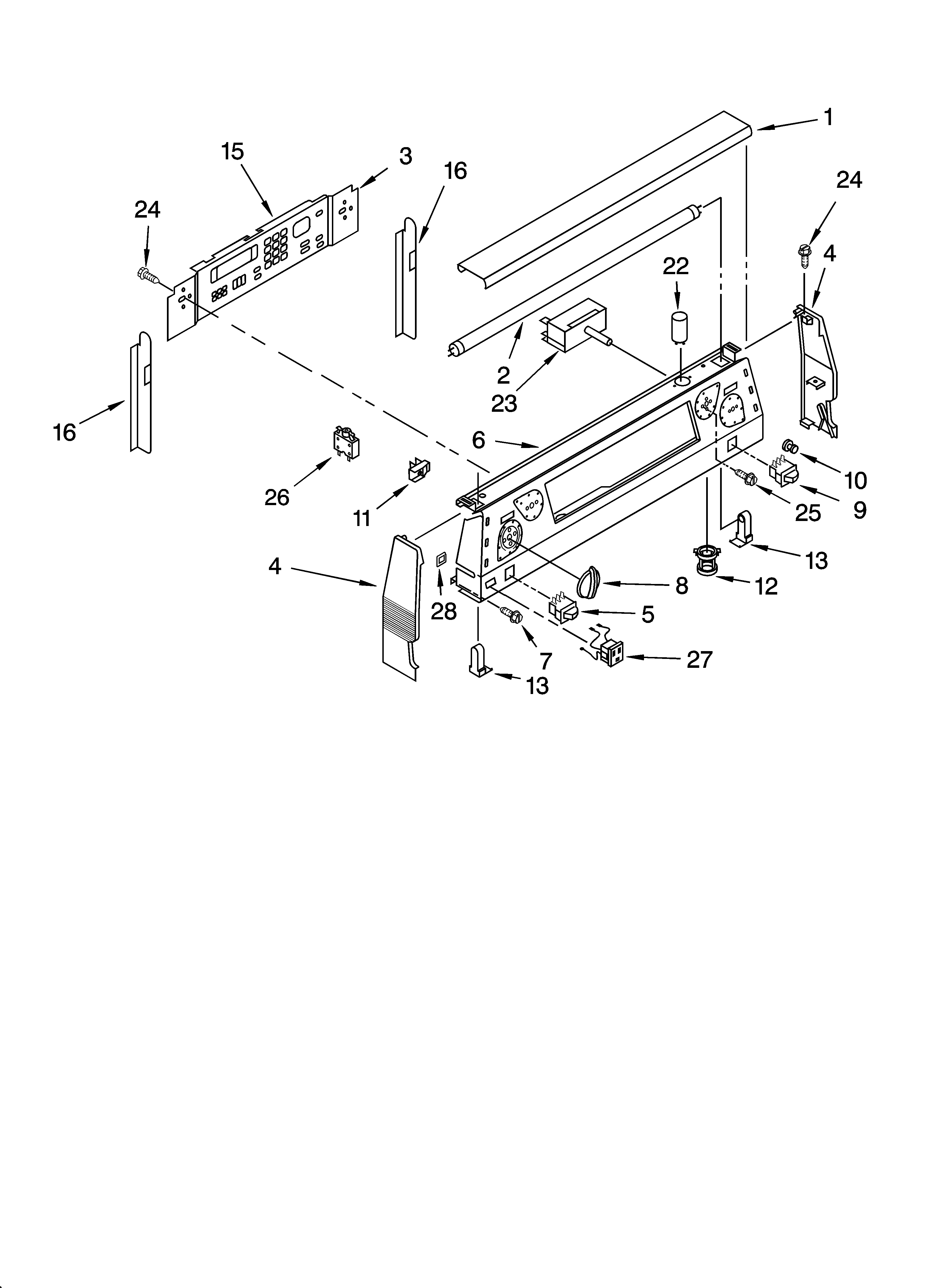
Oven chassis Parts diagram
YKERC507HS4 Free Standing Electric Range Oven chassis Parts diagram
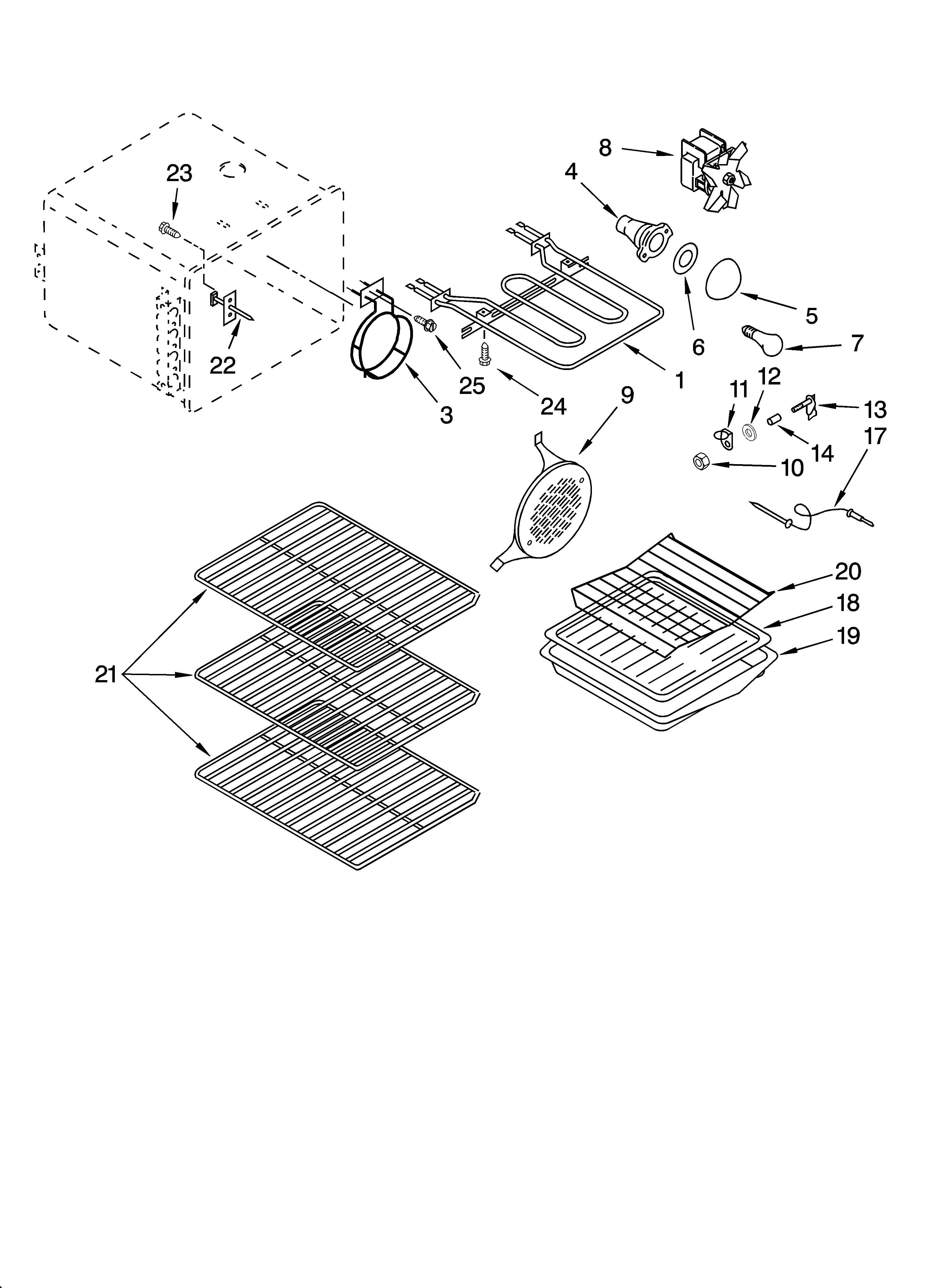
Oven Parts diagram
YKERC507HS4 Free Standing Electric Range Oven Parts diagram
Rear chassis Parts diagram
YKERC507HS4 Free Standing Electric Range Rear chassis Parts diagram
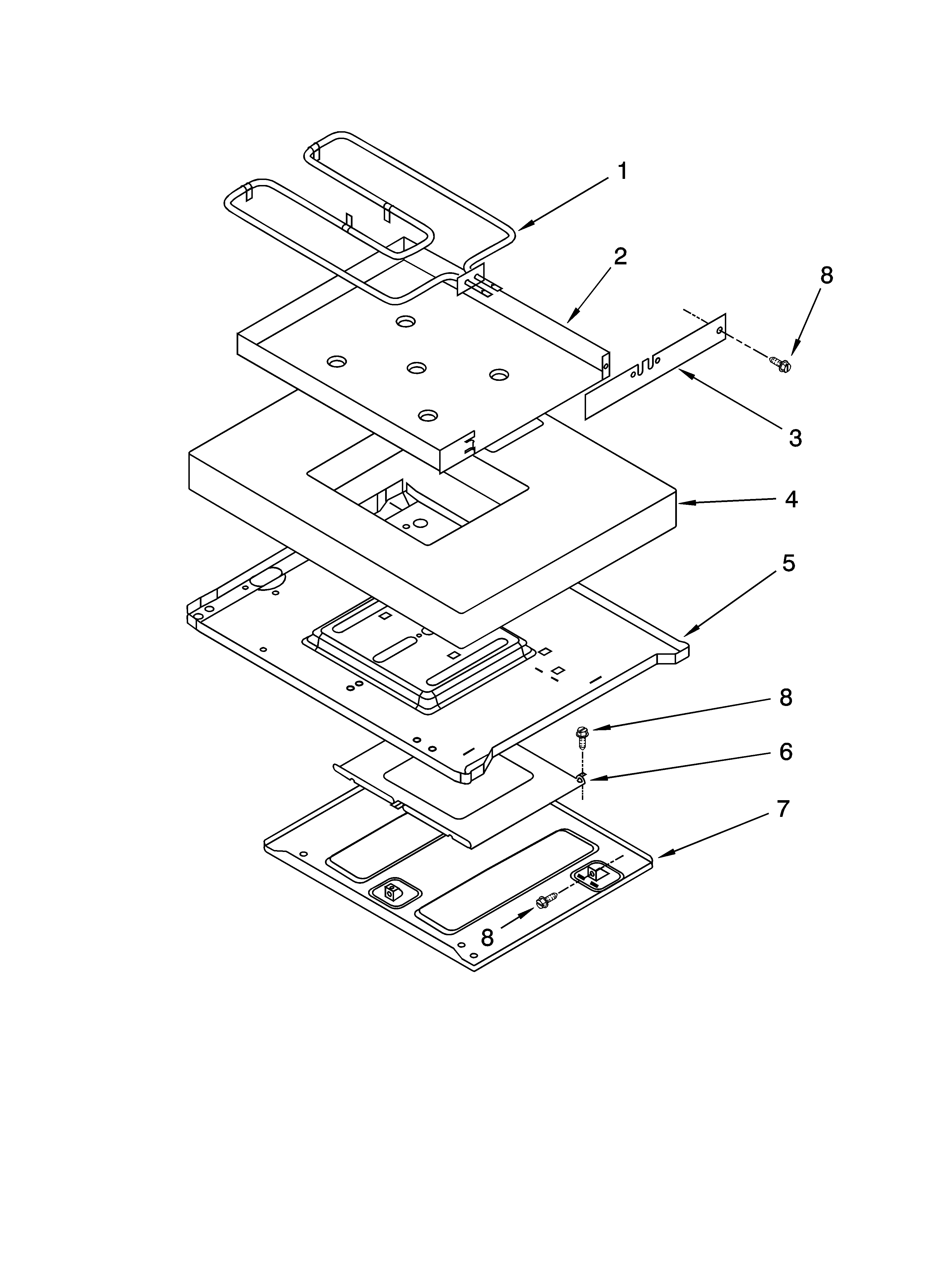
Hidden bake Parts diagram
YKERC507HS4 Free Standing Electric Range Hidden bake Parts diagram

Recent Service Requests

CityProblem DescriptionResolution
Saskatoon, SaskatchewanService Request Problem
Attn: Howard Simons
As part of the previous repair of the YKERC507HB2 an additional control panel was purchased and fried by the appliance repair person. It was operable before the electric shock. Please see if you can repair it along with the other control panel.
Beyond Repair
Barrie, OntarioWill not turn on when plugged in.Awaiting receipt of timer
Severn, OntarioHave been getting error code intermittently but not while in use for the last year but easily cleared by hitting cancel button. Yesterday while trying to use oven, code kept displaying and cancelling all operations of oven. When I tried to clear using cancel button and then restart oven, code would reappear and shut oven off.Awaiting receipt of timer
Gatineau, QuebecAfter temperature is attained after approximately 20 minutes the oven turns off and cannot be turned back on. After the cooling time the oven is able to be turned on.Repaired
Lethbridge, AlbertaLED Display normally does not light up. If oven controls are started, it will illuminate in a very dim "flashing" manner, just enough to see. In conjunction with this display problem, when the oven door is open the interior light will flash at the same time as the display!Repaired
Queensville, OntarioBake element failed, and was replaced. Oven now does not heat properly -shows 350 when actual temp is only 225 (measured with separate thermometer). Replaced oven sensor 8053344, still under heats. Only part left to change is control board (?) -discontinued.Awaiting receipt of timer
Lamont, AlbertaOven light bulb went 'pop' on burn-out. Must have induced static electricity as control panel went dead / completely dark. Burners are work. Circuit card has 115vac to it from rear of stove.Repaired
Edmonton, AlbertaThe appliance would have the probe light came on, initially intermittently but got more and more frequent. The last couple of weeks, it started getting the F4E1 error which would stop the oven. Had repairman came to check it, he inspected the temperature probe and the wiring all the way to the control board. He said everything was good except for the control board which he could no longer get replacement for.Repaired
Laval, QuébecPlease talk to Howard Simons, we discussed the symptoms this morningBeyond Repair

Common problems for KitchenAid Free Standing Electric Range YKERC507HS4 Timer Repair

Are you encountering a similar problem as them? Contact us now and we will try to help you fix your YKERC507HS4 timer-related problem.
Hi, I recently broke the inside glass on the oven door. How do I replace the glass or the door altogether? Thanks -Jeff
I have a Kitchenaid superba kitchen. Model YKERC507HS4 I was resetting the time and i messed the display. The time of day/ control panel never goes on. It's a blank screen. Or if you press the clock it goes on but turns off if you press the start/set button or start button. When I try to reset the clock to get it to stay on, the start button erases the time. If i set it, the start? question mark goes on the oven display. please help would like my time displayed agin in my oven. Phoned kitchenaid and tehy weren't able to help me.
My kitchen aid oven keeps shutting off randomly with a code of F2E5. Do you know what would cause this?
KitchenAid Superba range manuals are no longer available from KitchenAid Canada. How do you clean the oven. When I press the "Clean" button, the over locks for 3 hrs and 30 mins and my house smells like a stale cigar butt. Model No. YKERC507HS4 Thanks Ron McAnespie XXX@XXXXXX.XXX