Jenn-Air Electric Wall Oven WW2750B Timer Repair

What is the timer/clock part number for the Jenn-Air WW2750B Electric Wall Oven?

Timer part number 12200028 for Jenn-Air WW2750B

The WW2750B Electric Wall Oven uses timer part number 12200028.

Do you have a failed Jenn-Air WW2750B control panel? Click here:

Request Appliance Timer Service

We can repair or replace your faulty Jenn-Air WW2750B timer.

WW2750B are also sometimes referred to using these Alternative Names/Model numbers

Maytag WW2750B Electric Wall Oven, Whirlpool WW2750B Electric Wall Oven

WW2750B Schematic and Wiring Diagrams

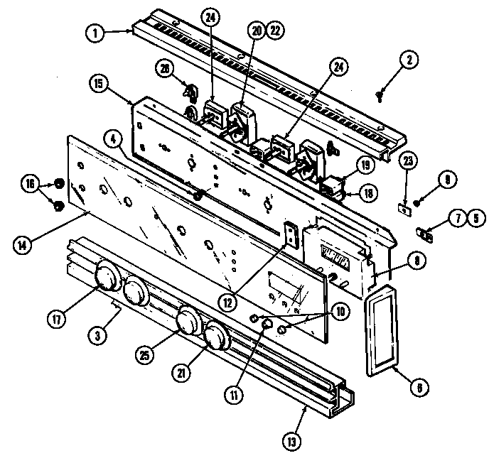
Control panel Parts diagram
WW2750B Electric Wall Oven Control panel Parts diagram
Body Parts diagram
WW2750B Electric Wall Oven Body Parts diagram
Internal controls Parts diagram
WW2750B Electric Wall Oven Internal controls Parts diagram
Oven Parts diagram
WW2750B Electric Wall Oven Oven Parts diagram
Door Parts diagram
WW2750B Electric Wall Oven Door Parts diagram
Blower motor (cooling) Parts diagram
WW2750B Electric Wall Oven Blower motor (cooling) Parts diagram
Blower motor (convection) Parts diagram
WW2750B Electric Wall Oven Blower motor (convection) Parts diagram

Recent Service Requests

CityProblem DescriptionResolution
Merritt Island, FloridaClock LED is lite with all zero's, all knobs are non functional. Over self clean will not start.Repaired
Heath, TexasJena-Air clock failed. Looking to purchase a reconditioned clock/timer. I could send back the core, if needed.Awaiting receipt of timer
Shreveport, LouisianaThere timer appears to be dead. No lights, nothing. The ovens still operate.Awaiting receipt of timer
Lake Jackson, TexasCan not set time or timer. Middle know does not workBeyond Repair