Jenn-Air Electric Wall Oven W246 Timer Repair

What is the timer/clock part number for the Jenn-Air W246 Electric Wall Oven?

Timer part number 704246 for Jenn-Air W246

The W246 Electric Wall Oven uses timer part number 704246.

Do you have a failed Jenn-Air W246 control panel? Click here:

Request Appliance Timer Service

We can repair or replace your faulty Jenn-Air W246 timer.

W246 are also sometimes referred to using these Alternative Names/Model numbers

Maytag W246 Electric Wall Oven, Whirlpool W246 Electric Wall Oven

W246 Schematic and Wiring Diagrams

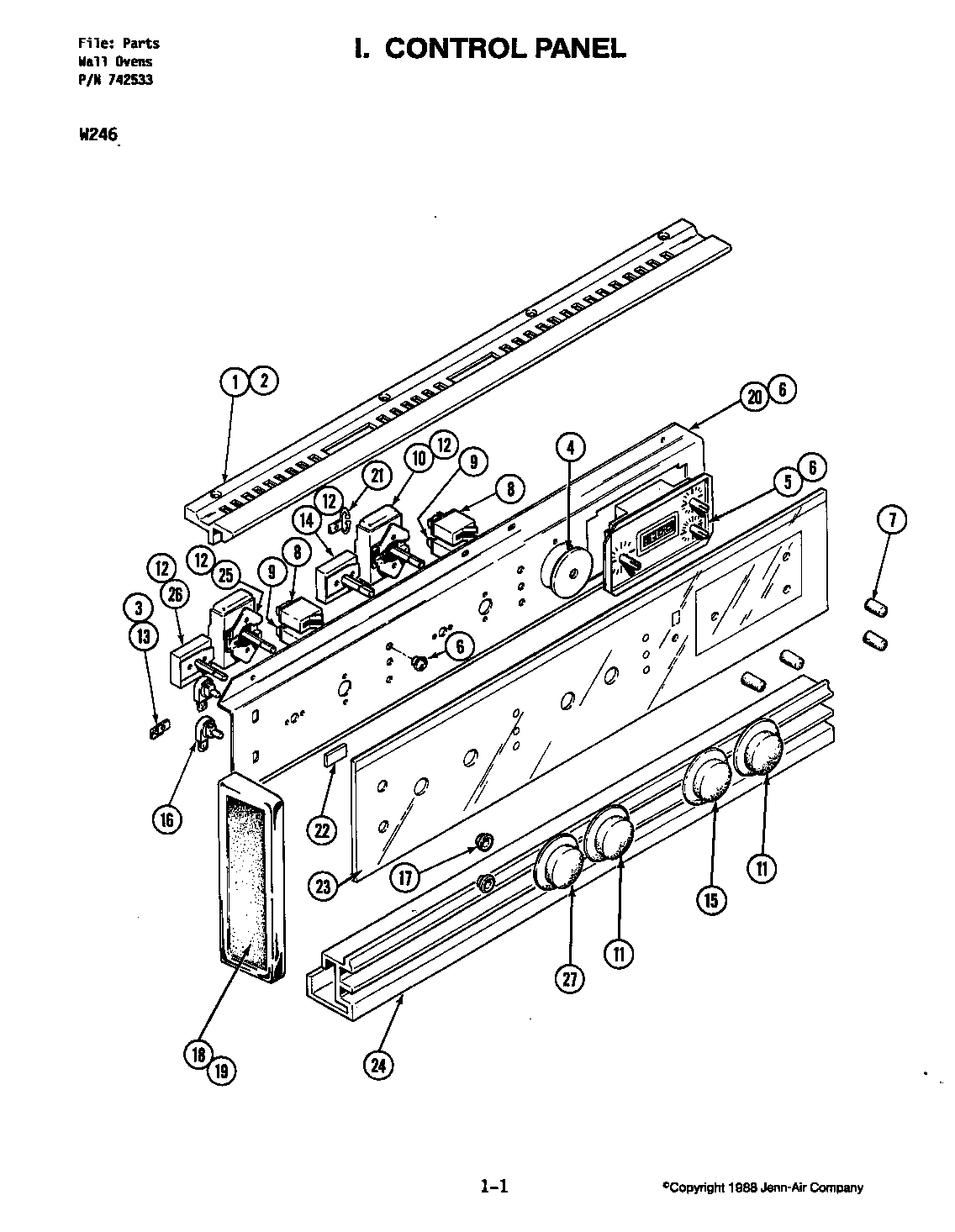
Control panel (w246w) Parts diagram
W246 Electric Wall Oven Control panel (w246w) Parts diagram
Control panel (w246) (w246) Parts diagram
W246 Electric Wall Oven Control panel (w246) (w246) Parts diagram
Basic body (w246w) Parts diagram
W246 Electric Wall Oven Basic body (w246w) Parts diagram
Basic body (w246) (w246) Parts diagram
W246 Electric Wall Oven Basic body (w246) (w246) Parts diagram
Internal controls (w246w) Parts diagram
W246 Electric Wall Oven Internal controls (w246w) Parts diagram
Internal controls (w246) (w246) Parts diagram
W246 Electric Wall Oven Internal controls (w246) (w246) Parts diagram
Oven liner (w246w) Parts diagram
W246 Electric Wall Oven Oven liner (w246w) Parts diagram
Oven liner (w246) (w246) Parts diagram
W246 Electric Wall Oven Oven liner (w246) (w246) Parts diagram
Door (w246w) Parts diagram
W246 Electric Wall Oven Door (w246w) Parts diagram
Door (w246) (w246) Parts diagram
W246 Electric Wall Oven Door (w246) (w246) Parts diagram
Blower motor-cooling fan (w246w) Parts diagram
W246 Electric Wall Oven Blower motor-cooling fan (w246w) Parts diagram
Blower motor-cooling fan (w246) (w246) Parts diagram
W246 Electric Wall Oven Blower motor-cooling fan (w246) (w246) Parts diagram
Blower motor-convection fan (w246w) Parts diagram
W246 Electric Wall Oven Blower motor-convection fan (w246w) Parts diagram
Blower motor-convection fan-upper (w246) (w246) Parts diagram
W246 Electric Wall Oven Blower motor-convection fan-upper (w246) (w246) Parts diagram

Recent Service Requests

CityProblem DescriptionResolution
Sturgen County, AlbertaTimer and clock do not workRepaired
Sturgen County, AlbertaClock is not workingRepaired
San Luis Obispo, CaliforniaOven clock stopped working after many years.Awaiting receipt of timer
Glendale, WisconsinClock does not runAwaiting receipt of timer
Hunt Valley, MarylandClock does not work. Please note the serial number 240552VE manufactured in the mid 1980'sAwaiting receipt of timer

Common problems for Jenn-Air Electric Wall Oven W246 Timer Repair

Are you encountering a similar problem as them? Contact us now and we will try to help you fix your W246 timer-related problem.
I have a Jenn-Air Self Cleaning Double Wall Oven, model w246. I need to replace the clock controls which is inoperative with part 704246. I understand this has been discontinued. What part can I replace this with? Can you indicate a dealer anywhere who may have this part in stock. Thanks! Lou Gallipeau
I have a double oven with 6 wires and no wiring diagram .Is there a way to figure out the wires
how do I deal with a dead clock/clock on a Jenn-Air wall over w246?
We have a double wall oven, one of which is convection. These are older ovens, at least 25 years old. We also have an analog clock which we had replaced recently so that we could use the time bake. We have lost the original JennAir booklet. How do we clean the oven? We have the dial set at CLEAN but nothing is happening.