Jenn-Air W131B Timer Repair

What is the timer/clock part number for the Jenn-Air W131B Range?

Timer part number 7601P214-60 for Jenn-Air W131B

The W131B Range uses timer part number 7601P214-60.

Do you have a failed Jenn-Air W131B control panel? Click here:

Request Appliance Timer Service

We can repair or replace your faulty Jenn-Air W131B timer.

W131B are also sometimes referred to using these Alternative Names/Model numbers

Maytag W131B Range, Whirlpool W131B Range, W131W, W131B-C, W131W-C, W131B

W131B Schematic and Wiring Diagrams

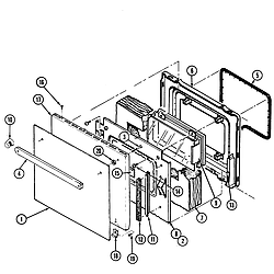
Control panel Parts diagram
W131B Range Control panel Parts diagram
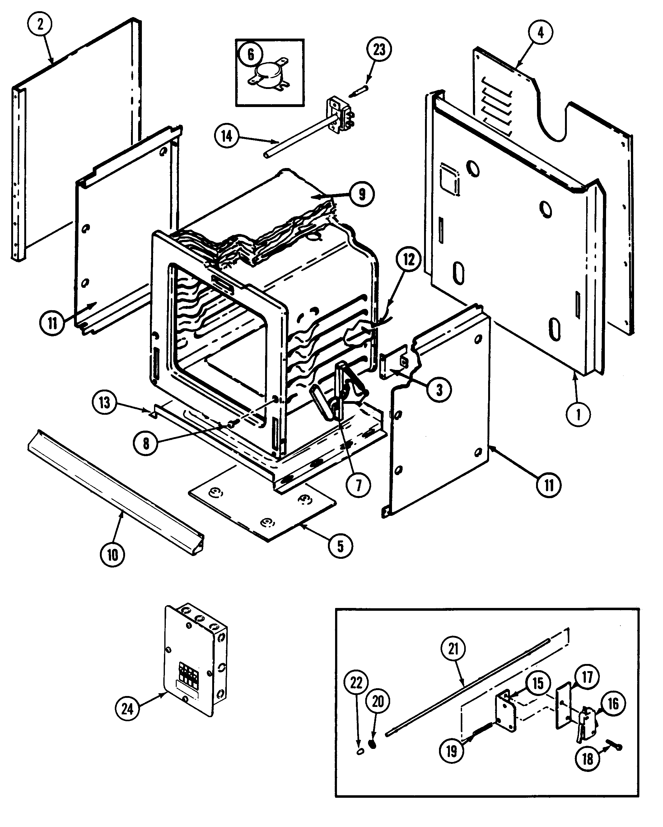
Internal controls Parts diagram
W131B Range Internal controls Parts diagram
Body Parts diagram
W131B Range Body Parts diagram
Oven Parts diagram
W131B Range Oven Parts diagram
Door Parts diagram
W131B Range Door Parts diagram

Recent Service Requests

CityProblem DescriptionResolution
Catskill, NY, New Yorkno failure code just went blankAwaiting receipt of timer
Weatherford, TexasOven will not heatRepaired
Weatherford, TexasOver will not heat up in any mode bake or broilRepaired
Oldtown, MarylandKeeps giving me F-1 after resetting a few minutes later it will alarm again F-1Timer inspected, no repairs necessary
Oldtown, MarylandKeeps giving me F-1 after resetting a few minutes later it will alarm again F-1Timer inspected, no repairs necessary
Chilliwack, British ColumbiaSee previous Purchase Request form.Repaired
Georgetown, Ontariooven starts to heat, then kicks out,, was intermittent then gave out.Repaired
Branchton, OntarioBake function will sometimes work and sometimes not. Suspected internal bake relay issueAwaiting receipt of timer
Brasher Falls, New YorkF1 alarm intermittent for years.
F9 for awhile and now never.
Won't heat up past 250.
I changed the temp sensor a year ago and seamed to take care of the issue.
Has been previously changed and the repair company has Part # 7721P041-60. You identified part # 7601P214-60, so you'll have to decide which is which.
Repaired
Brasher Falls, New YorkF1 beep and error code randomly. Could go 6-months. Been ongoing for years.
Not getting up to temp for the last month.
Did have an F9 code for a couple of times before the temperature issue, but not sense.
Repaired
Waterloo, OntarioTurn on oven and get F5 error codeAwaiting receipt of timer
Columbia, TennesseeTemperature does not reach the setting. (example - set at 450 may only reach 350)
Buzzer does not go off when timer is done or temp is reached
Repaired
Kamloops, British ColumbiaRandom Fault code F1 displays in conjunction with beeping.
No functions of the Oven are affected. Fault code display & beeping can be cleared with cancel button or power down. Recurrence of fault code F1 happens @ random intervals (days, hours, etc.)
Repaired
Solon, OhioFi code comes on after a few minutes of being resetAwaiting receipt of timer
Catskill, New Yorkno failure code just went blankRepaired
AUSTIN, TexasError Code F5. For several weeks, oven would work when reset. Now, it will not work at all, just gives F5 error code.Replaced with reconditioned timer
Redding, ConnecticutDoes not light up. Jenn Air repair tech stated clock/timer is faulty.Beyond Repair
Rochester, New YorkThe elements heat up and don't turn off without shutting off the circuit breaker. The LCD screen displays all 8888888. After checking the line circuit, breakers, elements and temperature sensors, I determined the problem to be with the control panel. I pulled the panel out and found two spade terminals (E5 and E6) and the corresponding wires were burned and melted right off the board. There is some damage to the board and possible damage to other components.Beyond Repair
Duluth, MinnesotaFlashes F 1 after baking. Anywhere from a few minutes after baking to a day or two later.Awaiting receipt of timer
camillus, New Yorkoven not heating to a high tempRepaired

Common problems for Jenn-Air W131B Timer Repair

Are you encountering a similar problem as them? Contact us now and we will try to help you fix your W131B timer-related problem.
We own a Jenn-air built in oven model # XXXXX serial # XXXXX On two occasions, the Power Relay Board malfunction requiring replacement. On the last occasion, the technician from L & R in home appliance repair told us that if the relay board failed a third time, Jenn-air would most likely replace the oven. The board has malfunctioned a third time. We have continued to use it, but it is cumbersome, since each time we must reposition the circuit breaker at the outside panel. After a time, the oven will function for sometimes as long as 30 minuets,then malfunction. Our question is, should we have it repaired a third time, or is there some compromise that Jenn-air may offer? Our other kitchen appliances are Jenn air, and we have been well pleased with them. thank you
after routine self-cleaning cycle, our Jenn-Air W131B wall oven is giving us F-2 error.
i TURNED MY OVEN ON AND THE HEATING ELEMENT STARTED TO BURN OR WELD ITSELF. IT DIDN'T STOP UNTIL I FLIPPED THE CIRCUT BREAKER. HELP!!!
I have an electric Jenn AIr Wall oven. Model no. is W131B Serial No is 13514981KB Sometimes it will beep with an F7 code on the display. It was doing this about 2 years ago and I turned the power off at the breaker box. Then it worked ok for awhile. Now it is doing it again. Do I need a new control panel? They are about $250 so I am not sure I should spend that much as oven is about 14 years old but works great except when it keeps beeping. Pressing the cancel stops the beeping sometimes for a few hours more times a few minutes!
My jenn air single oven does not maintain temperatures, when set at 350 it shows 250. It is 15 years old, model #br is W131B
[FONT='Times New Roman','serif']I have a viking dishwasher - VUD040. The unit stopped spraying water. I replaced the impellor (which was needed). It ran fine for 2 full cycles, then started having problems again. This time, when its turned on, the unit never never advances out of the initial stage (not sure, but I believe its the drain pump running). The knob advances thru the full cycle, but the unit just makes the louder pumping noise the entire time and never rinses or cleans (the soap tray does come open). I then replaced the main clock unit (located right behind the cycle selector knob). It ran fine for 1 full cycle, then started having the same problem again. I don't know if I got a defective clock or there is some other sensor or switch thats causing the problem. Any ideas?[/font] [FONT='Times New Roman','serif'][/font]
Shortly after preheating my oven's heating element gave a POP, flamed a bit, and then all went dead including the clock. Do I just need to replace the heating element or do I have a worse problem?
This is a new brand machine used only twice. However the water is not completely drained after the normal cycle. I checked all the basic stuff like blockage of drain pipe, kink in drain pipe, main kitchen drain line for blockage and also the drain valve on the machine. Everything seems to be fine but still there is water into the machine. The solenoid valve also pulls but for a short time. Is it problem with the clock. The motor is working. Also when i checked the drain valve it seems to be having a black membrane. I think that normal preventing water to flow into the machine. Could you please help?
When I attempted to remove the bake element to better clean the oven, the left spade connection to the element made contact with the oven cabinet and arc welded itself to the edge of the hole. Yes, I know I was stupid not to turn the breaker off FIRST. I turned off the breaker and continued with my chore. I first had to pry the welded terminal off the cabinet to finish removing the element. There wasn't much left of the short wire piece between the element and the spade terminal, let me tell you, but it was still attached. No problem for guy with an oxy-acetylenebrazing outfit - I fixed that with a dollop of bronze rod. Good as new and the resistance of the element was 20 ohms (normal I think). When I put the bake element back in and tested it, it would not heat up (yes I reset the breaker). The clock, clock and broiler element all work but not the bake element. I removed the element and checked voltage across the two leads. With the oven NOT calling for heat the voltage was 50 volts (
My washer will fill with water but after that it is silent, the clock doesn't advance, it doesn't agitate, spin, or drain the water, what could be wrong with it? the machine is about 12 years old, I used to be able to "wiggle" the wires and make sure that everything was connected and that would fix the problem, this time I wasn't so lucky. Help!!!!!
I have a JennAir range with a faulty touch pad. The 3,6,9 buttons no longer work. I found a part on line known as the panel overlay. Is the problem likely to be corrected if I replace the panel overlay?....or do I need to replace the "clock" that contains all the circuit connections? I already tried removing/putting back the ribbon cable from the "ribbon connector" with no results. PART # 74008652, BLACK (The part I believe I need unless someone tells me otherwise.)
how do i remove a jenn-air built in wall oven? (older oven model W131B)
Ok, this is the 4th time since I have had my oven that I have gotten the dreaded F1 error code. At least I (somewhat) know what the problem is. The last 3 times I have had a repair man come and fix the oven. At this point, I think I can do it myself! However, I am a bit fuzzy on the difference between the ERC/clock and the control panel. From what I understand, the "control panel" is simply the black glass front and the "ERC/clock" is the "box" located behind the control panel with all the wires plugged into it. Is that correct? My receipts from prior service show the following was replaced during the service calls: 3/2000 Part #7721 P041-60 Panel Control 2/2003 Part #7721 P041-60 Touch Panel Control 2/2005 Part #7601 P214-60 clock Were these the all same parts? Or was it the first two times the Control Panel was replaced and the last time the ERC/clock? Help would be greatly appreciated!
I have a customer that had there cabinets resurfaced and the cabinet guys pulled out the wall oven and disconnected the main power line that goes into the oven. The problem I ran into re installing it (because I was not the one to take it out) was there are 5 wires in the main power cord to the oven. Red, Black, White, ground and some blue wire. The blue wire has a spade terminal on the one end that goes into the oven, and the other end was joind in the box somewhere. I joined all the other wires accordingly and the oven works fine, but I have no digital display or oven light. There is no wiring diagram to be found anywhere on the oven so I am kind of lost as to how and where that blue wire comes into play. Any info or any place I might find a wiring diagram on line would be greatly appreciated. John