Jenn-Air Slide-In Range SEG196W Timer Repair

What is the timer/clock part number for the Jenn-Air SEG196W Slide-In Range?

Timer part number 12200028 for Jenn-Air SEG196W

The SEG196W Slide-In Range uses timer part number 12200028.

Do you have a failed Jenn-Air SEG196W control panel? Click here:

Request Appliance Timer Service

We can repair or replace your faulty Jenn-Air SEG196W timer.

SEG196W are also sometimes referred to using these Alternative Names/Model numbers

Maytag SEG196W Slide-In Range, Whirlpool SEG196W Slide-In Range

SEG196W Schematic and Wiring Diagrams

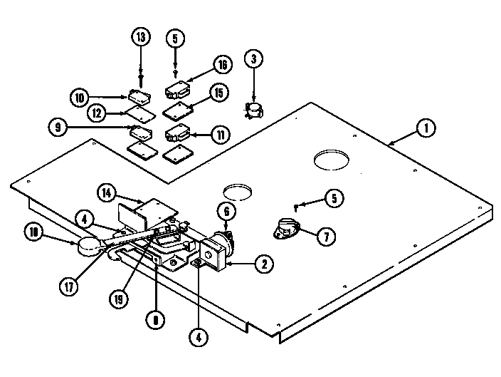
Control panel (seg196) (seg196-c) Parts diagram
SEG196W Slide-In Range Control panel (seg196) (seg196-c) Parts diagram
Control panel (wht) (seg196w) (seg196w-c) Parts diagram
SEG196W Slide-In Range Control panel (wht) (seg196w) (seg196w-c) Parts diagram
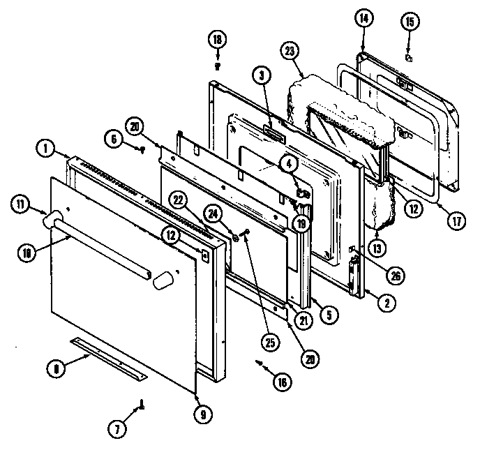
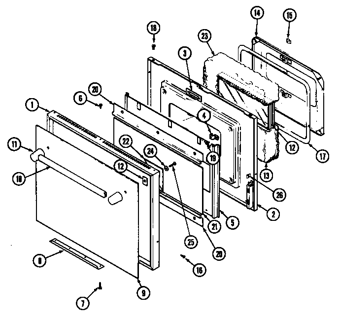
Door (seg196) (seg196-c) Parts diagram
SEG196W Slide-In Range Door (seg196) (seg196-c) Parts diagram
Door (wht) (seg196w) (seg196w-c) Parts diagram
SEG196W Slide-In Range Door (wht) (seg196w) (seg196w-c) Parts diagram
Access panel (seg196) (seg196-c) Parts diagram
SEG196W Slide-In Range Access panel (seg196) (seg196-c) Parts diagram
Access panel (wht) (seg196w) (seg196w-c) Parts diagram
SEG196W Slide-In Range Access panel (wht) (seg196w) (seg196w-c) Parts diagram
Main top (seg196) (seg196-c) Parts diagram
SEG196W Slide-In Range Main top (seg196) (seg196-c) Parts diagram
Main top (wht) (seg196w) (seg196w-c) Parts diagram
SEG196W Slide-In Range Main top (wht) (seg196w) (seg196w-c) Parts diagram
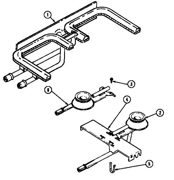
Burner/manifold assembly (seg196) (seg196-c) Parts diagram
SEG196W Slide-In Range Burner/manifold assembly (seg196) (seg196-c) Parts diagram
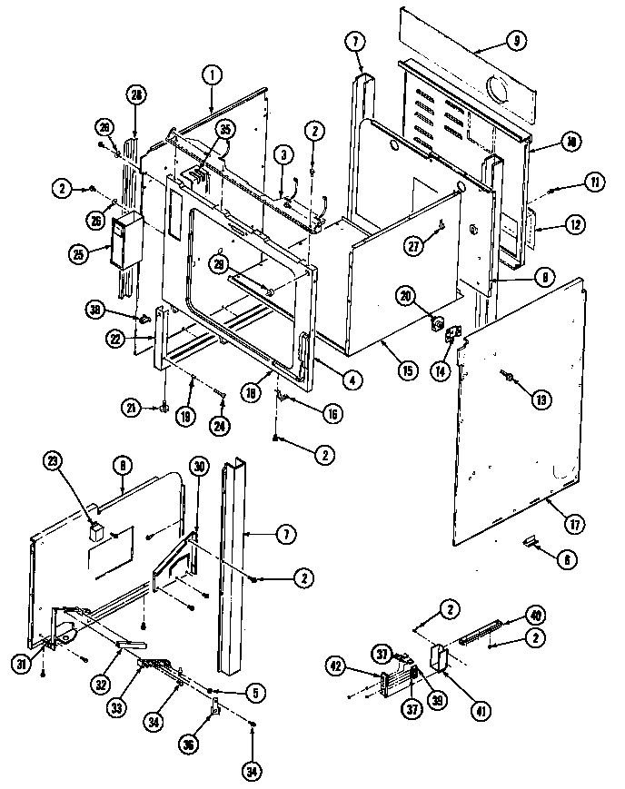
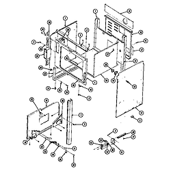
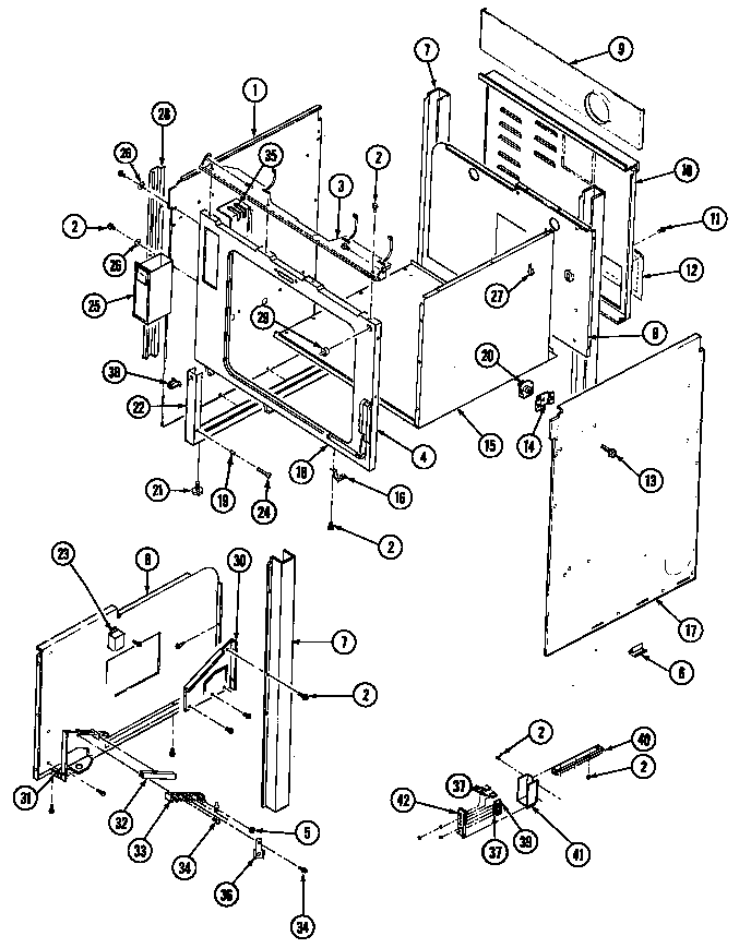
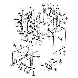
Body (seg196) (seg196-c) Parts diagram
SEG196W Slide-In Range Body (seg196) (seg196-c) Parts diagram
Body (wht) (seg196w) (seg196w-c) Parts diagram
SEG196W Slide-In Range Body (wht) (seg196w) (seg196w-c) Parts diagram
Internal controls Parts diagram
SEG196W Slide-In Range Internal controls Parts diagram
Oven liner (seg196) (seg196-c) Parts diagram
SEG196W Slide-In Range Oven liner (seg196) (seg196-c) Parts diagram
Oven liner (wht) (seg196w) (seg196w-c) Parts diagram
SEG196W Slide-In Range Oven liner (wht) (seg196w) (seg196w-c) Parts diagram
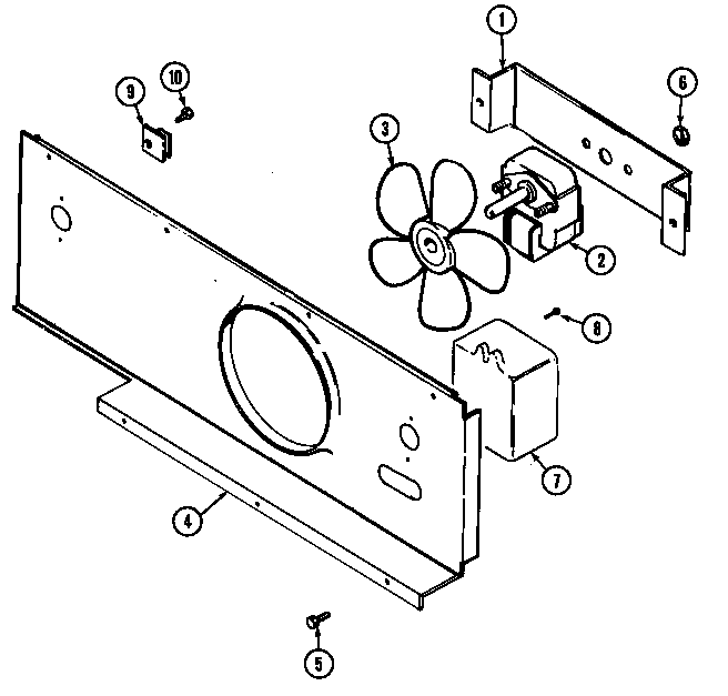
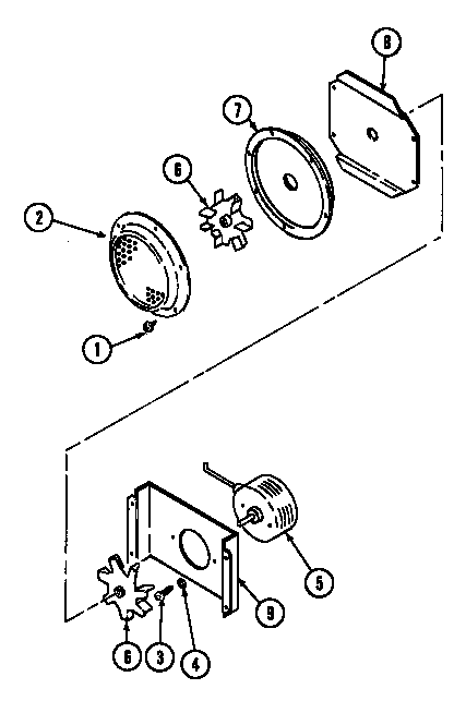
Blower motor-cooling Parts diagram
SEG196W Slide-In Range Blower motor-cooling Parts diagram
Blower motor-convection Parts diagram
SEG196W Slide-In Range Blower motor-convection Parts diagram
Blower motor-blower/plenum Parts diagram
SEG196W Slide-In Range Blower motor-blower/plenum Parts diagram
Gas controls (wht) Parts diagram
SEG196W Slide-In Range Gas controls (wht) Parts diagram

Recent Service Requests

CityProblem DescriptionResolution
Fairfax, VirginiaNo indicators at all...display off and blank.Awaiting receipt of timer
Oakhurst, CaliforniaElectronic Control failed. Relay burned. No bakeRepaired

Common problems for Jenn-Air Slide-In Range SEG196W Timer Repair

Are you encountering a similar problem as them? Contact us now and we will try to help you fix your SEG196W timer-related problem.
SEDS800JQ0 electric dryer is not drying. i took it apart and cleaned every think i could, made sure wires are tight and not burnt. element has continuity... i check everything i could find values on...its all testing good...put it together...it had heat! next morning wife happy to do some drying....no heat? i did turn the heat on in the utility room to work on it, if this matters... i have a very nice DMM as well
The freezer seals are hot to touch and the outside edges of fridge around freezer are hot i have switched out the coil fan at rear of fridge which i still have not seen work or spinning. the rear of fridge is super hot and i am cooling with a floor fan. the temps in fridge seem ok .help
hi- i recently purchased an older, used Jenn-Air gas-electric oven. The selling couple had updated all of their kitchen appliances and the oven and fridge came home with me, both appearing in to be in top condition. There was no plug attached when I took delivery on the oven, although the wiring area was clearly divided into red, white, green and bare (ground) wires. Since my current home kitchen wiring is set up with a legacy "3-prong" 220v outlet, I consulted with a handyman who advised me on the following wiring strategy: coming from the new 3-prong cord (to be attached) he told me that the critical step was to attach the "middle" cord wire to the "middle" oven contact and that the remaining two wires could be attached to either remaining contacts in the wiring box wire, right or left. I proceeded as told and and when tested, the oven and clock and appeared to operate. With further testing, HOWEVER, I found that the top gas burners will not light with the built-in igniters (I have c
How do I replace the clock on my Jenn-Air oven, Model SEG196W?
My Jenn Air SEG196W has a gas cooktop and an electric convection oven. Oven won't turn on and oven panel indicator lights don't light up. I checked broiler element and lower heating element and they both have good continuity so not burned out. clock works fine. What needs to be done or replaced
Jennair down draft oven (Maytag SEG196W) want to replace glass in oven door. Looking into parts I see a window pac. Is this what I need and is there a diagram available to get into the door for this purpose?? Thanks, XXXXX XXXXXXXX@XXXXXX.XXX
I have a never yet installed dual-fuel white self-cleaning oven Jenn Air that I purchased in 1995 from Sears at Washington Square. It's 30 inch width drop-in down draft fan unit. I finally located the model and serial number plate inside the lower left body. The Model number is XXXXX Serial number 22056168MS. Earlier today I found these among numerous numbers on the carton. The phone hotline told me this couldn't possibly be correct. I need manual and specs on this. Oh Help !XXX@XXXXXX.XXX.
My Jenn-Air SEG196W remains locked after cleaning. I saw the "hold cancel and cook and hold button" instruction, but I don't have a cook and hold button--is that a later model? Is there a way to unlock mine?