Jenn-Air Electric Slide-In Range SCE30600B Timer Repair

What is the timer/clock part number for the Jenn-Air SCE30600B Electric Slide-In Range?

Timer part number 71001799 for Jenn-Air SCE30600B

The SCE30600B Electric Slide-In Range uses timer part number 71001799.

Do you have a failed Jenn-Air SCE30600B control panel? Click here:

Request Appliance Timer Service

We can repair or replace your faulty Jenn-Air SCE30600B timer.

SCE30600B are also sometimes referred to using these Alternative Names/Model numbers

Maytag SCE30600B Electric Slide-In Range, Whirlpool SCE30600B Electric Slide-In Range

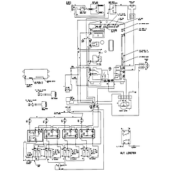
SCE30600B Schematic and Wiring Diagrams

Body Parts diagram
SCE30600B Electric Slide-In Range Body Parts diagram
Oven Parts diagram
SCE30600B Electric Slide-In Range Oven Parts diagram
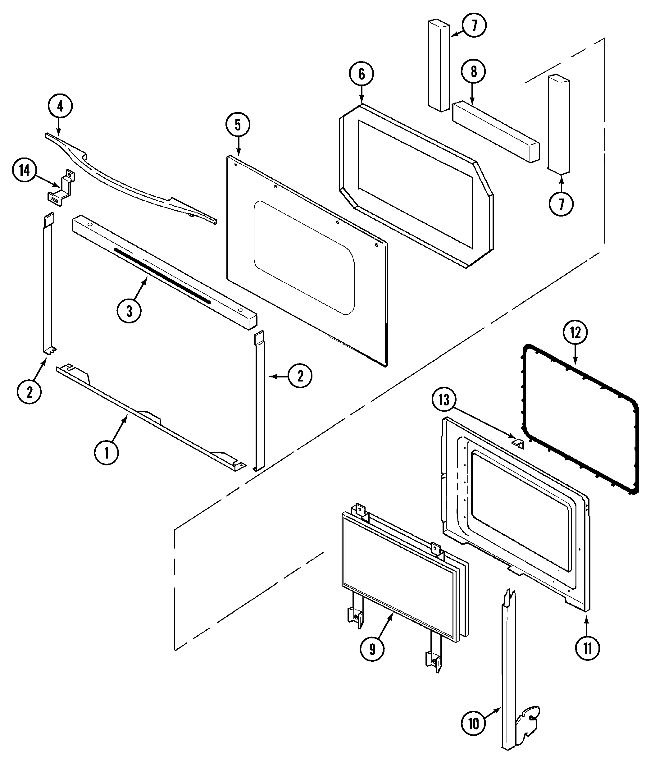
Door Parts diagram
SCE30600B Electric Slide-In Range Door Parts diagram
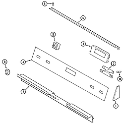
Top assembly Parts diagram
SCE30600B Electric Slide-In Range Top assembly Parts diagram
Control panel Parts diagram
SCE30600B Electric Slide-In Range Control panel Parts diagram
Drawer Parts diagram
SCE30600B Electric Slide-In Range Drawer Parts diagram
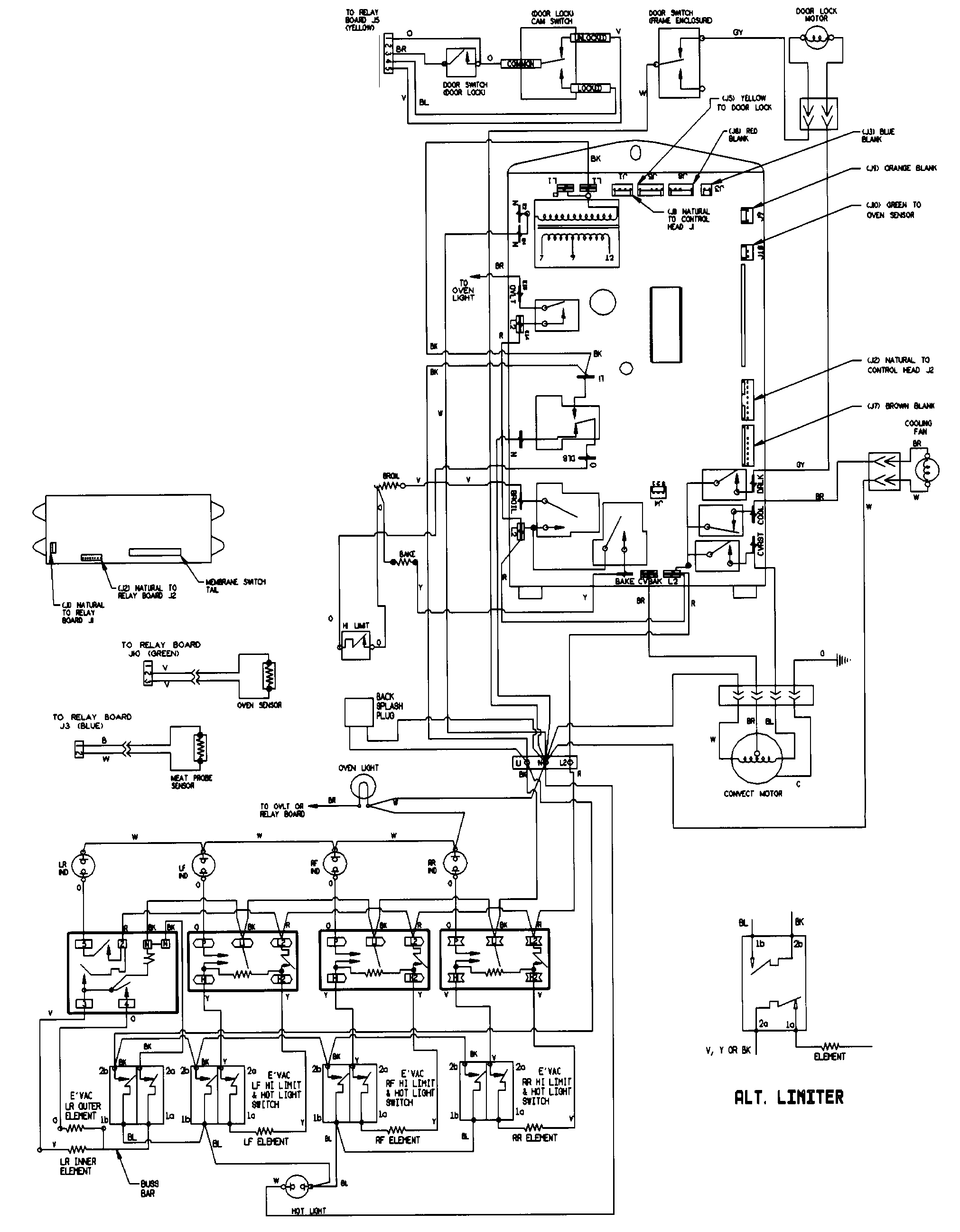
Wiring information Parts diagram
SCE30600B Electric Slide-In Range Wiring information Parts diagram

Recent Service Requests

CityProblem DescriptionResolution
Clinton Township, MichiganFan runs 55 minutes after regular BAKE is shut off.

In Convection bake, oven light flashes on and off and sometimes door locks but does not go into clean mode. Also oven just shuts down after about 20-30 minutes in convection bake.

Had F1 error after 40 minutes in convection bake and then oven door locked Then turned power off for 5 minutes and FC error and door was still locked.

F5 error was one time only when turning on regular bake. We canceled immediately and then turned on bake again and oven ran ok except for fan running during baking and for 55 minutes after turning oven off.
Repaired
Omaha, Nebraskathe digital read-out has faded and is no longer visible.Repaired

Common problems for Jenn-Air Electric Slide-In Range SCE30600B Timer Repair

Are you encountering a similar problem as them? Contact us now and we will try to help you fix your SCE30600B timer-related problem.
I purchased a replacement relay board for my Jenn-Air Oven Model # WW27430P. I was sent the following Part number 12001914, Description CNTRL-ELEC, Order Number 873419 from Location 5W4503. On the accompanying instruction sheet it states that this part is used on models with serials ending with (ZU, ZW, ZY, ZZ). My serial # is 10377090SS. Is this indeed the correct part and will it work properly with the Jenn-Air Model WW27340P? If this is incorrect, please tell me how to rectify the problem and how to recieve the proper replacement part post haste. Please advise. Terry Burgin
Condenser coils werent cleaned properly, and the refrig wasnt working very well. After cleaning the coils it works fine, but the knob on the defrost clock was turned. The inside of the doors, around the edge, is warm. How do you turn the defrost back to normal. If this is the problem.
The clock dimmed recently so planned on replacing the oven control assembly. At the same time, the cooling fan started turning on (and off) intermittently, and now will not shut off at all. A clicking noise can be heard coming from the back of the unit, and occasionally, the cooling fan will stop, then start up immediately. After replacing the oven control assembly, the following issues cropped up: 1) The 1 pad no longer works 2) The Fan pad no longer works 3) The cooling fan runs continuously 4) The unit starts beeping at rendom, occasionally shuts off, but often beeps until the Cancel button is pushed. I then replaced the relay board. After replacing it: 1) The 1 pad still does not work 2) The fan pad still does not work 3) The cooling fan still runs continuously It seems to have stopped the incessant beeping. Note that the downdraft fan works, since when turing on the grill unit, the downdraft fan turns on at the low speed. I'm running out of things to replace. Can you help?
Jenn air oven model SCE30600B error code FC blinks with beeping noise. After resetting the temp down to 350 to keep from burning a pizza error code FC started blinking along with continual beeping. I have unplugged range reset breaker etc. but error code FC reappears.
None of the heating elements work I have a Jenn-Air sce30600b, I was cooking dinner last night, oven and range were working just fine, then right in the middle of cooking, everything stopped working. The range top elements and the oven. The clock, and the led's on the front of the range work fine, but no heat is coming from anywhere. Is there some kind of control panel or master circuit panel that controls everything that can be replaced?? Thanks for any help
Is there any way to tell if the defrost clock is working properly on a refrigerator. I received a message that it could be the clock or it might be the fan not running. If the fan is not working should I just replace the motor and see if that fixes it? Does the condenser fan run all the time? Can the clock be bad and the defrost on all the time? All the help you can give is welcome.
The error code chart posted here does not match the list that is generated by Jenn-Air on the wiring diagram. F5 error code action is to remove all power to the relays for the clean, bake or broil. The components to check are 1. Intermittent sensor or wire harness. 2. Intermittent contact on ERC board. I have done all this and replaced the ERC with a unit purchased from AppliancePartsPros and I still get an error F5. Could the unit I received be faulty or is there a problem on the relay board? Any help appreciated.
I have a Jenn-Air SCE30600B slide-in electric oven w/glass cooktop. The baking and broil element are not coming on. The lights on the clock/control panel dimmed out some time ago, but the cooking function still worked and could be controlled by the touch pad. Just lately, the elements will not come on. When I set the bake for 350 I hear a fan come on, and a somewhat high pitched whine( which is uncharacteristic) but the element does not get hot. Is this totally related to the electronic clock control assembly(which I know how to take out and put in, or the other control board which pertains to the baking and broiling relay circuit. The clock control is about $160 and the other control board is around $240. And how do you access the bake/broil control board? I am assuming you have to pull the entire oven out of the cabinet. By the way, the cooktop functions work fine. L Lucas
Jenn- Air SCE30600B The control panel goes real dim when oven is on. Now it is getting more dim without oven being on.
range top workd, no problem. When, clean, broil or bake selected F5 code. I have checked the wiring loom from the clock control board, checked the oven thermal over heat sensor, okay, oven temp sensor seems to work and replaced the clock control board with a new unit, still get the F5. Presume it's the relay control board, anybody any more ideas before I fork out $245. By the way the broil and bake elements are good.
Jenn-air range Model SCE30600B. Won't heat Got a old Jenn-air range Model SCE30600B. The oven blew the heating element. Replaced element, but now the element won't heat. I think it might be the relay. Is there a internal test? If it is the relay, do I have to replace to whole relay board or can I just replace the relay? Where can you find the relay?
Jenn Air SCE30600B: the oven element burned up the other night. found a replacement locally and changed it this afternoon. turned on the breaker and set the oven to pre-heat... nothing. element doesn't get hot. could control board have fried when the element burned up?
sce30600b slide in oven flashed code FC during bake mode. door locked up.had to hit cancel to unlock. removed power and let it coolfor 2 hrs .restarted bake @450 ,noted that cooling fan came on at 200 deg.but oven reached 450 ok. no code this time. is this a problem with relay board 12001691 which occured about 5 years earlier and was replaced?
I have a SCE30600B Jenn-Air oven. I have misplaced the instruction manual. I need directions on how to set the cleaning cycle. When I press clean it appears on the screen but it asks for time. How do I do it. Thanks, Julie
Have a Jenn-air Model SCE30600B range fried by power surge. Now Burners work but oven, front push panel doesn't. We replaced circuit relay board in back and front panel clock. NOW the clock light only flashes, the oven light won't go out, cooling fan stays on and the panel buttons don't control anything, therefore the oven doesn't work. Would replacing the front button panel solve the problem We are concern that if we replace the front panel at around $150. and it's not the problem, then what? fyi - I use to be a service repair person for a living but this has me stumped. Help PS buying a new range at this time is not an option.
Re Jenn Air oven SCE30600B. It will broil. The baking element just gets warm. Sears repairman says both "computers" are bad. I am thinking the relay panel and perhaps the buttons on the front (every thing else seems to work but bake). Any advice would be appreciated.
I have a model SCE30600B oven. The oven and broiler do not heat. The panel on the front lights up and registers the temperature and time but the elements do not respond. What could be the problem?
Jenn Air Oven/oven model sce30600B oven will not heat, got trouble code F5, tried reset same problem. Shut off oven, then get F2 code. Shut off power to oven, checked temp. sensor resistance: 5000 ohms. Is the sensor bad?
I have a jenn-aire oven model SCE30600B and my technician is saying I need a sensor harness part 71002053, but the part is listed as discontinued. Do I have any other options other than to get a new oven?