Jenn-Air S120 Timer Repair

What is the timer/clock part number for the Jenn-Air S120 Range?

Timer part number 712024 for Jenn-Air S120

The S120 Range uses timer part number 712024.

Do you have a failed Jenn-Air S120 control panel? Click here:

Request Appliance Timer Service

We can repair or replace your faulty Jenn-Air S120 timer.

S120 are also sometimes referred to using these Alternative Names/Model numbers

Maytag S120 Range, Whirlpool S120 Range, S120-C

S120 Schematic and Wiring Diagrams

Control panel assembly (s120) Parts diagram
S120 Range Control panel assembly (s120) Parts diagram
Control panel assembly (s120-c) (s120-c) Parts diagram
S120 Range Control panel assembly (s120-c) (s120-c) Parts diagram
Top assembly Parts diagram
S120 Range Top assembly Parts diagram
Internal controls Parts diagram
S120 Range Internal controls Parts diagram
Internal controls (s120-c) Parts diagram
S120 Range Internal controls (s120-c) Parts diagram
Body (s120) Parts diagram
S120 Range Body (s120) Parts diagram
Basic body assembly (s120-c) (s120-c) Parts diagram
S120 Range Basic body assembly (s120-c) (s120-c) Parts diagram
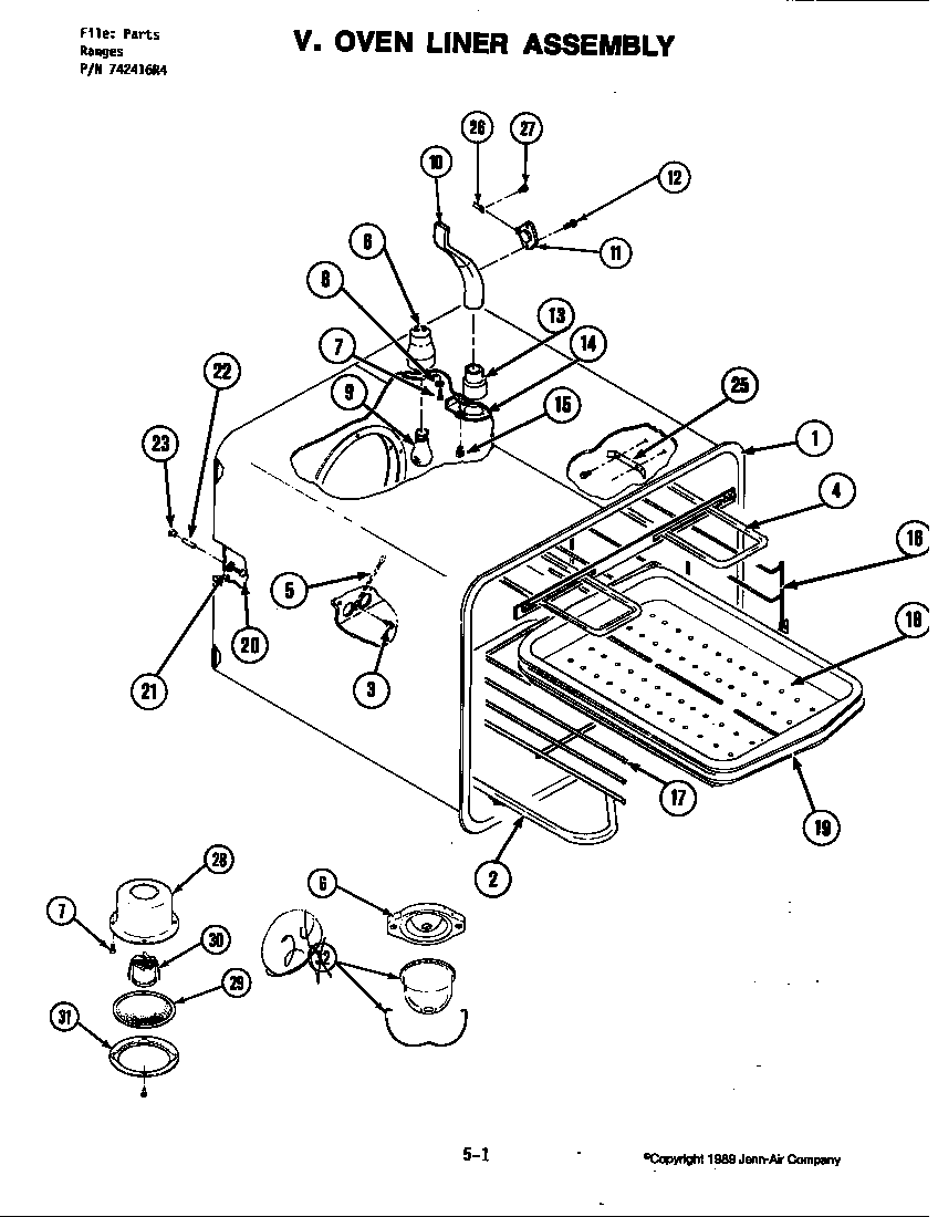
Oven Parts diagram
S120 Range Oven Parts diagram
Cooling fan (s120) (s120) Parts diagram
S120 Range Cooling fan (s120) (s120) Parts diagram
Cooling fan (s120-c) (s120-c) Parts diagram
S120 Range Cooling fan (s120-c) (s120-c) Parts diagram
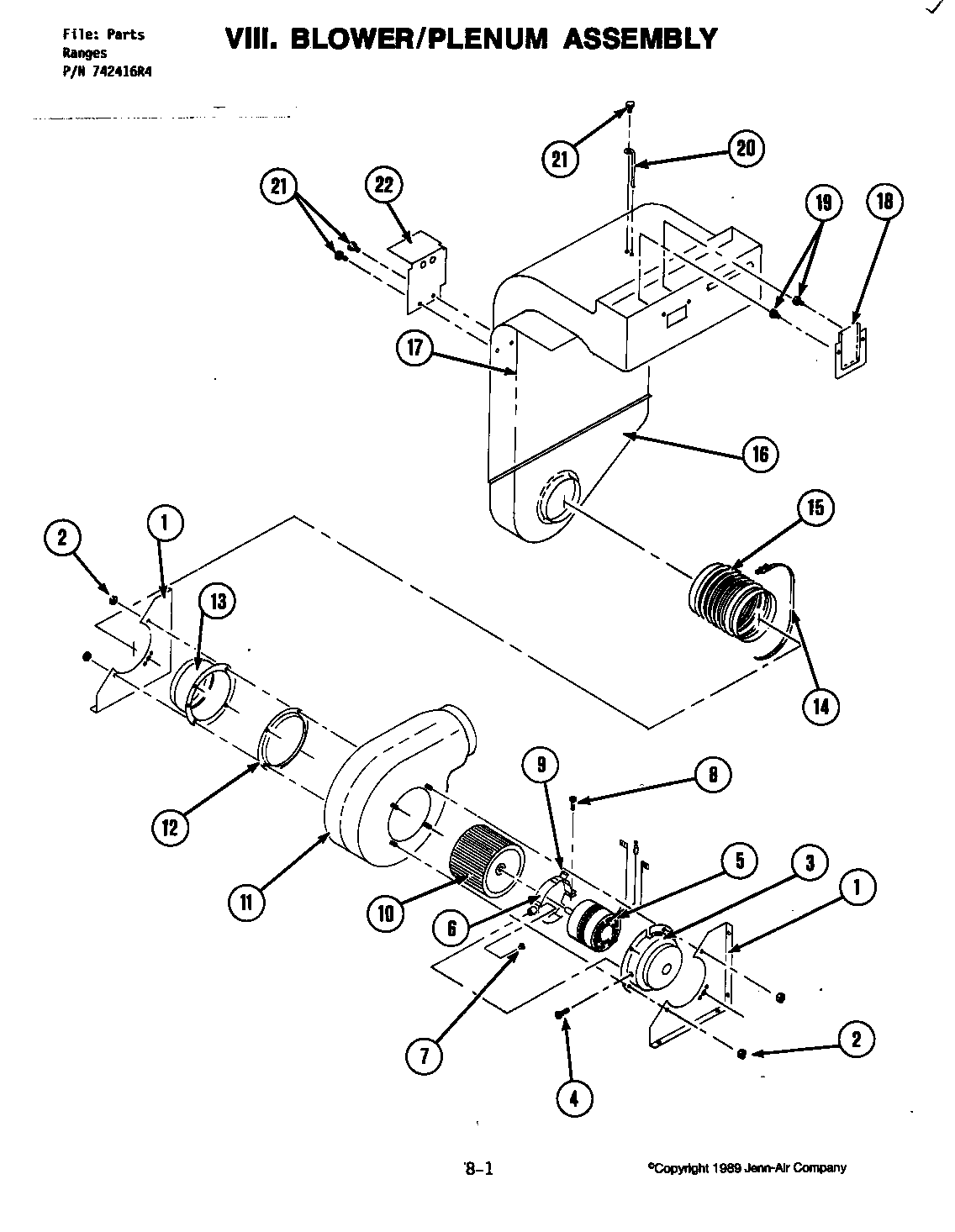
Blower assembly Parts diagram
S120 Range Blower assembly Parts diagram
Door (s120) Parts diagram
S120 Range Door (s120) Parts diagram
Door (s120-c) (s120-c) Parts diagram
S120 Range Door (s120-c) (s120-c) Parts diagram

Recent Service Requests

CityProblem DescriptionResolution
Mogadore, OhioThe clock stopped running and the stem needs to be replaced.Repaired
West Simsbury, ConnecticutThe 24 clock stopped working. Knob spindles ends brokenAwaiting receipt of timer
Selkirk, ManitobaClock stopped. Also minute timer setting shaft is broken short. Please replace if possible. I can live with it as is if no replacement is available. Getting the clock working is more important.Repaired
Eastsound, WashingtonNone of the functions requiring a clock don't work: Time Bake, Self cleaning function, Clock itself i.e. time of day. Everything else with the stove works like a charm.Awaiting receipt of timer
Eldora, IowaClock on timer quit working - motor no goodRepaired
Moorestown, New JerseyClock mechanism failed. 120V coil seems O.K. and motor gear turns. Problem maybe worn bearings?Awaiting receipt of timer
Frewsburg, New Yorkclock, timer does not workAwaiting receipt of timer
Keller, Virginiatimer/clock not runningRepaired
Florissant, MissouriClock does not work...can not use Time Bake.Repaired
Caledonia, OntarioStem on timer broken, otherwise clock and oven timer work.Repaired
De Soto, MissouriMy clock runs everything, time bake, clean ,etc. The digits of the clock are not turning on their own. If I change the time manually, it doesn't continue to move. I really do hope you can fix it. I love my stove!!!Awaiting receipt of timer
Belleville, IllinoisThe clock stopped and the timers. It will ring if set to zeroAwaiting receipt of timer
Wirtz, Virginiathe clock quit runningRepaired
Lithia Springs, GeorgiaI need a timer, Please quote me to rebuild or replaceAwaiting receipt of timer
Bexley, OhioThe clock will sometimes run for a short while after being set, but it stops again, usually within a day.Repaired
Bexley, OhioThe clock will sometimes run for a short time after being set, but it stops again, usually within a few hours.Repaired
Caledonia, OntarioMinute timer/clock set stem broken off. Timer works otherwise.Awaiting receipt of timer
Hilton Head, South CarolinaClock stopped working several years ago. I looked on internet for a replacement but could not find. A friend found your organization. I have removed the clock assembly and will send it back to you. Hopefully you can repair or have a replacement. My neighbor has the same model of stove and same failed clock assembly. If you can fix mine, I will have him return his to your repair center. Bob O'FlahertyRepaired

Common problems for Jenn-Air S120 Timer Repair

Are you encountering a similar problem as them? Contact us now and we will try to help you fix your S120 timer-related problem.
jenn air oven model s120-- how to remove female contacts from ceramic receptacle. Thanks
Hello, My inderect fired hot water tank(s120 us) has stopped working. I need help please
Model S120 The Oven Temperature Knob will only go to 225 and 425. It won't stop between those settings. The Oven Indicator light only comes on at 225 and the over doesn't get any hotter than 225.
how can i test power supply for toshiba a45-s120 laptop?
No Comment Added
Just plugging in Logitech S-120 into my Toshiba Laptop but are getting no sound as yet. Toshiba Satellite m45
I have a jenn-air range approx 15 years old model no. s120.It worked perfectly until the last time I cleaned it.I lifted up the left hand rangetop unit to clean under the edges and it seems like since then I can't get the oven to work.The right hand dial to pick the function [bake,broil,clean]works fine and the light goes on but when I try to turn the left hand dial to set the temperature it just makes an on off clicking noise which turns the oven light on and off making it impossible to set a temperature.What should I try?
I have a model S120 Jenn-AIR electric oven with a broken clock. Five online part services indicate that a replacement part (either #712024 or #515823) is no longer available. Can the old analog clock be replaced with a digital clock or is there anyway to make the self- cleaning oven work with a broken clock?
Hello, I too am trying to go through the 3 stages of figuring out which part of my defrost system is broken. My frig is warm, the freezer is working fine. I cleaned off all of the frost behind the freezer, and it is coming back quickly so that cold air is no longer going up to the frig. Any clues about the location of the part? I tried looking at the diagrams but still cannot figure out where it is located. I see a black box under the bottom freezer, but not sure if that is the high voltage box/condenser. Does the defrost clock look like a computer control board? The names of parts aren't consistent, so I can't tell exactly what it is called and its location. It is crazy making! What and where is it????
timex clock radio dst feature Is the timex T307 DST feature set up for the 'new' EPAct 2005 DST or should I turn the DST feature off so it doesn't change at the wrong time?
my watch band is ripted where can I get a band replacement for my polar S120 wrist watch?
Ok this is my problem as best as i can explain it this washer will spin but after a while the motor seems to over heat and stop it will start up fast then it will slow down and stop before the spin cycle is complete after it stop then it will not start up until it has had time to cool off even then it will not just start to spin some times unless you spin the tub by hand then start the spin cycle any ideas as to just what the problem or problems could be?
I Already Had This Frig Worked On, About Five Years Ago. It Is Now Doing The Same Thing It Did Then. The Freezer Frosts Up And Doesn't Defrost, Without Help. The Freezer And Frig Do Not Get Cold. I Do Believe It Was A Defrost Thermostat Or Something. I Can Not Afford To Have It Repaired, Would Like To Do So Myself. Can You Tell Me What Part It Would Be? From What I Have Seen, It Is A Very Common Problem With Them.
Washer will not spin or drain
I have an Amana Model#:BRF20TW, MFG#:P1199201WW, SN#:9604180192. I guess that means its almost 20 years old! Recently, the freezer is not getting cold enough to freeze the food and the Refrig is just cool. No leaks, No visible ice in unit. The fan is working and the compressor rarely comes on. I checked the forums and did some research last night. I removed the panel from the freezer to see the coils and noticed frost on the pipe where the Defrost Thermostat is. The heater coil was not hot or warm to defrost the ice. The fan was on and there was ice on the pipe to the coils. Upon removing the Defrost Thermostat and using a hair dryer to melt the ice from the coils, it stopped being in defrost mode and the compressor kicked on. I don't know whether it is the Defrost Control Adapter or the Heater. I'm assuming the Thermostat is ok since it did its job when it got warm. Help, I dont wanna spend money or move this refrig. I'd rather just fix it myself. Otherwise, it's left-overs for over a
Polar S120 Does anyone here have any experience using the Polar S120? What are your thoughts on it? Specifically, I'd like to know if has the same problem with buttons malfunctioning as the S210 (I've never used the S210 myself, just going by what others have written here). Also, the Running Room has the S120 for $179 Canadian. Does that seem reasonable or should I be looking elsewhere for a better deal? thanks a lot, Mathew
The power comes on , compressor starts yets there is no temperture change? please help!
How to connect YAMAHA DVR-S120 to computer I would like to play music from my laptop Sony Vaio VGN-AR11B - how to connect YAMAHA DVR-S120 to my computer.