General Electric Gas Range RGB746GEN1 Timer Repair

What is the timer/clock part number for the General Electric RGB746GEN1 Gas Range?

Timer part number wb27t10083 for General Electric RGB746GEN1

The RGB746GEN1 Gas Range uses timer part number wb27t10083.

Do you have a failed General Electric RGB746GEN1 control panel? Click here:

Request Appliance Timer Service

We can repair or replace your faulty General Electric RGB746GEN1 timer.

RGB746GEN1 are also sometimes referred to using these Alternative Names/Model numbers

GE RGB746GEN1 Gas Range

RGB746GEN1 Schematic and Wiring Diagrams

Oven door Parts diagram
RGB746GEN1 Gas Range Oven door Parts diagram
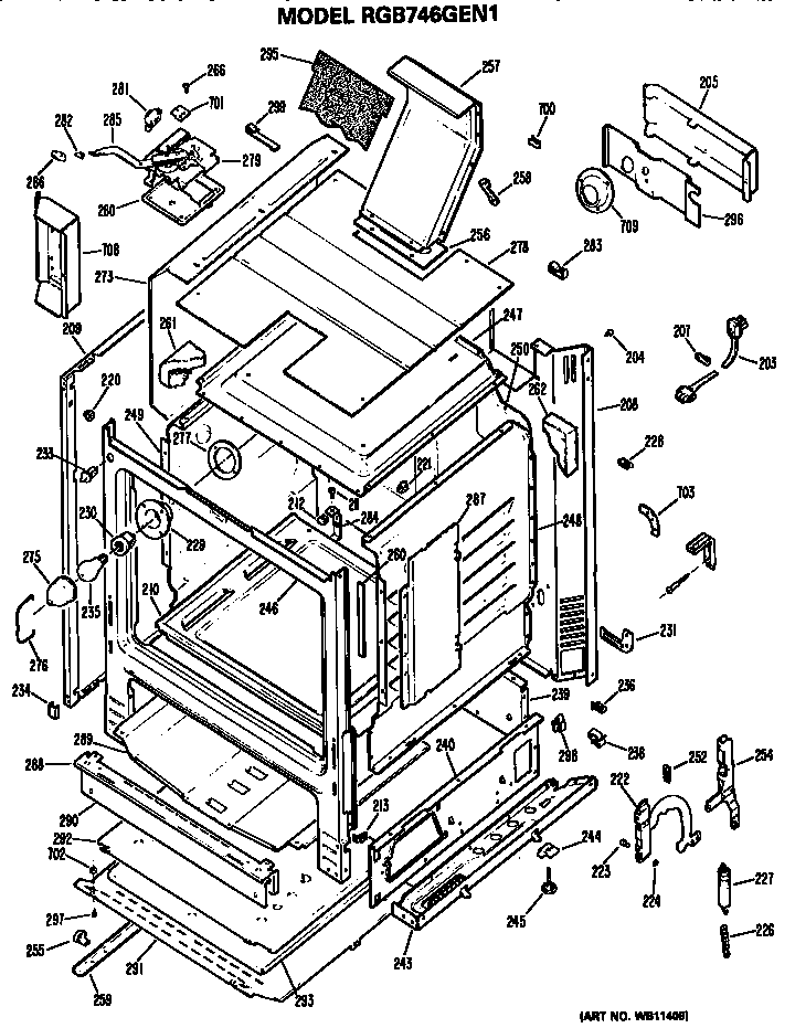
Oven Parts diagram
RGB746GEN1 Gas Range Oven Parts diagram
Burner section Parts diagram
RGB746GEN1 Gas Range Burner section Parts diagram
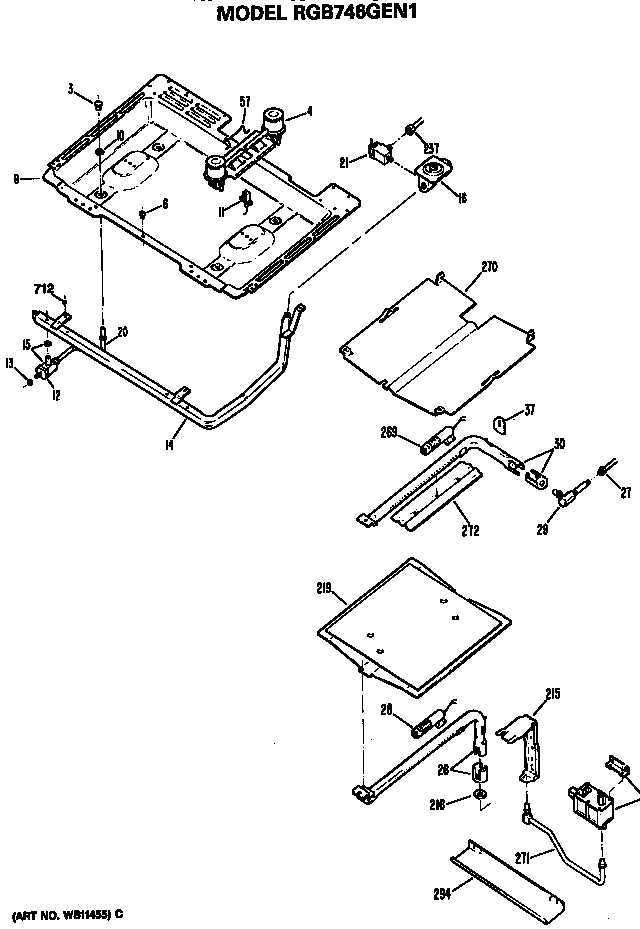
Cooktop Parts diagram
RGB746GEN1 Gas Range Cooktop Parts diagram

Common problems for General Electric Gas Range RGB746GEN1 Timer Repair

Are you encountering a similar problem as them? Contact us now and we will try to help you fix your RGB746GEN1 timer-related problem.
Have changed control TO9 set serv part # wb27K10220. It is not exactly like the original. There is a 5 pin connector that is white on the original part. On the new part there is a white and a red 5 pin connector. On the original overlay indicators (clock, cooking time,start time and time delay lights, lite.) The new part indicator does not. Iwas wondering if I connect the connector to the red 5 pin if that would work????????
Alright so here is the deal Oven's bake cycle stopped working properly a few days ago. Im a BMET so I know what Im doing or at least the concept of how to perform maintenance on equipment that isnt medical. So I set the Bake temp press start every thing goes as usual. Oven doesnt pre-heat, I checked the igniter its allowing gas through and i used a lighter to make sure it was allowing it through. Sometimes it sparks but it doesnt help. Im pretty sure the igniter just need to be replaced as its probablly bad or weak. Just need clarification from someone who knows for sure.
We had a power surge, after which the LED display on my Hotpoint oven is dead. (The surge also killed my microwave and cordless phone.) The oven burners work (igniters ignite), but the oven does not. Is it likely that the power surge fried the controller? Are there any tricks/surprises to replacing the controller? Any other parts that likely fried?
I have the above Hotpoint range that I bough on line. It has had mice living in it. I need to get under the oven top to clean out the mice dirt. Most ovens just lift up at the front. This one has clip and pins holding it.The owners manual has no repair section to show how to get inside the unit Can anyone tell me how I might acsess the inside so I can clean it.
I have a Hotpoint range Model RGB745WEA8WW it is 6 yrs old preheat lite doesn't go off It takes an incredibly long time to bake something. For example a pizza could take up to 1 hour. The oven doesn't get very hot but does reach about 100 degrees. Sometimes I here the gas cycling on and off
My range igniter for the top burner won't spark on any of the burners but burner will light with a match, and when the oven is turned on it will only heat to 300 degrees
We have a Kenmore Hotpoint Elec Ignition Oven. Model rgb745sev2ad. When we turn on the oven it heats up fine and the light goes off, that it is done preheating. Then as it needs to keep the temperature up it will turn back on and at this point we will get the smell of gas. The oven is a natural gas unit. What parts would you recommend to replace to fix this issue?
I have a hotpoint (ge) model #rgb745beh1ct .....The problem is when the oven finishes pre-heating and starts to prepare cooking, the flame intermittently goes on and off, the burner rails remain aglow throughout the intermittency...Is this the igniter switch? If so, do you know the cost to replace or where it can be purchased? If it is not the igniter switch, does anyone know what is the problem.....thx!