Thermador Range RDDS30VRS Timer Repair

What is the timer/clock part number for the Thermador RDDS30VRS Range?

Timer part number 486752 for Thermador RDDS30VRS

The RDDS30VRS Range uses timer part number 486752.

Do you have a failed Thermador RDDS30VRS control panel? Click here:

Request Appliance Timer Service

We can repair or replace your faulty Thermador RDDS30VRS timer.

RDDS30VRS are also sometimes referred to using these Alternative Names/Model numbers

Bosch RDDS30VRS Range

RDDS30VRS Schematic and Wiring Diagrams

Gas maintop Parts diagram
RDDS30VRS Range Gas maintop Parts diagram
Manifold assembly sequence Parts diagram
RDDS30VRS Range Manifold assembly sequence Parts diagram
Burner box assembly Parts diagram
RDDS30VRS Range Burner box assembly Parts diagram
Gas control valve detail Parts diagram
RDDS30VRS Range Gas control valve detail Parts diagram
Jet holder assembly detail Parts diagram
RDDS30VRS Range Jet holder assembly detail Parts diagram
Drop-in Parts diagram
RDDS30VRS Range Drop-in Parts diagram
Snorkel assembly Parts diagram
RDDS30VRS Range Snorkel assembly Parts diagram
Base assembly Parts diagram
RDDS30VRS Range Base assembly Parts diagram
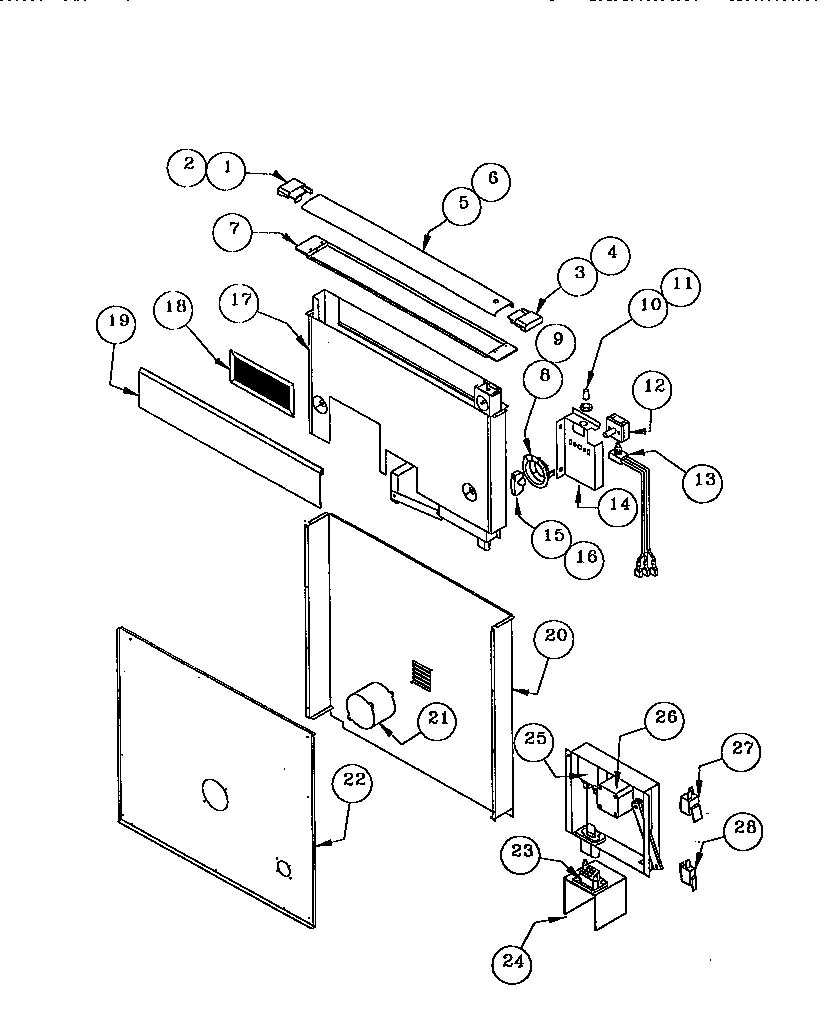
Main oven liner and module Parts diagram
RDDS30VRS Range Main oven liner and module Parts diagram
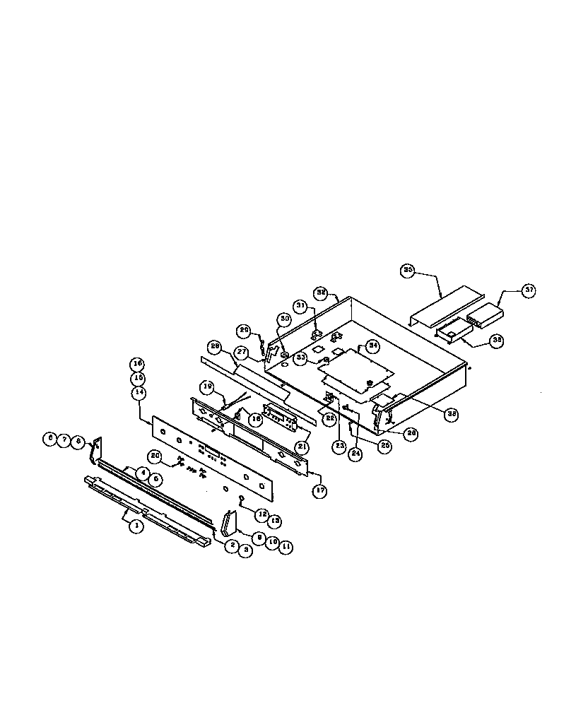
Storage drawer and base Parts diagram
RDDS30VRS Range Storage drawer and base Parts diagram
Main oven door assemby Parts diagram
RDDS30VRS Range Main oven door assemby Parts diagram

Recent Service Requests

CityProblem DescriptionResolution
Broomfield, ColoradoClock and oven inoperable.Repaired
Pinellas Park, FloridaBroiler works fine. Oven does not sense when has reached set degree than F1 error occurs. Example cookies burn within minutes.
Closing on house need first available part refurbished or new.
Awaiting receipt of timer
Boston, MassachusettsError code F1 and oven wouldn't turn on or operate.Awaiting receipt of timer
St. Petersburg, FloridaDisplay very dimAwaiting receipt of timer
Bethesda, MarylandF1Awaiting receipt of timer
Woodstock, GeorgiaF1 and F3 errors codes, timer and display very dim, heating in oven is not consistent.Awaiting receipt of timer
Spruce Grove, Albertadisplay so dim cannot seeAwaiting receipt of timer
Alameda, CaliforniaF1 ErrorAwaiting receipt of timer
Short Hills, New JerseyTimer is too dim to be usedAwaiting receipt of timer
Woodland Hills, Californiadisplay is mostly unreadable other than the (very dim) time.Repaired
Valencia, CaliforniaClock and Oven Indicators are very dim and are unreadable.Awaiting receipt of timer
Saint-Lin Laurentides, QuebecBad dimmer
no more conv. bake
cancel button half defective
Awaiting receipt of timer
Tualatin, OregonBake element will not heat. no error code. Swapped bake and broil leads at timer and bake element heats up when selecting broil. Failed bake power relay.Repaired
Armstrong, British ColumbiaOven overheats then code comes on and turns oven offRepaired
Saratoga, New YorkContinues to Auto lock for Self CleanAwaiting receipt of timer
Bloomfield, ConnecticutIntermittent F1 code. Dim display.Awaiting receipt of timer
Nashotah, WisconsinOven would turn on, appear to heat and then shut off as if the oven had been unplugged. After a period, the power would return with the clock blinking - as if the oven had been unplugged.Awaiting receipt of timer
Los Gatos, CaliforniaOven element will not heat, have checked continuity of the element, it is OK. Broiler element works fine. So I assume the main oven element relay has failed.
Also, can no longer read the oven temp digital readout, too faint.
Repaired
Bellevue, WashingtonControl panel screen dimly litAwaiting receipt of timer
Greensboro, North CarolinaMy bottom heating element is not heating up. I have replaced the element and the issues still remains. I think the issue is in the control panel. Can someone please call me if you think that this is not the issue? My cell is 336-202-3582Repaired

Common problems for Thermador Range RDDS30VRS Timer Repair

Are you encountering a similar problem as them? Contact us now and we will try to help you fix your RDDS30VRS timer-related problem.
I have a Thermador RDDS30VRS. One burner stopped a month ago (no gas flow), I replaced the solenoid, still no flow. Now another burner has stopped (no gas flow), and the oven bake element (bottom one) no longer heats (yes, I tried a new one - still no heat). I assume it's all related to some internal, electronic part. Any ideas, or troubleshooting hints? Thanks, CRB
Unit: ~2002 Thermador RDDS30VRS drop-in, dual fuel oven with aft remote down draft Problem: Up/Down button switch on downdraft broken off. Vent system in the down position. Question: how do I replace the switch? (I found the switch on line) Thanks, Rich
I have a dual fuel Thermador range. Model RDFS30RS, S/N 99030074 built in 1999. I have two questions: 1-On the front right burner, the igniter is loose, not enough gap to light the burner. You can hold the igniter such that there is a gap and the burner will light. 2- The oven window has double glass. I need to remove the glass and clean the inside of the two pieces of glass. I think the basic need is how to remove the oven door and then the door can be taken apart
Follow up question for this Thermador oven. RDDS30VRS. My parts store cant find the control module for the burner solinoid. Can you give me a part number or name of the part. They say it doesnt have one.
my ge cafe dual fuel oven is stuck show LOC cANNOT CLEAR TO USE OTHE CONTROLS
I have a dual fuel Thermador with electric oven. The oven wont switch "On". When you push the On button(s) the control panel flashes "Off" signal. How to remedy this, please?
I have a Thermador model RDDS30VRS the left front burner sparks but wont light. There is no gas coming out. Thought it had a bad in line electric solinoid but its good. The solinoid is not getting power. Wondering if it could be the micro switch at the burner knob or at the control module. I know there is a spark module and another module that im not familiar with. Any guesses?
I am trying to remove (to repair) the Oven clock Controller from the front of the range. Must I remove the top of the range to complete the task or can I slightly force up the range top to remove the Controller ?
My 8 yr old oven has numerous sudden problems. Only 2 burners work and the others spark continuously when one is on. My friend looked at it and said the gas isn't flowing to the left side. The oven looks like it's working, but doesn't heat up and the exhaust fan raises, but won't run. Can all these problems be caused by one part? I had the ERC replaced 3 years ago and it's worked fine since. If I do need to replace, any suggestions? Any help is appreciated!!!!!
The display on our oven is very dim, the only part of the display that shows anything is the clock, the oven still seems to work, but some of the numbers on the keypad do not function. I was going to order the control kit, which includes the display head, main power relay, and the harness keypad. If I change all that, the problem should be fixed? TIA
I have 2 codes that have come up on my oven panel. E6 and F2. Can you please tell what is wrong with my double ovens? I would like to have the ovens fixed by
My Thermador RDDS30VRS only heats up to 230 degrees
I was replacing a bake element on Thermador unit model RDDS30VRS and the wire attached to the element came off and didn't come through the wall and I can't locate it . How can I get access to it?