Frigidaire Electric Range PLEF398CCD Timer Repair

What is the timer/clock part number for the Frigidaire PLEF398CCD Electric Range?

Timer part number 316207620 for Frigidaire PLEF398CCD

The PLEF398CCD Electric Range uses timer part number 316207620.

Do you have a failed Frigidaire PLEF398CCD control panel? Click here:

Request Appliance Timer Service

We can repair or replace your faulty Frigidaire PLEF398CCD timer.

PLEF398CCD are also sometimes referred to using these Alternative Names/Model numbers

Electrolux PLEF398CCD Electric Range

PLEF398CCD Schematic and Wiring Diagrams

Backguard Parts diagram
PLEF398CCD Electric Range Backguard Parts diagram
Body Parts diagram
PLEF398CCD Electric Range Body Parts diagram
Top/drawer Parts diagram
PLEF398CCD Electric Range Top/drawer Parts diagram
Door Parts diagram
PLEF398CCD Electric Range Door Parts diagram
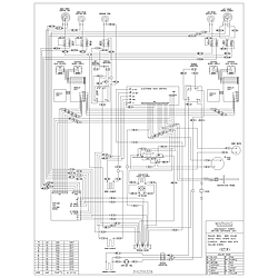
Wiring schematic Parts diagram
PLEF398CCD Electric Range Wiring schematic Parts diagram
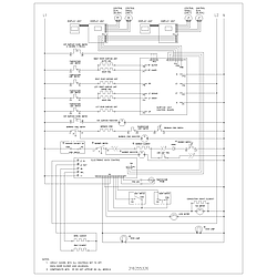
Wiring diagram Parts diagram
PLEF398CCD Electric Range Wiring diagram Parts diagram

Recent Service Requests

CityProblem DescriptionResolution
Simmesport, LouisianaThe stove is not coming on, as well as the clock and total power is not working.Repaired
Schwenksville, PennsylvaniaOven element will not turn offAwaiting receipt of timer
Montréal, Quebecoven doesnt work but stove yesBeyond Repair
Beaconsfield, QuebecMy oven's CPLEF398CCB controller 316207620 went out.
Following phone conversation with Howard , I would like to purchase new controller 318183402.
Thank you.
Replaced with new in-stock timer
Montreal, QuebecTimer and over not functioningAwaiting receipt of timer
LONGUEUIL, QuebecAwaiting receipt of timer
CROMER, Manitobamy timer just blacked out, no responseTimer inspected, no repairs necessary
Montréal, QuebecOven is out.
Timer display is out.
Stove continue to work only if timer is conneted.
If timer is not connected, digital display at each stove control button flashes.
At Appliance Shack, the part number is AS-15825
Beyond Repair
WATERLOO, OntarioFAILURE F1. OVEN JUST COMPLETELY SHUTS DOWN AFTER WORKING FOR ABOUT A MINUTE.Repaired
Kirkland, QuebecDoesn't workAwaiting receipt of timer
Montréal, QuebecHeating elements of ceramic surface still works fully but all lights from the control panel are out and oven will not function.

Technicien came by and identified electronic panel as faulty but would charge 480$CAD for replacement. I want to extend the life of my oven of a few years at low cost because it's still very clean and because it isn't heavily used.
Beyond Repair
Montréal, QuébecLe four et les plaques de cuissons s'allument et s'éteignent toutes seulesTimer inspected, no repairs necessary
coldwater, Michiganwife pushed the bake button then heard a pop sound and saw some smoke from the back of the stove and now the only function that works is the oven light. all other buttons do not function.Awaiting receipt of timer
Indianapolis, IndianaOriginal timer board badly burn't. It burnt both boards and many of the fols are missing.
I would like to purchase a rebuilt but do not have a good core. If rebuilt not available quote me a price for a new one. The overlay on my core is OK So I only need the panels
Thanks
Harry J Stergar
Awaiting receipt of timer
AUBURNDALE, FloridaPF CODE WITH FLASHING TIME. CAN NOT RESET.
PER HOWARD 318198403 CAN SUB FOR 316207620
Replaced with new in-stock timer
Metairie, Louisianabake element does not come on. No other issue. Element is good.Awaiting receipt of timer
Hilliard, OhioTurned the oven on to preheat and there was a load pop that tripped the circuit breaker. There were no noticeable burnt parts or wires. The burners still work, but the clock/timer only displays 12:0 with the last digit blank and the word "Clock" only displayed the "lo" and the others letters were blank. No buttons on the clock/timer worked.Replaced with new in-stock timer

Common problems for Frigidaire Electric Range PLEF398CCD Timer Repair

Are you encountering a similar problem as them? Contact us now and we will try to help you fix your PLEF398CCD timer-related problem.
I got F5 on the frigidaire oven model : Plef398CCD, what should i do now? thank you
I have a curtis mathes model plef398ccd how much would it cost to buy this T.V.
Frigidare oven, PLEB30S9DCA door getting locked on regular bake. Replaced clock #316418720 worked for 2 days and same problem occurred. The door will not open even when power is turned off for several minuts.
Hi: Oven continuously beeps; rarely takes input from keypad - even to set the clock. Occasionally stops beeping when you hit the start button. Will not heat or do anything. Powering off, trying to lock and unlock provides no solution. Any good ideas on how to resolve this/ The oven was manufactured in June of 2008 and has been used once or twice.
My dual radius element is not shutting off-- the display shows HE but element on high Model is PLEF398CCD
I've used you guys once before - right the first time so trying again for a different problem. I've got a Frigidaire glass-top electric oven (model PLEF398CCD) and 2 of the four burners stay on max cook setting and won't lower or shut off - no matter how I adjust the knob for these burners. Only way to correct this is to trip the circuit breaker to completely de-power the oven, but when I re-set the CB, the burners again return to max heat setting - even if the control knob is in the OFF position
I just go home from a trip and my wife says the oven has a problem It show an F1 error code on power up. It also emits a repeating beep that is unsilencable, except to pull the plug or throw the breaker. After reading the forum I suspect that it is an EOC but some threads have pointed to a Temp sensor. Any help on this issue would be greatly appreciated. I would rather not spend the big money on the EOC if I can get away with a Temp sensor.
I have a Frigidaire model PLEF398CCD that the burners don't work on it. It seems like there isn't even power to them because the digital display above the knobs don't even light up also when you press the clean button it comes up with F2 Err.
I have a Frigidaire electric convection oven MN PLEF398CCD. The lower bake element was not working properly (very intermittent). When I first attempted to check the wiring, every time I removed the back covers, the oven would work, when I replaced them, then the oven would stop working again (ya, pretty frustrating) I originally assumed that there was a small low voltage short that may be messing with the EOC, but I could not ever find a physical problem (shorts) in any of the wiring. Finally today, it started acting up with the covers off and let me check out a few things. Here is the summary: The element started to heat up, but then there was a loss of power at the P3 terminal that feeds the lower element. I swapped the leads on the EOC with the broiler element terminals and the element worked fine, so the problem does not appear to be with the element. I can hear the relay click, but no power comes on at all now. I tried bypassing the thermostat by looping a wire in the connection s
I have a burner that won’t shut off on a ceramic glass cook top and remains on high. It is a Frigidaire ES400 Electric oven, Model # XXXXX I tried swapping out the control switch with a similar one on the oven but the problem persisted. After reviewing the schematics from the company, I isolated the wire to the left rear burner and disconnected it. This turned the burner off and allowed me to use the range with everything else working. My guess is that it may be a temp sensor of some kind. If so, I would like to know what the part looks like, how to replace it, whether or not it can be done from the back of the range or through the cook top itself and if so, how to get into the cook top. Please help. Thank you. Tom
Frigidaire smooth top convection oven. Model #PLEF398CCD Serial #VF41909539. No owner's manual. Just replaced the EOC panel because oven was heating unevenly. Already replaced the sensor. When I connect and power up the new panel the clock flashes and the display next to the clock reads "PF". None of the controls respond when I push them but the burner controls work. Getting hungry. Bob
my gaughter has a Frigidaire oven model Plef398ccd..the top burners do not work and she gets an 'error' indicator light when she tries to turn a burner on...the oven comes on but she has not been brave enough to use it
Frigidaire convection oven Model #PLEF398CCD. Problem - oven heating unevenly. Top of food is being consistently burned even if placed on bottom rack. Action taken so far: 1) replaced Resistance Temperature Detector 2) replaced Electronic Oven Control 3) tested broiler element - OK Please advise. Ready to give up, Bob
Frigidaire electric oven Model PLEF398CCD. The right front burner (element) will not shut off. It is a dual or expandable element. Replaced the control Part no. XXXXXXXXX Still hot all the time. Any help you could give me.