Frigidaire Electric Range PLEF398CCC Timer Repair

What is the timer/clock part number for the Frigidaire PLEF398CCC Electric Range?

Timer part number 316207620 for Frigidaire PLEF398CCC

The PLEF398CCC Electric Range uses timer part number 316207620.

Do you have a failed Frigidaire PLEF398CCC control panel? Click here:

Request Appliance Timer Service

We can repair or replace your faulty Frigidaire PLEF398CCC timer.

PLEF398CCC are also sometimes referred to using these Alternative Names/Model numbers

Electrolux PLEF398CCC Electric Range

PLEF398CCC Schematic and Wiring Diagrams

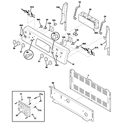
Backguard Parts diagram
PLEF398CCC Electric Range Backguard Parts diagram
Body Parts diagram
PLEF398CCC Electric Range Body Parts diagram
Top/drawer Parts diagram
PLEF398CCC Electric Range Top/drawer Parts diagram
Door Parts diagram
PLEF398CCC Electric Range Door Parts diagram
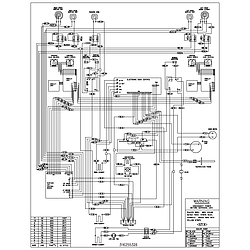
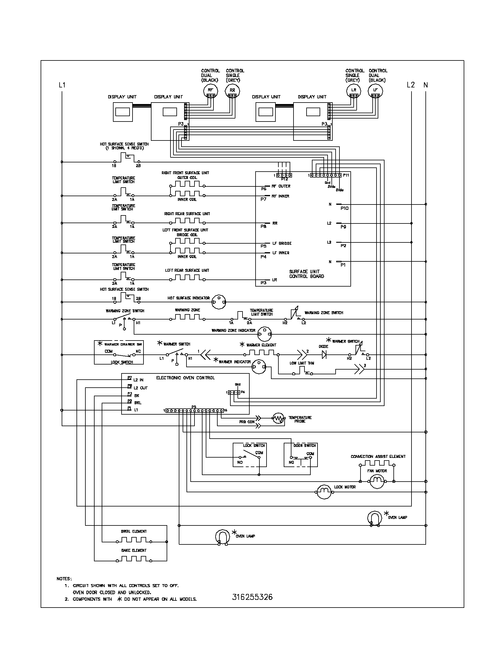
Wiring schematic Parts diagram
PLEF398CCC Electric Range Wiring schematic Parts diagram
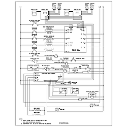
Wiring diagram Parts diagram
PLEF398CCC Electric Range Wiring diagram Parts diagram

Recent Service Requests

CityProblem DescriptionResolution
Williamsport, Pennsylvaniaoven and clock do not workBeyond Repair
Broomfield, ColoradoWhen turn on BAKE or BROIL only the broil element heats up not the bake element. This happened after I shorted the broil element quick blade disconnect terminal to the oven chassis which tripped the circuit breaker. I inspected the board for chars but did not see any. F1 error does not seemto indicate any more. The top heaters of the oven work fine.Awaiting receipt of timer
Blacklick, Ohiobaking element not heating
one burner has stuck on several times
Awaiting receipt of timer
russell, OntarioF1 Code with no obvious reason (no 'boom' or 'explosion' heard). Was working fine one day and not the next. I've removed and tightened all connections. Got it working once for 2 minutes then F1 code again. Now keypad seems not to work.Beyond Repair
Surrey, British ColumbiaBAD ERCAwaiting receipt of timer
Marion, IndianaPart number 316207620 is burnt. Flat top range works, oven does not heat up.Replaced with reconditioned timer

Common problems for Frigidaire Electric Range PLEF398CCC Timer Repair

Are you encountering a similar problem as them? Contact us now and we will try to help you fix your PLEF398CCC timer-related problem.
I have a frigidaire electric oven #plef398ccc I have a frigidaire electric oven #plef398ccc and the oven just went out. All of the electronics worked and the range stop too. I flipped the breaker to try resetting it and now everthing is dead. No clock no top no oven. Like there is no pwer. Any thought on where to start??
Frigidaire oven control panel DEAD I turned on the front burner, then turned on the range to preheat, turned away and heard a loud pop, tripped a breaker. When I reset it, the rangetop (knobs) worked but the control panel to turn on the oven, clock, oven light, etc. is completely dead. Can we fix this ourselves? If so, how and thank you. Model PLEF398CCC
My wifes oven just died. Put breaker back on and range top is working but oven is out as well as clock controls. Was going to order part#AP3764682 EOC clock, but was wondering if it could be something else? There was a spark before it went off, out of control clock,, Would appeciate help, for I can not afford a repairman, I recently got laid off. Kevin
My oven and broiler stopped working completely. The oven,clock,speed bake fan and oven light work fine. I am no electrician, but seeing that neither element lights I am guessing that the EOC is bad. It doesn't appear that there are too many other parts except maybe the temp probe. Please help, I can't make a pizza on our burners.lol
plef398ccc burners not turning on and rechecked wiring Long story short. First problem the front right burner stayed on. I replaced the relay board one wire at a time. Then the digital screens for the boards did not turn on. I lifted oven and that is where I found the mouse electrocuted at the hot wire for the front left burner. ranges beeps and F5 came on all the screens. Research says that clock board needs to changed. So I changed that and still the same thing. I am hoping that it is not all the burner controls that is failed. What do you think?
Frigidaire Gallery oven (New). When plugged in, get a PF20 (power failure). clock works fine. Both ovens work fine. rangetop does not work. No heat in burners. No display over burner.
frigidaire plef398ccc displayed 'er' now won't heat cooktop/oven frigidaire oven model plef398ccc displayed 'er' on all burner indicators last night, now will not heat oven or burners though clock and convection fan still operate. any suggestions?
My frigidaire oven model PLEF398CCC stopped working. All the cooktop burners work fine. So does the convection fan and light. The bake and broil do not heat up at all. I heard it could be the board. can you be more specific to what they are referring to? Thank you
What does the error code OC mean in a model plef398ccc?
Have a PLEF398CCC oven. Oven no longer works. All cooktop burners and controls work normally. Convection fan works, as does oven light. This could be a red herring: since we've had this oven, the oven door switch (316209903 (switch) Part Number: PS899630) clicks at the least pressure on the oven door. A technician says the problem is the "Main ERC". I can't tell what he's referring to except possibly the board (control-electrical) Part Number: PS2350727 (aren't there two of these?) The more likely cause, from JustAnswer is the Temperature Probe, Part Number: PS2363999. You thoughts? -Joseph
I have a Frigidaire Electrolux gas oven, model number PLEF398CCC and the right front burner won't shut off. I'm not sure what to do. Can you please help?
We have a model PLEF398CCC. The range burners work ok but the oven does not work. It shows a picture of a lock on the display. Can you identiy what the problem is?
i have a plef398ccc oven it is reading f7 on the leds at each burner switch, what is this
Frigidaire Elect oven, model #PLEF398CCC. Broil/Bake stopped working.oven top elements are working properly. Convection fan will come on and it's coil will produce a little heat. I replaced Elect Oven Control board. That didn't help. I was originally not getting power to heating elements. ( checked with amp meter) Sensor probe has good continuity as do the elements. ( cheched with OHM meter) After messing with the oven for awhile I am now getting power to the elements but they do not heat up. The main control board seems to be working OK. Bake/broil controls come on. All seems to be working except the broil/bake elements won't heat up.