Thermador Self-Cleaning Oven MSC229 Timer Repair

What is the timer/clock part number for the Thermador MSC229 Self-Cleaning Oven?

Timer part number AP2823499 for Thermador MSC229

The MSC229 Self-Cleaning Oven uses timer part number AP2823499.

Do you have a failed Thermador MSC229 control panel? Click here:

Request Appliance Timer Service

We can repair or replace your faulty Thermador MSC229 timer.

MSC229 are also sometimes referred to using these Alternative Names/Model numbers

Bosch MSC229 Self-Cleaning Oven

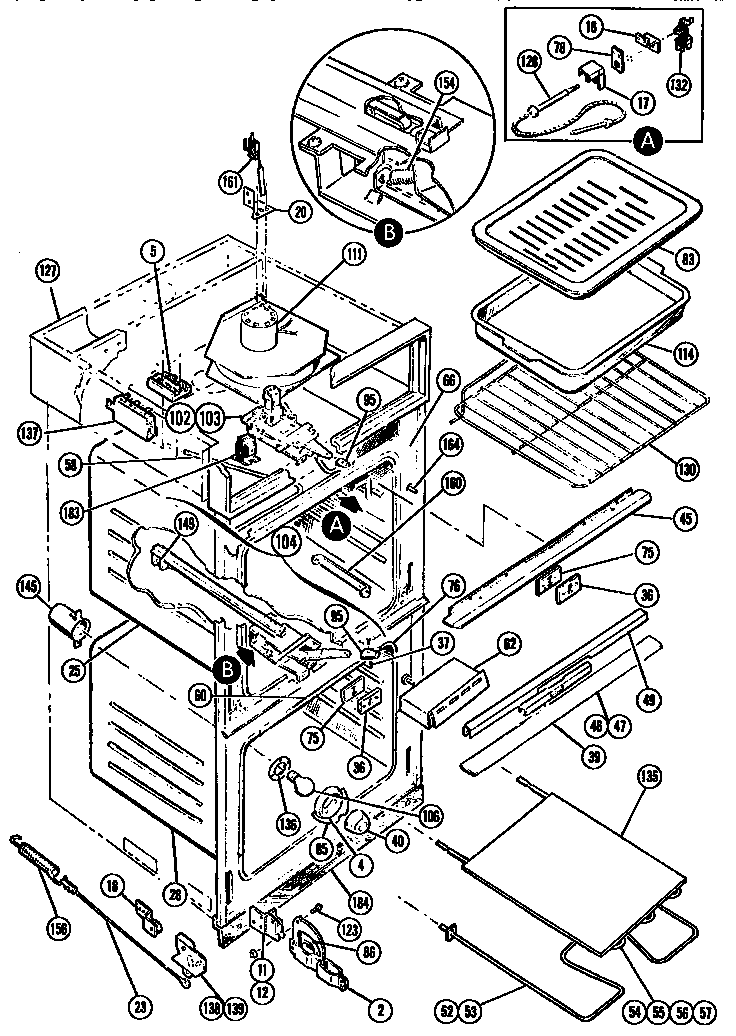
MSC229 Schematic and Wiring Diagrams

Oven Parts diagram
MSC229 Self-Cleaning Oven Oven Parts diagram
Control panels Parts diagram
MSC229 Self-Cleaning Oven Control panels Parts diagram
Wiring Parts diagram
MSC229 Self-Cleaning Oven Wiring Parts diagram

Recent Service Requests

CityProblem DescriptionResolution
Rahway, New JerseyBoth ovens heat ok. Both lock solenoids lock. The oven clock does not count. Press in to set clock time does move the clock output. I suspect the clock motor is not moving the gears. If I move the knobs on the two settings on the right side of the unit I can get the auto exhaust to start running but when I select the oven heat to clean neither of the ovens heat up. I have a wiring diagram for my oven but not a schematic that shows what is inside each module or a users manual. My suspicion is that most of the clock module is working correctly except the clock and maybe the cleaning relays but I can't be sure until I have a working clock.Awaiting receipt of timer
Encino, Californiaclock does not keep time. Clock rollers will move when attempting to set time, but clock does not move on its own.Awaiting receipt of timer
Tallahassee, FloridaCLOCK NOT WORKINGRepaired
Tallahassee, FloridaClock not working and makes humming noise.Repaired
Little Rock, Arkansasclock doesn't work, self clean relay and timed bake relay not working the contacts have fallen out of relay and connections have also fallen out of relay please fix dials on clock face if possible seems the dials are not very readable I have no information on the make of the clock works your man on the phone says its a Robert shaw unit I trust you can handle this I will get vynal numbers to stick on from the graphic shop if you can't fix the dials paint chiping problemRepaired
Little Rock, Arkansasclock doesn't work, self clean relay and timed bake relay not working the contacts have fallen out of relay and connections have also fallen out of relay please fix dials on clock face if possible seems the dials are not very readable I have no information on the make of the clock works your man on the phone says its a Robert shaw unit I trust you can handle this I will get vynal numbers to stick on from the graphic shop if you can't fix the dials paint chiping problemRepaired

Common problems for Thermador Self-Cleaning Oven MSC229 Timer Repair

Are you encountering a similar problem as them? Contact us now and we will try to help you fix your MSC229 timer-related problem.
I have an old Thermador MSC229 double wall oven. The inner glass on the top oven cracked and needs to be replaced. Repairman says part is no longer available. What do I do. Are there places that will make / cut a piece to my specs?
I have a thermador msc 229. Can't get parts for it. Can I replace it with a msc 239? Or would the parts be the same and I can just swap them? In my 229, the upper oven won't self clean. The tech says the solenoid is bad and it need a new upper latch assembly that contains the solenoid, but it is not available anymore. What do you think?
How do I change the regulator thermometer on a Thermador double electric wall oven Model MSV229