Maytag Gemini 30" Double Oven Freestanding Gas Range MGR6875ADB Timer Repair

Maytag MGR6875ADB Gemini 30" Double Oven Freestanding Gas Range Features:

Maytag MGR6875ADB Gemini 30" Double Oven Freestanding Gas Range
  • More Capacity
  • EvenAir™ Convection Cooking in Lower Oven
  • Adjustable Self-Cleaning Ovens with Auto-Lock
  • One 12,000 BTU PowerBoost™ Burner
  • Four Heavy-Duty Oven Racks
  • DuraClean™ Continuous Burner Grates
  • One 5,000 BTU/600 BTU Flex-Choice™ Melting Burner
  • Versatile Double-Oven Range Bakes, Broils and Warms
  • Unique 16,000 BTU PowerBoost™ Burner
  • Control Lockout Option
  • Super-Bright Digital Display
  • DuraClean™ Heavy-Duty Cast Iron Burner Grates
  • DuraClean™ Lift-Off Burner Caps
  • Precision Cooking™ System with Precise Preheat in Both Ovens
  • Deluxe Precision Touch 850 Electronic Oven Controls
  • Five Insta-Heat™ Cooktop Burners
  • Removable Knobs
  • Two 9,200 BTU Burners
  • RollerGlide™ Heavy-Duty Oven Rack in Lower Oven
  • Separate Upper and Lower Oven Displays
  • 1.4 cu. ft. Self-Cleaning Upper Oven, 4.0 cu. ft. Self-Cleaning Lower Oven
  • Upper Oven Preheats in Half the Time

What is the timer/clock part number for the Maytag MGR6875ADB Gemini 30" Double Oven Freestanding Gas Range?

Timer part number 7409986 for Maytag MGR6875ADB

The MGR6875ADB Gemini 30" Double Oven Freestanding Gas Range uses timer part number 7409986.

Do you have a failed Maytag MGR6875ADB control panel? Click here:

Request Appliance Timer Service

We can repair or replace your faulty Maytag MGR6875ADB timer.

MGR6875ADB are also sometimes referred to using these Alternative Names/Model numbers

Whirlpool MGR6875ADB Gemini 30" Double Oven Freestanding Gas Range

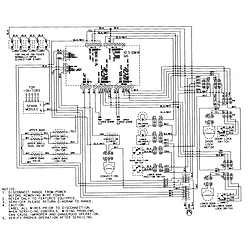
MGR6875ADB Schematic and Wiring Diagrams

Control panel/top assembly Parts diagram
MGR6875ADB Gemini 30" Double Oven Freestanding Gas Range Control panel/top assembly Parts diagram
Oven Parts diagram
MGR6875ADB Gemini 30" Double Oven Freestanding Gas Range Oven Parts diagram
Body Parts diagram
MGR6875ADB Gemini 30" Double Oven Freestanding Gas Range Body Parts diagram
Gas controls Parts diagram
MGR6875ADB Gemini 30" Double Oven Freestanding Gas Range Gas controls Parts diagram
Door (upper) Parts diagram
MGR6875ADB Gemini 30" Double Oven Freestanding Gas Range Door (upper) Parts diagram
Door (lower) Parts diagram
MGR6875ADB Gemini 30" Double Oven Freestanding Gas Range Door (lower) Parts diagram
Supplemental information Parts diagram
MGR6875ADB Gemini 30" Double Oven Freestanding Gas Range Supplemental information Parts diagram
Wiring information Parts diagram
MGR6875ADB Gemini 30" Double Oven Freestanding Gas Range Wiring information Parts diagram
Wiring information (at series 13 & 14) Parts diagram
MGR6875ADB Gemini 30" Double Oven Freestanding Gas Range Wiring information (at series 13 & 14) Parts diagram

Recent Service Requests

CityProblem DescriptionResolution
Indian Land, South Carolinakeyboard will not functionAwaiting receipt of timer
HOPE VALLEY, Rhode IslandCONTROL PANEL DOES NOT WORK..Repaired

Common problems for Maytag Gemini 30" Double Oven Freestanding Gas Range MGR6875ADB Timer Repair

Are you encountering a similar problem as them? Contact us now and we will try to help you fix your MGR6875ADB timer-related problem.
I have a Maytag double oven . The lower oven stopped working but the upper one worked for a while but eventually stopped. We didn't have the money to repair it and decided to try the ovens about a month later. The upper oven started working but stopped working a couple weeks later. I replaced the main control computer with the control panel but that did not fix the problem. Can anyone help?
The age is really unknown. I have a Maytag MGR5720 ADH gas oven. About a week ago it started making this horrible noise only when the oven is on. The only thing I can describe this noise as, it is as if there is a smoke alarm going off in another room or basement, the sounds is muffled, but it is constant, not just a continuous beeping sound. It will happen on and off during the whole time I am cooking and is rather loud. I tried looking in the manual, but did not see anything related to that. I would just love to solve this problem before I need to cook for 3 days right before and on
I have a maytag double oven freestanding gas oven. The top oven works on broil, but will not work on bake. The model #MGR6875ADB
HI, clock overlay accepts command functions but does not execute any. The clock itself works. The surface burners work.
I have a Maytag Gas - Double Oven oven - Precision Touch 850 Series oven - Model # MGR6875ADB I posted a question on December 30 in the evening and I haven't seen an answer yet but when I go back I can't find my question listed on this site. I'd rather not have to type it again.
I just bought a new clock assembly (16022527) for my Maytag gas oven but have no instructions on how to install it. I was told I need this because the oven wouldn't light and I can't get the current clock assembly to get out of child lock. Help please!
I set oven temp @ 400 degrees, but then it defaults down to 100 and stays there. What could be the problem? clock works, burners work...oven doesn't.
Just had to replace a front burner unit that rusted out. Now if I turn on either front burner the burners light but gas is leaking (smells awful ). Looks like the tube that goes from the front of range to burners is cracked/broken. A non-Maytag dealer told me the part for that is discontinued. range is just under 10 years old. Is the part below what I would need for replacement? Tubing, regulator/pipe( Part Number: AP4095314 made by WHIRLPOOL Tubing, regulator/pipe( Part Number: AP4095314 made by WHIRLPOOL
Maytag oven MGR6875ADB will not light and no clicking sound oven will not light and no clicking sound
Error message My Maytag model MGR6875ADB is giving me an error message: 5ab bath any suggestions?
Maytag Gemini double oven: MGR6875ADB natural gas model serial # XXXXX Large bottom oven does not fire-up. The temp shows on panel as on and gives the "preheat" temp of 100 but that is all that happens. I've tried all of the settings for the lower oven, convection, bake warm and clean, but have not had any ignition. Both range top and upper oven all ignite instantly and work fine. I have taken off the bottom cover and see no dirt or anything which might be blocking the gas ports. I did not remove or disconnect the burner, but I will if it need be. range was purchased 02/18/2005 from Home Depot. Can you give me any ideas that might help me fix this problem?
GM- I have a Gemini double oven - gas. The last 2 times we tried to bake something, the bottoms burned on the biscuits/food within 5-6 mins; I'm guessing it's the heating element? I took of the bottm plate and the 'V' shaped panel, but now I'm stuck as to what to replace? Is it a DIY project?
Maytag Gas Double Oven Precision Touch 850 (model MGR6875ADB). Lower oven and convection fan will not go on. rangetop burners, upper oven, and keypad all appear to function correctly.
I have a maytag model #MGR6875ADB . T HIS MODEL HAS 2 OVENS. The bottom oven main burner comes on but turns on and off every 20 seconds. Any suggestions?
Just ordered a MGR6875ADB oven. Question is: What clearances exist on the rear of the oven, i.e. does the oven have a "concavity" or space in the rear at the floor level to accommodate both an electrical box and down vent from microwave. Does a diagram exist to specify the installation requirements? thanks, XXXXX XXXXX
So a small flame started to shoot out from underneath the rear right back control knob on my Maytag Gemini. This was after is had been making a constant clicking noise, like it was trying to light. This also blew the circuit for the oven. Repairable or an I going to need new oven?
Maytag MGR6875ADB oven oven control works sometimes and then it wont work