Gibson Gas Range MGF354CGSC Timer Repair

What is the timer/clock part number for the Gibson MGF354CGSC Gas Range?

Timer part number 316101102 for Gibson MGF354CGSC

The MGF354CGSC Gas Range uses timer part number 316101102.

Do you have a failed Gibson MGF354CGSC control panel? Click here:

Request Appliance Timer Service

We can repair or replace your faulty Gibson MGF354CGSC timer.

MGF354CGSC are also sometimes referred to using these Alternative Names/Model numbers

Electrolux MGF354CGSC Gas Range, P5995323101

MGF354CGSC Schematic and Wiring Diagrams

Cover Parts diagram
MGF354CGSC Gas Range Cover Parts diagram
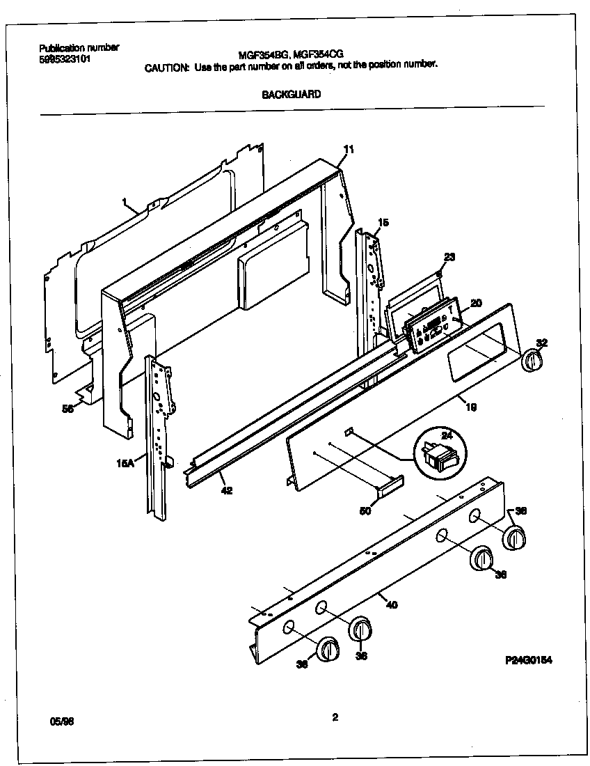
Backguard Parts diagram
MGF354CGSC Gas Range Backguard Parts diagram
Burner Parts diagram
MGF354CGSC Gas Range Burner Parts diagram
Body Parts diagram
MGF354CGSC Gas Range Body Parts diagram
Top/drawer Parts diagram
MGF354CGSC Gas Range Top/drawer Parts diagram
Door Parts diagram
MGF354CGSC Gas Range Door Parts diagram
Wiring diagram Parts diagram
MGF354CGSC Gas Range Wiring diagram Parts diagram

Common problems for Gibson Gas Range MGF354CGSC Timer Repair

Are you encountering a similar problem as them? Contact us now and we will try to help you fix your MGF354CGSC timer-related problem.
hello there, hope you can point me in the right direction. I have the gas range in a rental ,which my father owns, and I have to troubleshoot why the oven doesnt work? Any suggestions? The igniter is heating up , I do smell gas, the top burners work? so what the problem be? Im ready to pull it out of the rental, to get into her? But i need direction? I got my voltmeter ready?? just point me in the right direction?
I have a frigidaire gas oven. Apparently the las few days the oven wasnt heating at all. I replaced the igniter and now when we go to start the oven it takes about am minute then poof when it lights. like a mini-explosion. I know the igniter is now working because you can see it glowing. but what could be causing this? Bad regulator? Something blocking the pilot light or gas line? Any ideas , Id sure like to hear them. Hate to spend $65 for a regulator if thats not the problem.