Maytag MEW6527CAS Timer Repair

What is the timer/clock part number for the Maytag MEW6527CAS Range?

Timer part number 74009195 for Maytag MEW6527CAS

The MEW6527CAS Range uses timer part number 74009195.

Do you have a failed Maytag MEW6527CAS control panel? Click here:

Request Appliance Timer Service

We can repair or replace your faulty Maytag MEW6527CAS timer.

MEW6527CAS are also sometimes referred to using these Alternative Names/Model numbers

Whirlpool MEW6527CAS Range

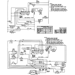
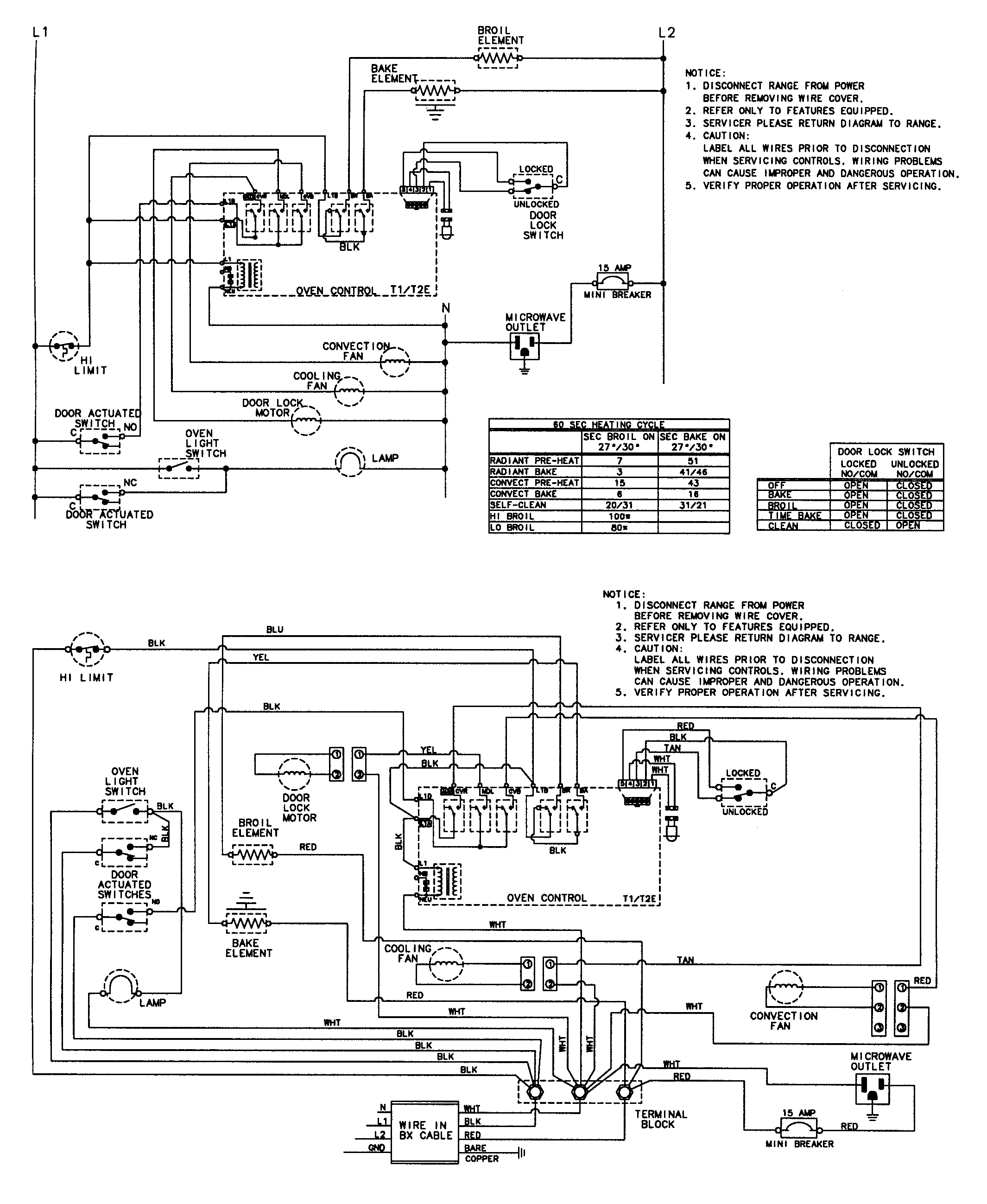
MEW6527CAS Schematic and Wiring Diagrams

Control panel Parts diagram
MEW6527CAS Range Control panel Parts diagram
Internal controls Parts diagram
MEW6527CAS Range Internal controls Parts diagram
Body Parts diagram
MEW6527CAS Range Body Parts diagram
Oven Parts diagram
MEW6527CAS Range Oven Parts diagram
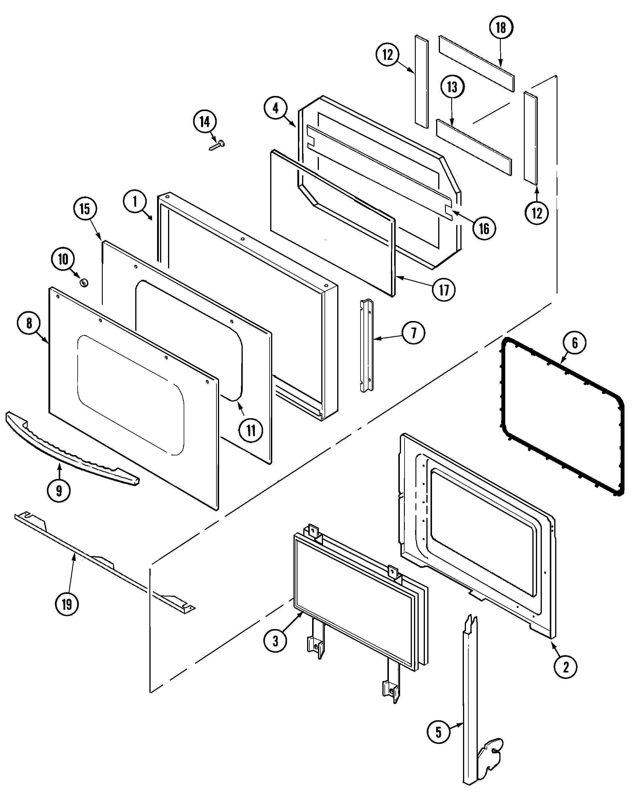
Door Parts diagram
MEW6527CAS Range Door Parts diagram
Wiring information Parts diagram
MEW6527CAS Range Wiring information Parts diagram

Common problems for Maytag MEW6527CAS Timer Repair

Are you encountering a similar problem as them? Contact us now and we will try to help you fix your MEW6527CAS timer-related problem.
I bought this oven a little over a year ago. Recently, when using the oven at a temperature above 325 degrees the oven will reach the desired temp then cut off a few minutes later. When it cuts off, it beeps with two quick beeps, flashes "bake" continuously and the oven light goes out for a moment or two. I am unable to use the oven until the oven light starts working again. We don't experience this every time we use the oven. The control board has been replaced twice so I don't think it is the cause of the problem. We don't experience this problem when the temperature is set at or below 325 degrees. AndreDW
My two year old oven won't bake or broil. Everthing else on the touchpad works. I cleaned the ribbons from the touch pad to the h1 control (clock)panel. I replaced the h1 control. The problem still exists. Do the touch pads wear out. What is the next step to diagnose the problem? There are no error codes.
I have a Maytag Gemini double oven oven (MER6875AAS). The control panel quit working when trying to start self-cleaning oven process. The control panels the correct time but none of the buttons on the touchpad work. No error codes show on the display. Any Hints or advice on how to fix this will be appreciated.
I found this outdated information for the identical problem that I have. I have tried two control boards with no change in the problem. The links in the previous answer do not work. Looking for a solution. I have a Maytag builtin 30" oven, Thetouchpad will not beep when I depress the Bake button, The 6 numeral, or the 9 numeralthe oven light button does not beep either. The Broil feature works as well asthe keep warm warm feature which tells me both elements (broil top,and Bake lower areworking. All the other buttons beep when depressed.I am wondering if this could be a Control panel issue part ap3495120, or couldthe clock, part ap3127552 be causing the control panel to not beep. Both partsare over a hundred dollars and where I live it is a 50 dollar surcharge on topof a 90 dollar inspection fee...very pricey. I do almost allAny help would be appreciatedas I am not a rich person. Is there a way to check the control panel functions?or is blind guess and keep replacing parts the accepted
bake element will not work ,rep[laced with a new one and nothing..... please help
The 4 cooktop radiant burners cycle on and off at any heat setting-is this normal-it has infinite controls.
I purchased my oven about a year and a half ago and I'm currently having a problem that I think may have to do with the clock or part #AP4099018, but I'm not 100% sure. If I set my oven at 350 it might heat up to the temp and it might not, it's inconsistent. If I use a temp of 400-450 the bake light begins flashing after about 10 mins. If I shut the off oven off and turn it back on the temp may only be in the lower 300's. Or I may be able to use it at 350, but after about 10-15 mins it starts to lose temp. I'm not sure if the above listed part would fix my problem. What do you think?