Maytag Range MER6772BAW Timer Repair

What is the timer/clock part number for the Maytag MER6772BAW Range?

Timer part number 74006213 for Maytag MER6772BAW

The MER6772BAW Range uses timer part number 74006213.

Do you have a failed Maytag MER6772BAW control panel? Click here:

Request Appliance Timer Service

We can repair or replace your faulty Maytag MER6772BAW timer.

MER6772BAW are also sometimes referred to using these Alternative Names/Model numbers

Whirlpool MER6772BAW Range

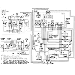
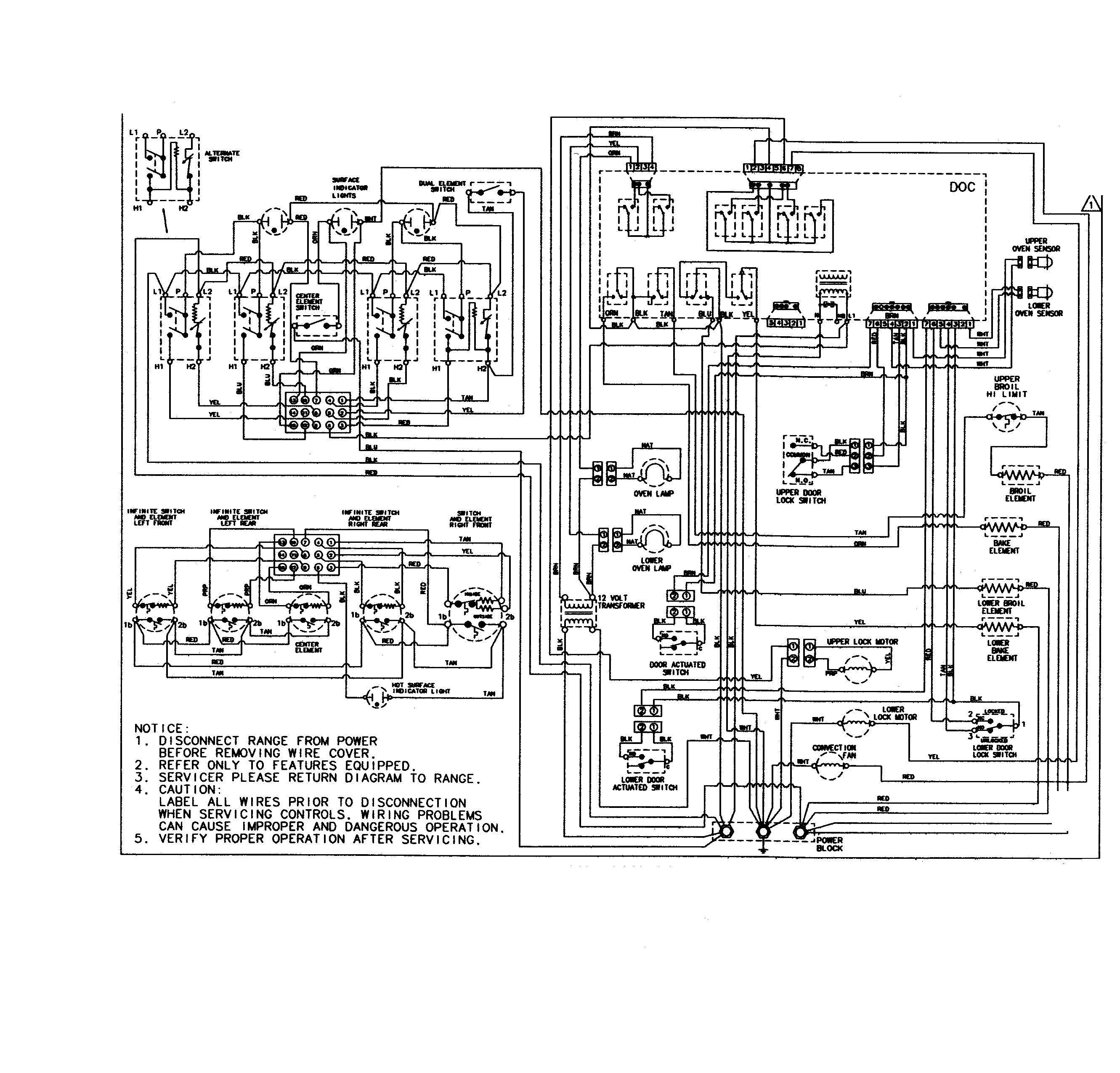
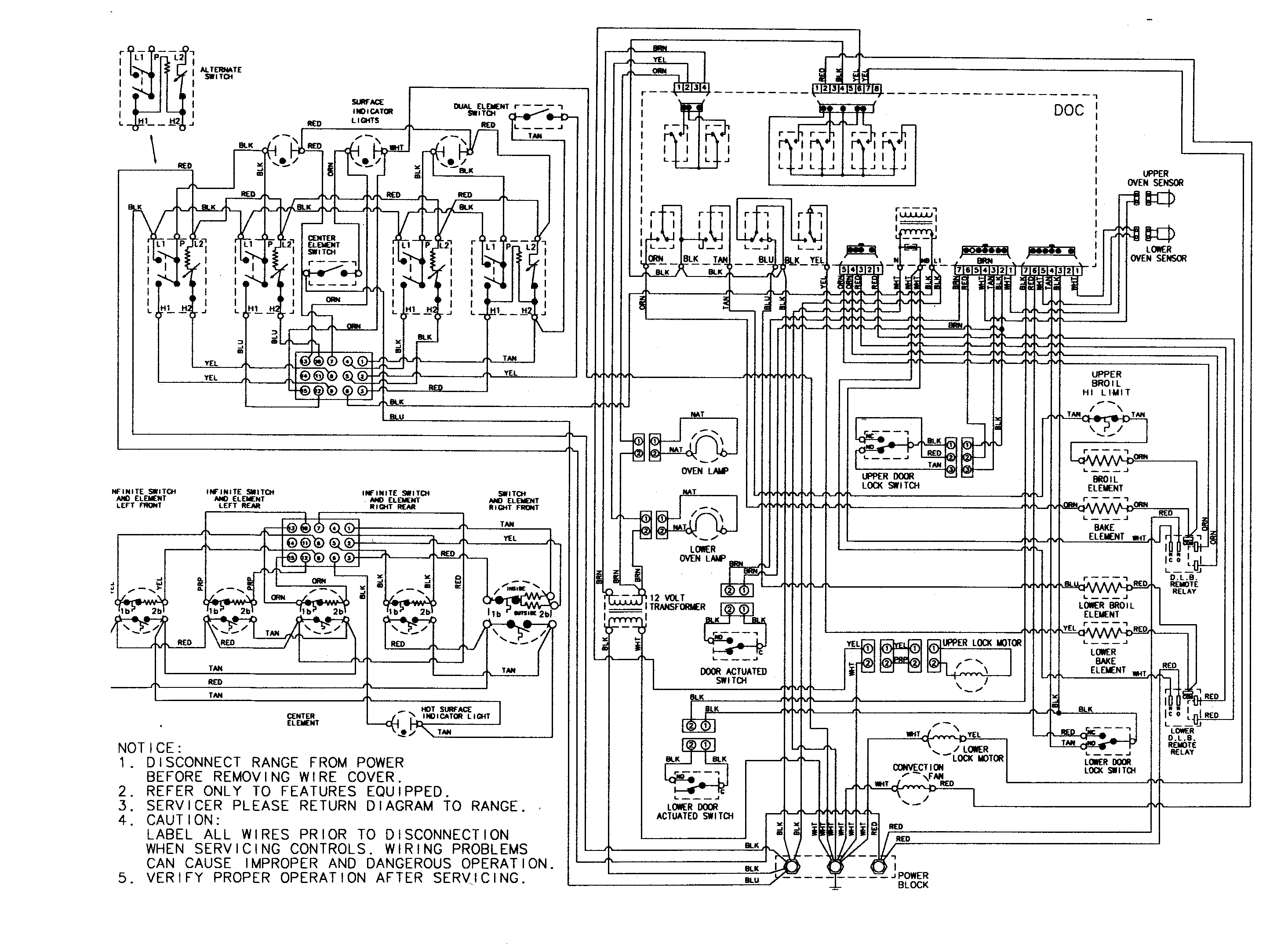
MER6772BAW Schematic and Wiring Diagrams

Control panel Parts diagram
MER6772BAW Range Control panel Parts diagram
Top assembly Parts diagram
MER6772BAW Range Top assembly Parts diagram
Door (upper-bab/baq/baw) Parts diagram
MER6772BAW Range Door (upper-bab/baq/baw) Parts diagram
Body Parts diagram
MER6772BAW Range Body Parts diagram
Oven Parts diagram
MER6772BAW Range Oven Parts diagram
Door (lower-bab/baq/baw) Parts diagram
MER6772BAW Range Door (lower-bab/baq/baw) Parts diagram
Wiring information Parts diagram
MER6772BAW Range Wiring information Parts diagram
Wiring information (at various series) Parts diagram
MER6772BAW Range Wiring information (at various series) Parts diagram

Recent Service Requests

CityProblem DescriptionResolution
Puyallup, WashingtonNone of keypad works, just beeps.Awaiting receipt of timer
Shawnee, Kansaslower oven lower element does not heat. element has conductivity. voltage from timer is not available.Awaiting receipt of timer
National City, CaliforniaOVENS WILL NOT HEATAwaiting receipt of timer
Orem, UtahThe upper heating element does not heat up but the element has continuity. The relay on the timer board is not switching.Awaiting receipt of timer
Lexington, MissouriNo Heat from main oven - loose voltage at relay on control board. Relay has failed. Also beleive this is partselect.com part number PS2357564Awaiting receipt of timer
Lexington, MissouriNo Heat from main oven - loose voltage at relay on control board. Relay has failed. Also beleive this is partselect.com part number PS2357564Awaiting receipt of timer
Pasadena, MarylandI believe the transformer has blownReplaced with reconditioned timer

Common problems for Maytag Range MER6772BAW Timer Repair

Are you encountering a similar problem as them? Contact us now and we will try to help you fix your MER6772BAW timer-related problem.
Maytag Gemini model mer6772baw,temps in both ovens appear to be approx 50 degrees higher than set temp.Any ideas?
We have a Maytag Gemini Electric oven (Double oven model MER6772BAW). The upper oven has stopped heating up properly. The broil element is heating, but not the bake element. We replaced the bake element two weeks ago, thinking that was the problem, but it still doesn't work. Every thing else on the oven works fine. Any information would be appreciated. I miss my oven!
I have a Maytag Gemini electric oven. Model #MER6772BAQ. Lower oven does not heat. It starts at 100 and climbs very slowly to 165 and thats about it. If you want to wait an hour or so, it might get to 200. Upper oven and range top work normally. This has happened two previous times in the past 5 years. Both time I did some testing and verified it needed a control board. This time, I didn't do any testing. I just put a new board in it. This time that did not fix it. Did I get a bad board or is there another problem? Thanks for any help.
Maytag Gemini Electric oven model MER6772BAW Upper Oven has two heat elements only top element heats . Upper oven does not hold temperture. Only top element heats on toasting program. I have replaced lower element,did not help. Did program check code display F1-7.
Hello, I have a maytag gemini MER6772BAW and the control panel is having trouble. some #s work (1,2,3) the rest do not. also the bake button works but toastig broil clean do not. any ideas on where to start would be great
We have a Maytag Gemini oven - Model No. MER6770AAQ we are unable to use the oven, as we continually get error code F9-5, which means (from the manual) - SUSPECT FAILURE AREA "Latch Unlock Lower" my question is, do i need to call a repair person, or can i fix this myself? If i can fix it, what do i do?
I have a Maytag double oven oven Model #MER6772BAW. The bottom element in both ovens will not heat. I cannot find any heating element defects. Both top elements work. The screen does not give me any error codes. Can your help me? Hal Croft XXX-XXX-XXXX Logan Utah
I have a Maytag Gemini Electric range, Model #MER6772BAW. The glass top has cracked in 4 different directions w/ a popping noise. I have contacted Maytag and they will ship a replacement to me. Can I replace myself? Can you give me some instructions to do so?
I replaced the lower element (bake) because the old one was visibly burned out. But I still can't get the element to heat. I saw on another post that Maytags do this sometime and that the culprit might be a control/clock which may also have shorted out. Does anyone know how do correctly diagnose this problem?
how do you raise the surface on a maytat how do you raise the glass surface on a maytag Mer6772baw oven
After baking clicked on "cancel" to shut down ,but oven stayed on . Is this a clock problem ? is there a reset ? Please help
The lower bake element in my Maytag Gemini Electric oven burnt out (literally blew up). I replaced the element which I purchased from Maytag. The element does not heat up. There is no electricity going to the element. Checked it with a multi-meter. Any idea what else may need to be replaced?
Code F1-1 runaway range, upper oven Code F3-1 temp sensor , upper oven I changed both oven temperature sensors. I still get a F1-1 after about 10 minutes operating . When I cancel and shut the oven off, the ranges still beeps and shows the code. It seems that the fault code keeps showing after the cancellation. Subsequently the F3-1 code displays. I reinstalled the sensors and still get the codes. Is the the key pad the next item to replace. This is costly about $300.....should pursue or look for some other problem..
The ovens fail to work after the cleaning cycle - displays says "call service". Now both ovens will not operate and neither do the clocks.
Electric clock fades on and off . When the clock is on both ovens work. When the clock is off the ovens do not work. Please advise as to the part(s) I need to fix the problem. Cold Meat
The bake element of my Maytag oven burnt out. I have replaced the element with a new one and now the new one will not heat up. Everything else seems to be working. Broil, range top, clock, clock ect.
I received the replacement clock (control board) from appliancepartspro.com and have a question regarding installing it. My question pertains to the black jumper wire. Step #8 says if the jumper wire has a piggy back terminal (which mine does), the terminal needs to be removed. Step #10 says to crimp the 2 wires to the terminal included with the kit. Which 2 wires is it referring to? Do I simply cut the terminal (w/ piggy back) off of the jumper wire and crimp on the new connector (w/o piggy back). Then to reinstall do I plug the jumper wire onto the spade terminal labled "B*"?
I have a maytag gemini electric double oven with a glass cooktop. The control panel will not let me choose any function. The control panel works but I cannot set it or choose any cook options. All the buttons are dead except the "3". The cooktop works just fine. This sounds like the control panel is no good to me. I took the top panel off and can get to the control panel no problem, after I unplugged the oven of course. Since the control panel is $235 plus shipping I would like to be as sure as possible that this is the bad component. Any input would be greatly appreciated. Cliff M. Anderson