Jenn-Air Slide-In Gas Range JGS8750ADB Timer Repair

Jenn-Air JGS8750ADB Slide-In Gas Range Features:

Jenn-Air JGS8750ADB Slide-In Gas Range
  • Smart Port design keeps flame away from grates to heat the pot instead of the grates.
  • Electronic clock with two timers provides a sleek look and easy operation.
  • Electronic touch controls with keypad entry ensure precise time and temperature settings.
  • Integrated control panel with no trim or frame adds style and is easy to clean.
  • Customized control options let you adjust temperature, language, time, scroll speed and more.
  • Four sealed gas burners ensure that spills stay on top for easy clean-up.
  • Contiguous, porcelain-on-cast-iron grates are durable and stylish.
  • Curved styling with floating glass door provides a sleek, sophisticated appearance.
  • Flush cooktop styling provides a sleek, streamlined look that enhances any kitchen decor.
  • Large Panaview™ window, one of the largest in the industry, makes it easy to see inside.
  • Available in black, white or stainless steel.
  • Convenient storage drawer provides extra space for pots, pans, lids and more.
  • High performance 12,000 BTU burner offers quick heat-up for boiling.
  • Electronic ignition with Flame-Sensing™ re-ignition ensures reliable performance.
  • Conventional bake, roast and broil capabilities provide maximum cooking flexibility.
  • Self-clean feature with auto-lock makes cleaning the oven safe and hassle-free.
  • Delay-start cooking and cleaning puts your oven to work while you're doing other things.
  • Variable temperature control broiling lets you adjust temperature from 350° to 550°.
  • 4.0 cu. ft. oven makes it easy to fit an entire meal inside.
  • Even-Oven™ electric assist element enhances top browning, provides even broiling.
  • Simmer burner maintains lower temperatures for delicate sauces and melting chocolate.
  • Infinite surface control settings provide pinpoint temperature control for gourmet cooks.

What is the timer/clock part number for the Jenn-Air JGS8750ADB Slide-In Gas Range?

Timer part number 1009021 for Jenn-Air JGS8750ADB

The JGS8750ADB Slide-In Gas Range uses timer part number 1009021.

Do you have a failed Jenn-Air JGS8750ADB control panel? Click here:

Request Appliance Timer Service

We can repair or replace your faulty Jenn-Air JGS8750ADB timer.

JGS8750ADB are also sometimes referred to using these Alternative Names/Model numbers

Maytag JGS8750ADB Slide-In Gas Range, Whirlpool JGS8750ADB Slide-In Gas Range

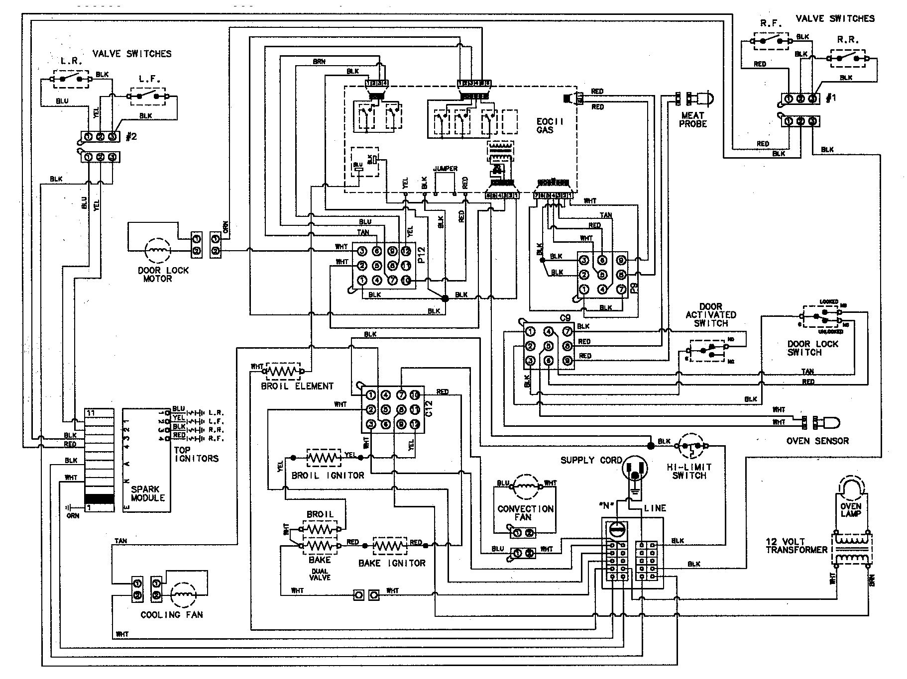
JGS8750ADB Schematic and Wiring Diagrams

Top assembly Parts diagram
JGS8750ADB Slide-In Gas Range Top assembly Parts diagram
Body Parts diagram
JGS8750ADB Slide-In Gas Range Body Parts diagram
Oven/base Parts diagram
JGS8750ADB Slide-In Gas Range Oven/base Parts diagram
Gas controls Parts diagram
JGS8750ADB Slide-In Gas Range Gas controls Parts diagram
Door/drawer Parts diagram
JGS8750ADB Slide-In Gas Range Door/drawer Parts diagram
Wiring information Parts diagram
JGS8750ADB Slide-In Gas Range Wiring information Parts diagram

Recent Service Requests

CityProblem DescriptionResolution
Escondido, CaliforniaF1-8Awaiting receipt of timer
Winnipeg, ManitobaOven set at 300 degrees or more - lights ok - shuts off & won't light again - code F3-1 plus signal plus fan comes on - changed the sensor twice - ohm checked 1091 on the sensor & wiring appears ok-Repaired
Vancouver, British ColumbiaF1 code appeared and oven temp sensor was replaced as a preliminary test. code reappeared after temp sensor was replaced indicating control board problem.Timer inspected, no repairs necessary

Common problems for Jenn-Air Slide-In Gas Range JGS8750ADB Timer Repair

Are you encountering a similar problem as them? Contact us now and we will try to help you fix your JGS8750ADB timer-related problem.
hi , range says F-9 which could mean door latching mechanism or clock . bake ignitor glows for 5seconds then f-9 shows ,nowis there away to disconnect power to latch from clock to elliminate f-9 code +allow oven to work, she does not mind not havingself clean,that is if problem is with latch+not clock, or is it not possible to remove circuit from clock.
Our JennAir oven/oven which is about 10 years old, is having difficulty keeping accurate time and temperature. It's model JGR8850BDW, serial 10042391ZQ. Can it be fixed?
I am having repeated problems with the key pad on my Jenn Air range (model JGS8750BDB). The range is less than 2 years old (but out of warranty of course). We had a power surge in July that fried the control panel (also took out our washing machine) and waited 4 months to get the new part (the entire front panel that contains the keypad, screen, and computer board). It has been approximately 2.5 months.. and we are having the same problem again, except without an obvious power problem. The keypad does not work - we cannot turn on the oven, adjust the clock, use the clock, turn on the oven light, or use any number higher than 6. It started this evening after my husband turned on the oven - he tried to set the clock, but it would not work. We had to trip the breaker to turn the oven off. I am extremely frustrated with this appliance ... how come the control panel stops working... and how come it takes so long for Jenn Air/Maytag to make the part available? Is it worth repairing...again?
After using the auto cleaner, the oven displayed the door locked and F1 error code. Using various web sites to diagnose the problem, was instructed to replace the clock / erc. Did that and still have the same code. Manually reset the auto door locker and now just have the F1 code. What's next
The numbers 3,6,9 will not work on my touchpad. Everything else does. Before I start ripping things apart, is this usually one part that must be replaced? I found a circuit board clock on a part replacement page, but I want to be sure this is the problem before I order it. Could it be something else? Help I can't set my oven to 350 to bake!!!
I bought a used oven after my other one failed and back to where I started. The oven just simply turns on by itself. Any ideas on how I would approach this problem and what it might be?
The display beeps has F1-F8
The initial problem was that the baking ignitor was not working, i changed the following: The baking ignitor clock control kit Control valve The baking section of the oven worked for few minutes and then shut off. not sure what else could be wrong. Please advise. Joe
My Jenn-Air oven takes a long time to preheat and then has problems with the heat once the door is opened.
I have an F1-8 error on my oven display. How do I found out what that means and how do I reset it?
HOW TO REMOVE AND INSTALL NEW CONTROL PANEL JENN AIR MOD JGS8750ADB
We have a jenn oven gas top the top of the oven is working , but the oven does not. The display is a touch pad and it is not working, but the clock is. Any help you can provided is appreciated.
i HAVE A JENNAIR SLIDIN range. THE OVEN COMES ON FOR ABOUT 15-20 MINUTES AND THEN TURNS OFF AND THE clock AND EVERYTHING TURNS OFF EXCEPT THE BURNERS. i CHANGED THE SENSOR BUT THAT'S NOT IT. CAN YOU HELP ME?