What is the timer/clock part number for the General Electric JGBP79WEV4WW Gas Range?
The JGBP79WEV4WW Gas Range uses timer part number wb12k19.
Do you have a failed General Electric JGBP79WEV4WW control panel? Click here:

We can repair or replace your faulty General Electric JGBP79WEV4WW timer.
JGBP79WEV4WW are also sometimes referred to using these Alternative Names/Model numbers
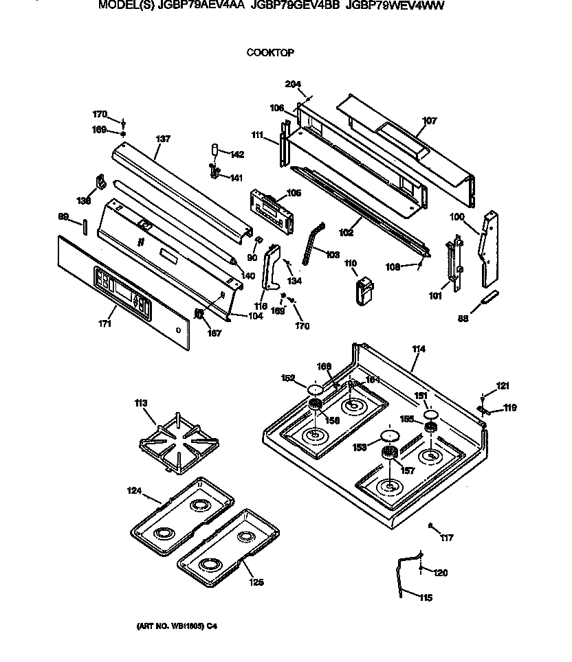
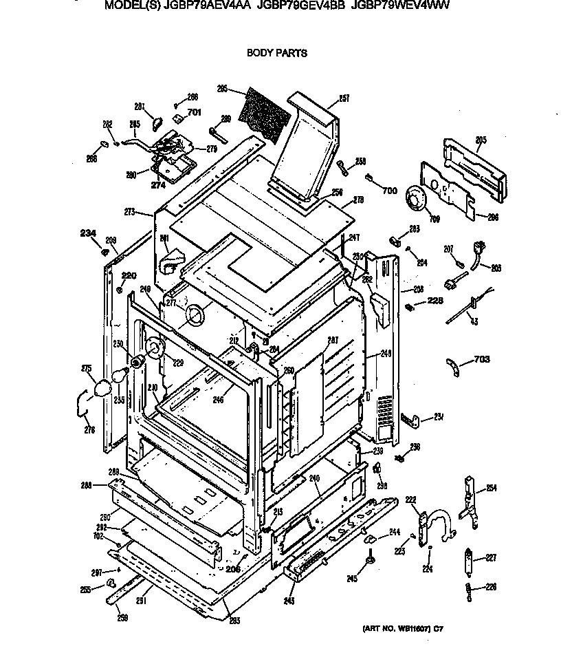
GE JGBP79WEV4WW Gas Range
JGBP79WEV4WW Schematic and Wiring Diagrams
| City | Problem Description | Resolution |
|---|
| Calgary, Alberta | No control buttons work | Timer inspected, no repairs necessary |
| Miami, Florida | Timer alarm comes on on its own. Failure Code F1 displayed. No pre set or any other functions activated. Unable to turn off or set oven temperature and timer. LED display faint. All other functions work. Have unplugged the stove. | Timer inspected, no repairs necessary |
| Elgin, Illinois | El orno no prende . | Awaiting receipt of timer |
| Elgin, Illinois | El orno no prende . | Awaiting receipt of timer |
| Oakville, Ontario | Our GE gas range is showing an F1 code. It is beeping, and we have to turn to power off just to get it to stop. Resetting the range by pressing the cancel button down for a period of time does not work. | Awaiting receipt of timer |
| Vancouver, British Columbia | dead - no indication from panel | Awaiting receipt of timer |
| delta, British Columbia | LED display not working. All itger functions work. Unable to set oven tem/timer No visible display. | Repaired |
| Markham, Ontario | Beeping sound coming from stove with F1 flashing on display. When I pushed the clear button the display shows the time then within a minute the beeping reoccurs. I disconnected the Ribbon Cable from control panel and waited about 30 minutes to see if the Code came back and it does. | Repaired |
| Freeport, Maine | Display and controls Stopped functioning | Repaired |
| WARWICK, Rhode Island | THE OVEN TEMPERATURE AND TIMER CONTROL(S) ARE DIFFICULT TO SET. WHEN PRESSING THE (+) OR (-) BUTTONS, THE DISPLAY DIGITS FLUCTUATE WILDLY. I CANNOT INCREASE OR DECREASE THE OVEN TEMPERATURE NOR THE HOURS AND MINUTES IN GRADUAL INCREMENTS.
THIS PROBLEM STARTED AFTER WE REGAINED OUR ELECTRIC POWER FOLLOWING HURRICANE IRENE. | Repaired |
Common problems for General Electric Gas Range JGBP79WEV4WW Timer Repair
Are you encountering a similar problem as them? Contact us now and we will try to help you fix your JGBP79WEV4WW timer-related problem.