General Electric Gas Range JGBP35GEP2WG Timer Repair

What is the timer/clock part number for the General Electric JGBP35GEP2WG Gas Range?

Timer part number WB12K0005 for General Electric JGBP35GEP2WG

The JGBP35GEP2WG Gas Range uses timer part number WB12K0005.

Do you have a failed General Electric JGBP35GEP2WG control panel? Click here:

Request Appliance Timer Service

We can repair or replace your faulty General Electric JGBP35GEP2WG timer.

JGBP35GEP2WG are also sometimes referred to using these Alternative Names/Model numbers

GE JGBP35GEP2WG Gas Range, JGBP35GEP2

JGBP35GEP2WG Schematic and Wiring Diagrams

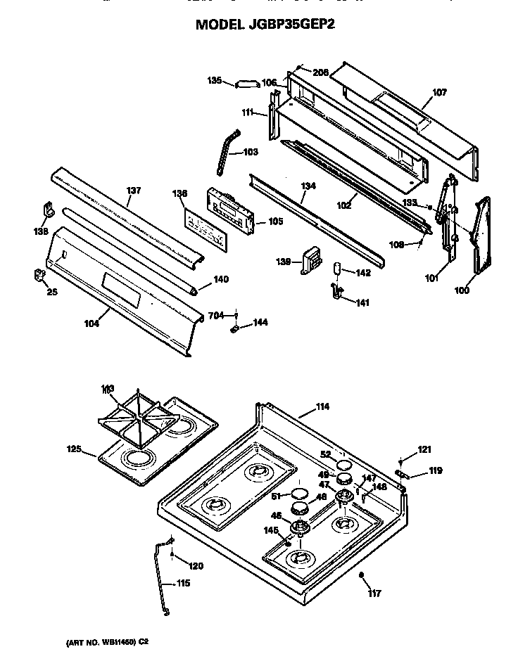
Control and cooktop Parts diagram
JGBP35GEP2WG Gas Range Control and cooktop Parts diagram
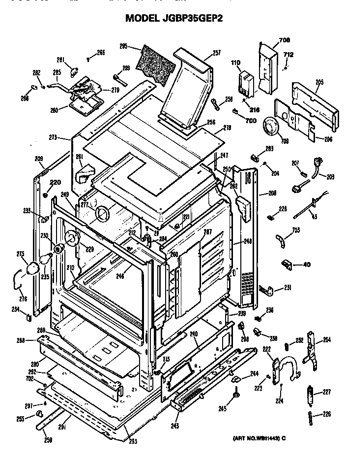
Cabinet Parts diagram
JGBP35GEP2WG Gas Range Cabinet Parts diagram
Door and drawer Parts diagram
JGBP35GEP2WG Gas Range Door and drawer Parts diagram
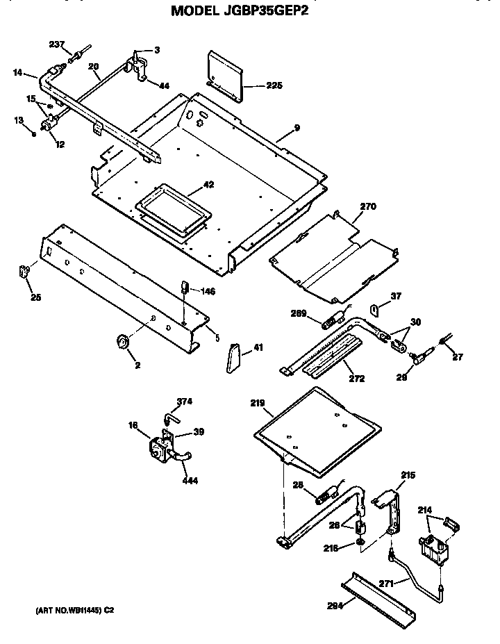
Burner assembly Parts diagram
JGBP35GEP2WG Gas Range Burner assembly Parts diagram

Recent Service Requests

CityProblem DescriptionResolution
West Allis, WisconsinDoesn't control temperature properlyRepaired
Saskatoon, SaskatchewanIntermittent. Oven fires, starts to heat, beeps & flashes F1. Shut oven off, turn back on, and it works again for awhile, then the whole process begins again.Repaired
Norwalk, ConnecticutF1 ERROR, DOES NOT RESET EVEN AFTER POWER OFF FOR HOURSRepaired
London, OntarioBeeping sound F1 displayedRepaired
Bryn Mawr, PennsylvaniaAwaiting receipt of timer
Hudson, OhioERC does not attain set temperature. Off by >100 degrees.Repaired

Common problems for General Electric Gas Range JGBP35GEP2WG Timer Repair

Are you encountering a similar problem as them? Contact us now and we will try to help you fix your JGBP35GEP2WG timer-related problem.
Oven door is stuck in the lock position. GE model # XXXXX
I have a 16yr old GE range in great condition. One burner doesn't light because it fails to activate the spark ignition. When activated, all four burners are sparked simultaneously. When activated by one of the other burners, this burner sparks and can be lit if turned on while sparking. So.. the spark works, the gas valve works but the valve seems to be failing to start the ignitor. I removed all the burners and raised the top but couldn't get at the valves themselves. Any suggestions besides live with it or get a new range?
instructions on how to replace door handle and end caps on GE Model JGBP35GEP2WG
The glow coil comes on, burners ignite until temp is almost reached but then goes off and won't come back on. glow coil never goes off again.
My oven lights but will not stay hot. says temp is 350 but was just maybe 150 deg inside (touchable). oven temp/thermometer resistance is between 1000-1100 ohms at room temperature. is it the computer? Jgbp35gep2wg