Frigidaire Electric Range FEFL89CCB Timer Repair

What is the timer/clock part number for the Frigidaire FEFL89CCB Electric Range?

Timer part number 316207620 for Frigidaire FEFL89CCB

The FEFL89CCB Electric Range uses timer part number 316207620.

Do you have a failed Frigidaire FEFL89CCB control panel? Click here:

Request Appliance Timer Service

We can repair or replace your faulty Frigidaire FEFL89CCB timer.

FEFL89CCB are also sometimes referred to using these Alternative Names/Model numbers

Electrolux FEFL89CCB Electric Range

FEFL89CCB Schematic and Wiring Diagrams

Backguard Parts diagram
FEFL89CCB Electric Range Backguard Parts diagram
Body Parts diagram
FEFL89CCB Electric Range Body Parts diagram
Top/drawer Parts diagram
FEFL89CCB Electric Range Top/drawer Parts diagram
Door Parts diagram
FEFL89CCB Electric Range Door Parts diagram
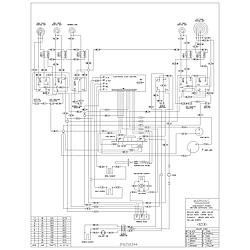
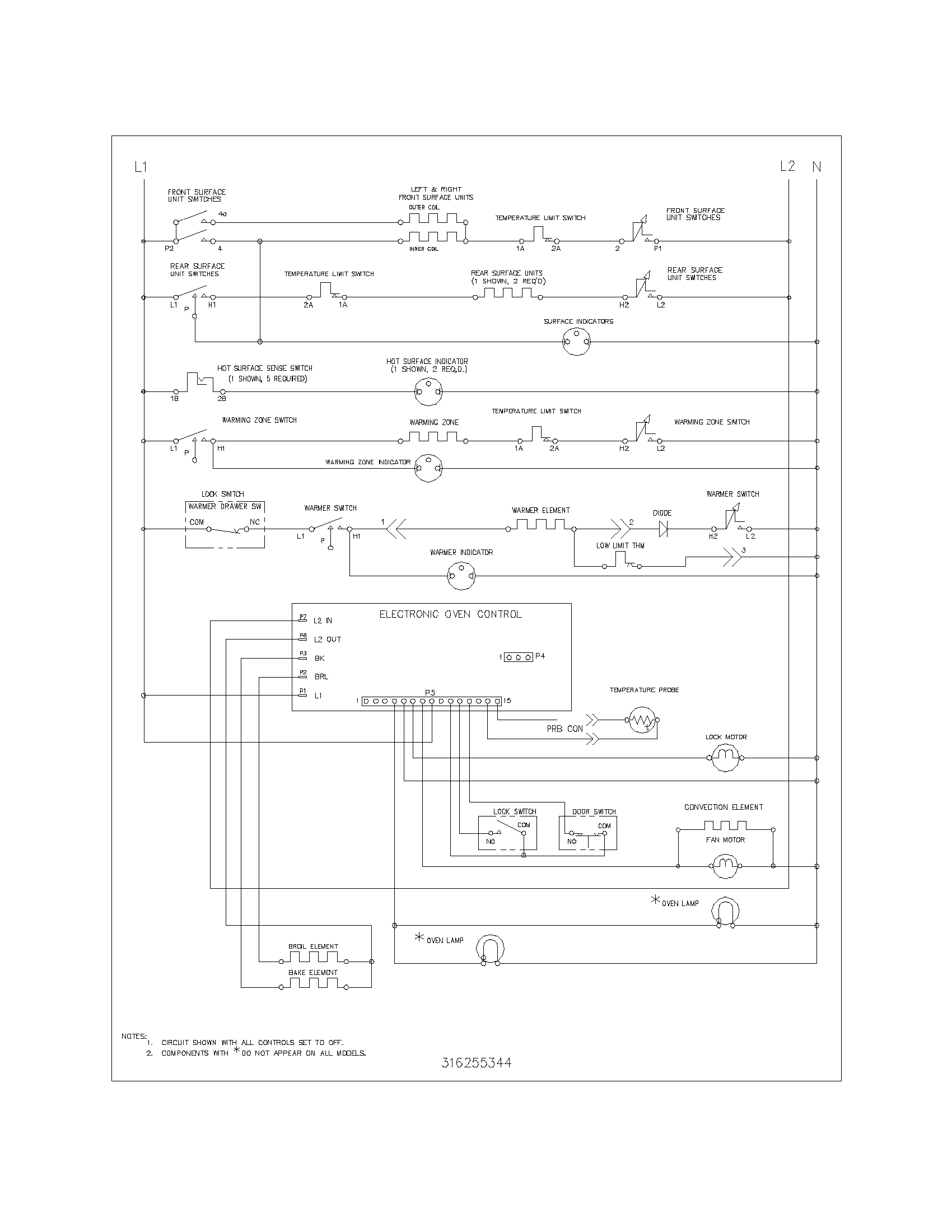
Wiring schematic Parts diagram
FEFL89CCB Electric Range Wiring schematic Parts diagram
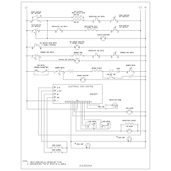
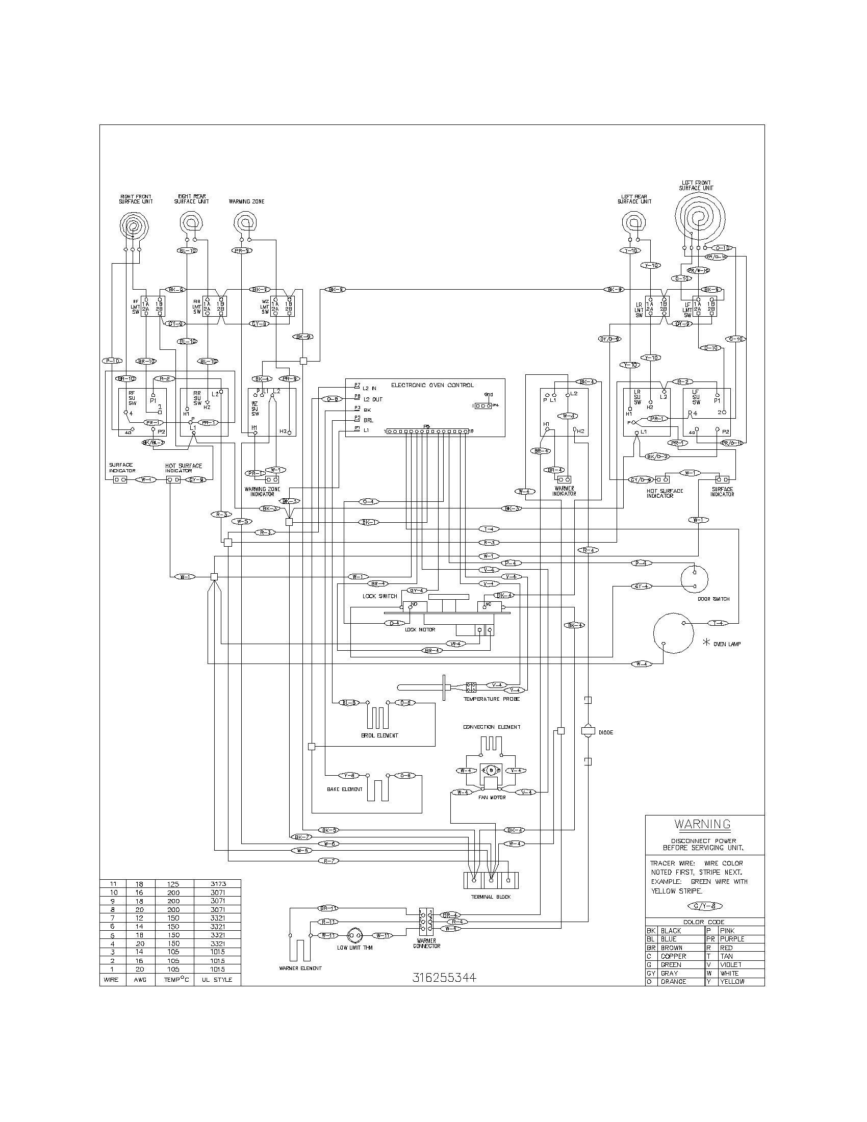
Wiring diagram Parts diagram
FEFL89CCB Electric Range Wiring diagram Parts diagram

Recent Service Requests

CityProblem DescriptionResolution
Caldwell, IdahoFlashing PF, all buttons are not responsive, can not figure out why. Not able to get PF code to go away since the key buttons do not respond. Would like to repair or replace with reconditioned unit. Thank youAwaiting receipt of timer
Kissimmee, FloridaAll items on the stove function except the oven. The element checks out and I have a new element as well. No power from timer to oven on either leg.Repaired
Herndon, VirginiaBoth oven elements stopped heating at the same timeRepaired
O'Fallon, IllinoisOven, clock and timer stop working. Stove top still work.Awaiting receipt of timer
chapel hill, North CarolinaStove top works, oven does not. Wife heard a pop and it stopped working. Controls all function.

note: I didn't know face came off with timer so disconnected ribbon connector; please make sure it is attached correctly
Replaced with new in-stock timer
GRANDVIEW, WashingtonBOTTOM CONTROL BUTTONS ARE NON RESPONSIVE AFTER LOUD "POP" SOUNDReplaced with reconditioned timer
Cantonment, Floridaclock and oven light work, but when setting oven to bake, broil, or convection bake, timer panel acts and sounds correct, but oven does not heat upReplaced with reconditioned timer
Vilas, North CarolinaOven was working and it threw trip. Now stovetop works but not oven. Not convection or regular oven. Tried unplugging appliance for 10 minutes but still same.Beyond Repair
Landrum, South CarolinaWhile setting oven temp the timer/clock started to smoke. Stove top works properly, clock shows numbers, but can not set the time, and no oven functions work.Repaired

Common problems for Frigidaire Electric Range FEFL89CCB Timer Repair

Are you encountering a similar problem as them? Contact us now and we will try to help you fix your FEFL89CCB timer-related problem.
I HAVE A FRIGIDAIRE SELF CLEAN oven,(FEFL89CCB) ALL AT ONCE THE SELF CLEAN WILL START THEN STOP(NO MOTOR RUNNING ETC) HELP PLEASE!!!!!!!!
I have a frigidaire even cook convenction oven/oven model FEFL89CCB. Yesterday while preheating it blew the fuse. I reset the breaker but it now flashes "PF" and 3 of the time digits work. The controls do not respond so I can not push clear/off as we would normally do. The range top elements do heat up though. Any ideas? Thanks.
MODEL NUMBER FEFL89CCB. THE OVEN WILL NOT HEAT I have tried it in all modes