Whirlpool Electric Range FEFL88ACC Timer Repair

What is the timer/clock part number for the Whirlpool FEFL88ACC Electric Range?

Timer part number 316207620 for Whirlpool FEFL88ACC

The FEFL88ACC Electric Range uses timer part number 316207620.

Do you have a failed Whirlpool FEFL88ACC control panel? Click here:

Request Appliance Timer Service

We can repair or replace your faulty Whirlpool FEFL88ACC timer.

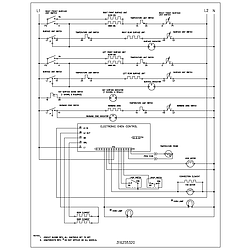
FEFL88ACC Schematic and Wiring Diagrams

Backguard Parts diagram
FEFL88ACC Electric Range Backguard Parts diagram
Body Parts diagram
FEFL88ACC Electric Range Body Parts diagram
Top/drawer Parts diagram
FEFL88ACC Electric Range Top/drawer Parts diagram
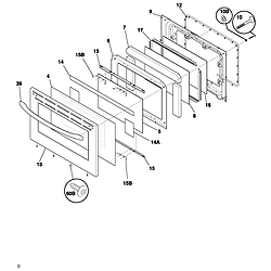
Door Parts diagram
FEFL88ACC Electric Range Door Parts diagram
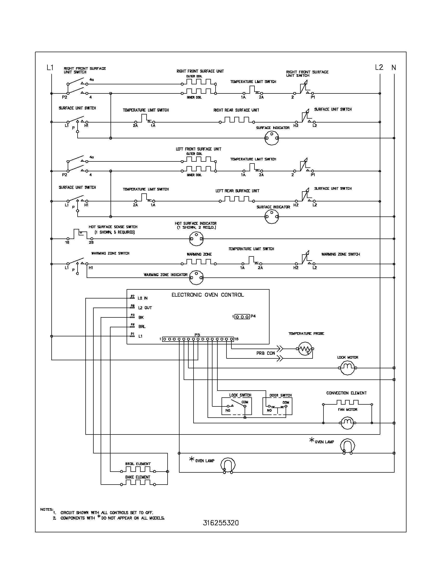
Wiring schematic Parts diagram
FEFL88ACC Electric Range Wiring schematic Parts diagram
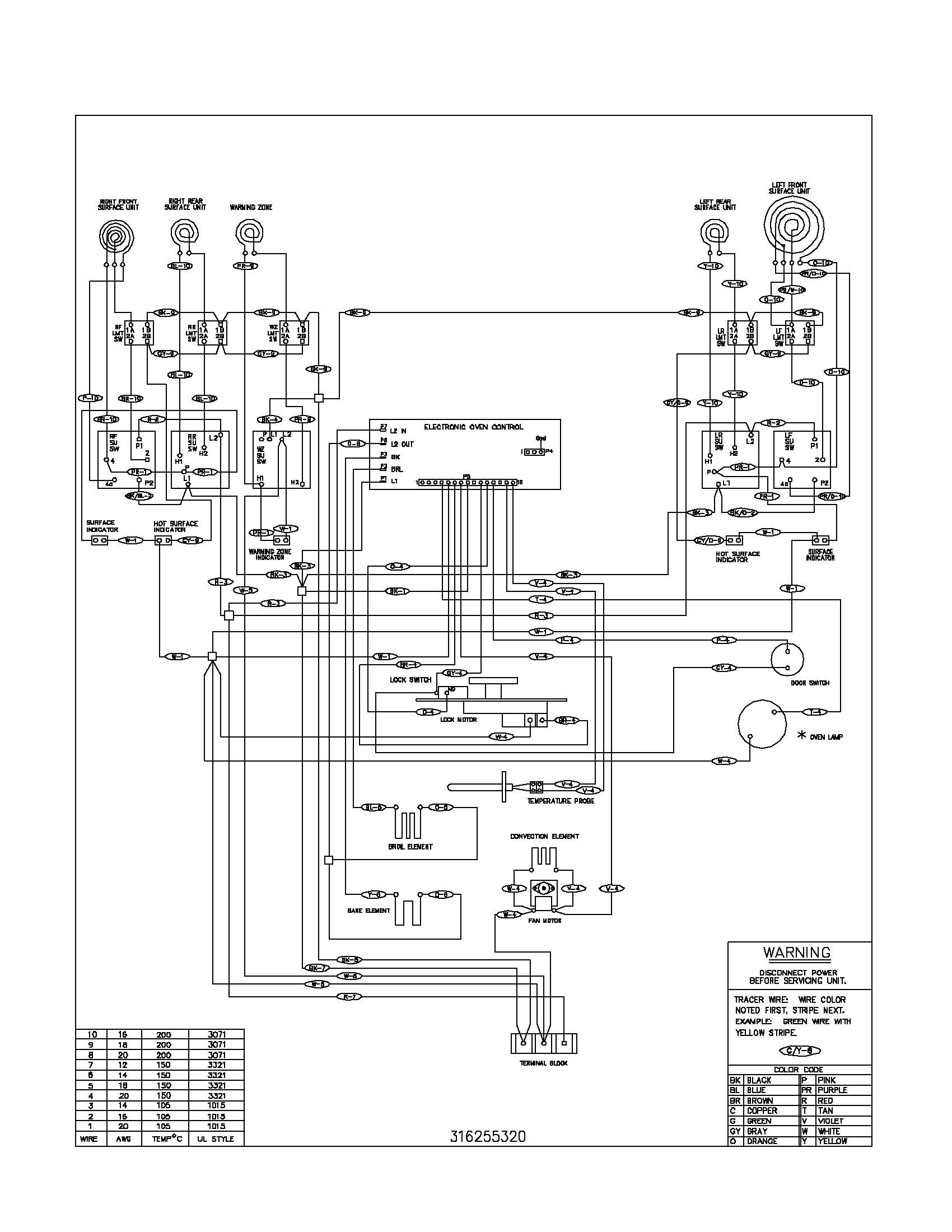
Wiring diagram Parts diagram
FEFL88ACC Electric Range Wiring diagram Parts diagram

Recent Service Requests

CityProblem DescriptionResolution
Kalamazoo, MichiganControl board made a VERY loud POP noise while oven was in self clean mode. It tripped the circuit breaker in the panel of the house. Upon removal of timer it was appearent that the timer had failed. the leg of the largest relay on the back had blown the soldier off from itself in what appears to be a rather violent explosion. Keypad function is all but gone, the clock button still makes an effort but all others are dead. Keypad overlay is black, (part #316243301 from what I can tell by researching it).Awaiting receipt of timer
Takoma Park, MarylandMy son saw a spark come out the back of the oven. After that, all buttons stopped working, even though the panel lit up as normal. All the burners still work (I guess they don't go through this unit).Repaired

Common problems for Whirlpool Electric Range FEFL88ACC Timer Repair

Are you encountering a similar problem as them? Contact us now and we will try to help you fix your FEFL88ACC timer-related problem.
Hello, I have a Frigidaire model FEFL88ACC oven. My son broke the glass top. I have a replacement top and want to change them out myself. The local repair guy want over $200 to do this. How do I do this myself?
Model ES400 After self cleaning for the 2nd time, the heating elements on top or bottom will not heat. Convection and range top still work.