Whirlpool DU8950XY2 Timer Repair

What is the timer/clock part number for the Whirlpool DU8950XY2 Dishwasher?

Timer part number 3369203 for Whirlpool DU8950XY2

The DU8950XY2 Dishwasher uses timer part number 3369203.

Do you have a failed Whirlpool DU8950XY2 control panel? Click here:

Request Appliance Timer Service

We can repair or replace your faulty Whirlpool DU8950XY2 timer.

DU8950XY2 Schematic and Wiring Diagrams

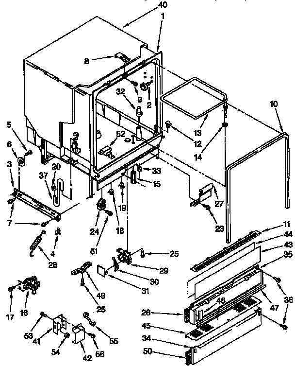
Frame and console Parts diagram
DU8950XY2 Dishwasher Frame and console Parts diagram
Inner door Parts diagram
DU8950XY2 Dishwasher Inner door Parts diagram
Tub assembly Parts diagram
DU8950XY2 Dishwasher Tub assembly Parts diagram
Pump and motor Parts diagram
DU8950XY2 Dishwasher Pump and motor Parts diagram
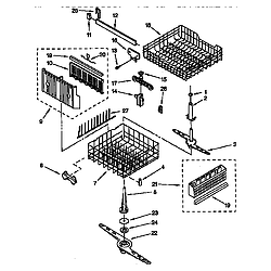
Dishrack Parts diagram
DU8950XY2 Dishwasher Dishrack Parts diagram

Common problems for Whirlpool DU8950XY2 Timer Repair

Are you encountering a similar problem as them? Contact us now and we will try to help you fix your DU8950XY2 timer-related problem.
Hi All, My Whirlpool dishwasher DU890SWLQ0 is acting up. The motor is not started, and the water does not drain. The motor has 4 pins, I tested continuity on the motor and it seem to be fine. Please advise what else do I need to test? Vua
I have a Whirlpool DU8700XY1 dishwasher that stopped during the light wash cycle. It made it thru the normal cycle and possibly the drain but the clock stopped just into the light cycle. It appears to have power, the door lights for the different settings work but the clock and the clean light don't work. When my wife started the dishwasher she said she could smell something getting hot like plastic starting to melt. I didn't see anything burnt but I could smell a faint oder of something hot. After reading some of the theads on the forum it kinda sounds like the door switch. Any help with this problem?
THe dish washer quit drying so I replaced the heating element. However; it still is not working properly. It gets a little warm but it won't get hot and dry. Is there perhaps a fuse related to the heating element that perhaps was my problem instead of the element itself? When I search for fuses there are several for this model and I am not sure what is the right part if any and where it is located.
Whirlpool dishwasher not draining. Here's what I confirmed: 1. No air gap 2. Pump motor runs, pump is working in wash cycle, plenty of pressure. 3. No solenoids 4. Check valve removed and cleaned...no problems 5. Drain valve open, no restrictions in drain line 6. Inside of dishwasher is clean 7. The clock is stopping the pump and reversing direction at the proper drain time in the cycle The only conclusion that I can come up with is that when the motor reverses to drain the basin the impellor is not pumping any water out of the drain hose...I mean not a drop of water is being pumped. This tells me that the drain pump is defective. Am I missing something? If it is the pump, should I order the pump and impeller only, or should I order the entire pump-motor assembly? Is it difficult to change out the motor and install it on a new pump assembly? How do I remove the pump? I did not see any obvious bolts holding it in place...I assume I also need to order a new seal...Am I missing anything?
Whirlpool dishwasher model #DU8770XB1. Heating element checks good at 45 ohms. Cycling thermostat checks good at infinity (Normally open), Hi-Limit thermostat checks good with or having continuity. What else can i look at that would prevent the dishwasher from drying? The dishwasher does work, turns on, washes the dishes Ok, but NO drying! ugh!
My whirlpool dishwashe, model # DU890SWKT0, is not draining water. Wash cycle seems to be completing fine but the water stays in the tub, which might be causing the a sopy layer on dishes after drying. I checked for clogs in the drain hoses connections and there were none. Any idea what might be the cause and recommend if any parts needs to be replaced? Appreciate your help. Praveen.