Maytag CWE9000BCB Timer Repair

What is the timer/clock part number for the Maytag CWE9000BCB Range?

Timer part number 7601P214-60 for Maytag CWE9000BCB

The CWE9000BCB Range uses timer part number 7601P214-60.

Do you have a failed Maytag CWE9000BCB control panel? Click here:

Request Appliance Timer Service

We can repair or replace your faulty Maytag CWE9000BCB timer.

CWE9000BCB are also sometimes referred to using these Alternative Names/Model numbers

Whirlpool CWE9000BCB Range

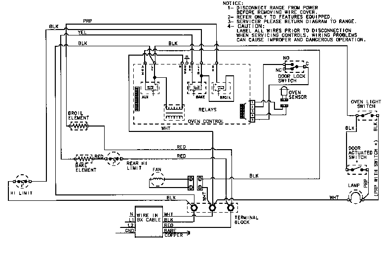
CWE9000BCB Schematic and Wiring Diagrams

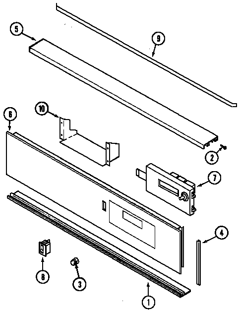
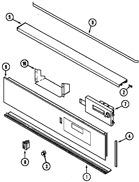
Control panel (cwe9000bcb) (cwe9000bce) (cwe9000bdb) (cwe9000bde) Parts diagram
CWE9000BCB Range Control panel (cwe9000bcb) (cwe9000bce) (cwe9000bdb) (cwe9000bde) Parts diagram
Control panel (cwe9000bcm) (cwe9000bcm) Parts diagram
CWE9000BCB Range Control panel (cwe9000bcm) (cwe9000bcm) Parts diagram
Internal controls (cwe9000bcb) (cwe9000bce) (cwe9000bdb) (cwe9000bde) Parts diagram
CWE9000BCB Range Internal controls (cwe9000bcb) (cwe9000bce) (cwe9000bdb) (cwe9000bde) Parts diagram
Internal controls (cwe9000bcm) (cwe9000bcm) Parts diagram
CWE9000BCB Range Internal controls (cwe9000bcm) (cwe9000bcm) Parts diagram
Body (cwe9000bcb) (cwe9000bce) (cwe9000bdb) (cwe9000bde) Parts diagram
CWE9000BCB Range Body (cwe9000bcb) (cwe9000bce) (cwe9000bdb) (cwe9000bde) Parts diagram
Body (cwe9000bcm) (cwe9000bcm) Parts diagram
CWE9000BCB Range Body (cwe9000bcm) (cwe9000bcm) Parts diagram
Oven (cwe9000bcb) (cwe9000bce) (cwe9000bdb) (cwe9000bde) Parts diagram
CWE9000BCB Range Oven (cwe9000bcb) (cwe9000bce) (cwe9000bdb) (cwe9000bde) Parts diagram
Oven (cwe9000bcm) (cwe9000bcm) Parts diagram
CWE9000BCB Range Oven (cwe9000bcm) (cwe9000bcm) Parts diagram
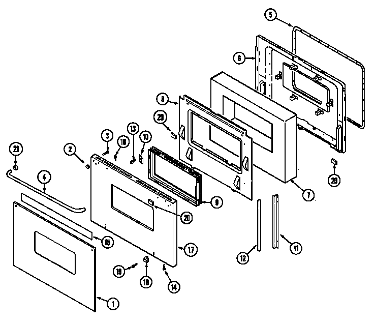
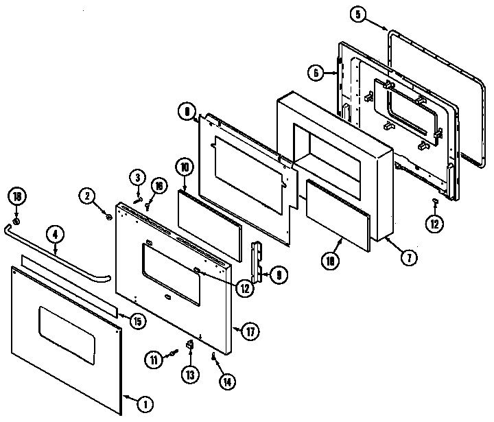
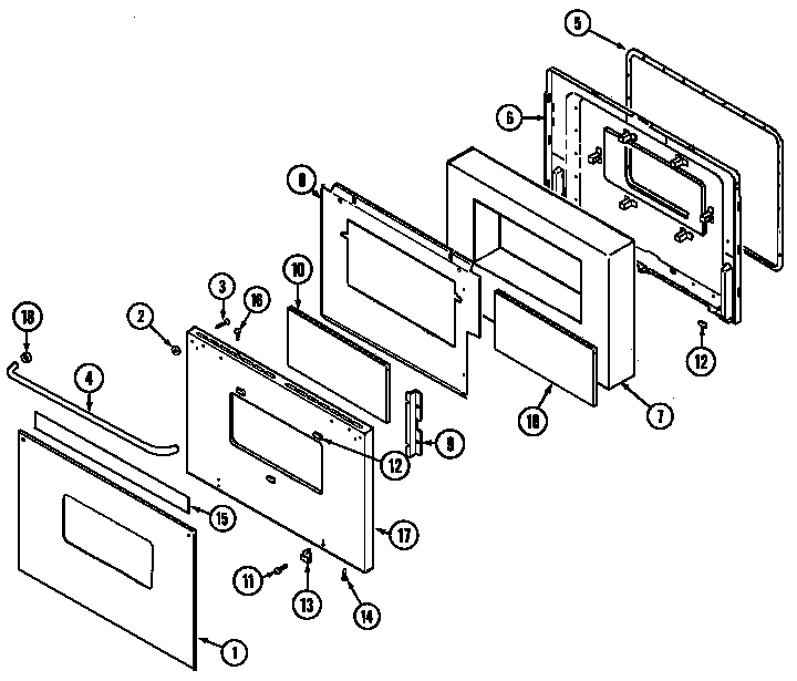
Door (cwe9000bcb) (cwe9000bce) (cwe9000bdb) (cwe9000bde) Parts diagram
CWE9000BCB Range Door (cwe9000bcb) (cwe9000bce) (cwe9000bdb) (cwe9000bde) Parts diagram
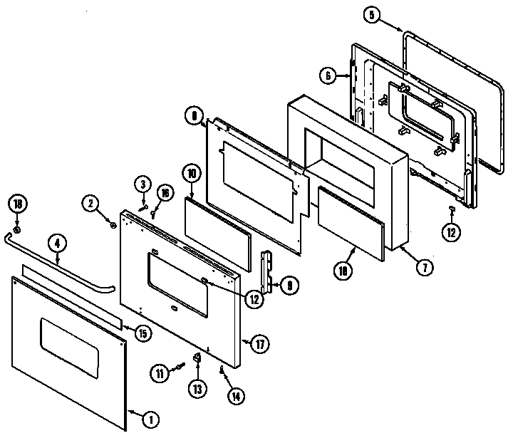
Door (cwe9000bc* ser. pre. 17) (cwe9000bcb) (cwe9000bce) Parts diagram
CWE9000BCB Range Door (cwe9000bc* ser. pre. 17) (cwe9000bcb) (cwe9000bce) Parts diagram
Door (cwe9000bd* ser. pre. 18) (cwe9000bdb) (cwe9000bde) Parts diagram
CWE9000BCB Range Door (cwe9000bd* ser. pre. 18) (cwe9000bdb) (cwe9000bde) Parts diagram
Door (cwe9000bcm) (cwe9000bcm) Parts diagram
CWE9000BCB Range Door (cwe9000bcm) (cwe9000bcm) Parts diagram
Wiring information (cwe9000bcm) Parts diagram
CWE9000BCB Range Wiring information (cwe9000bcm) Parts diagram

Recent Service Requests

CityProblem DescriptionResolution
Niles, OhioTimer keeps beeping hit cancel d starts again in several hrsAwaiting receipt of timer
Niles, OhioTimer keeps beeping hit cancel d starts again in several hrsAwaiting receipt of timer
LAYTONSVILLE, MarylandF-5 CODE, OVEN WON'T WORKRepaired
North Hills, CaliforniaTimer not working at all. Checked power source and all is well. The timer failed.Replaced with reconditioned timer
Carmel, IndianaOven giving F2 code almost every use.Repaired
Raymond, Illinoiscomplete blank, no functionRepaired
Raymond, Illinoiscomplete blank, no functionRepaired
Huntingdon, QuebecThe electronic clock is showing a F3 error code.Awaiting receipt of timer
Lees Summit, MissouriOver half the time the oven never begins to heat and instead displays an error code. I changed the thermostat twice. No change.Awaiting receipt of timer
Cincinnati, OhioOven timer is completely nonfunctional. My repairman checked it. It was getting power, just dead. He removed it from the oven for me.Repaired
Valparaiso, IndianaTwo or three times since 1997 this has flashed the F7 error code (most recently in February). I have been able to put the oven back in service by reseating the connectors to the timer module, and the oven is working at this time. I am selling the house, and think it best to replace the timer so I can tell the buyer I did rather than telling him he might have to.Awaiting receipt of timer
San Antonio, TexasBeep is continuous.Awaiting receipt of timer
Yukon, OklahomaF5 code appears after 30 seconds of using my In-Wall Maytag oven model CWE9000BCB serial 13796648KWRepaired
gillette, WyomingOven would make beep beep sound and not work while flashing F1. I have two of these units and am sending them in together along with two of these forms.Repaired
gillette, WyomingOven would make beep beep sound and not work while flashing F1. I have two of these units and am sending them in together along with two of these forms.Repaired
gillette, WyomingOven would make beep beep sound and not work while flashing F1. I have two of these units and am sending them in together along with two of these forms.Repaired
gillette, WyomingOven would make beep beep sound and not work while flashing F1. I have two of these units and am sending them in together along with two of these forms.Repaired
Santa Cruz, CaliforniaDiscovered oven appeared to have no power. Display was off, over light did not work. House circuit breakers were on, but reset anyway, no change. Removed over and top cover. Checked all connections (all were tight.) Power confirmed to oven wiring block (both sides of 220v.) All wires to component are good (0 ohms.) No visible damage or evidence of arcing. Removed component and contacted your company.Repaired
cypress, TexasDead, will not do anything. Does not show anythingAwaiting receipt of timer
Cincinnati, OhioUnable to operate oven because touch screen display is dark.Replaced with reconditioned timer

Common problems for Maytag CWE9000BCB Timer Repair

Are you encountering a similar problem as them? Contact us now and we will try to help you fix your CWE9000BCB timer-related problem.
i have a maytag wall oven #cwe9000bcb i had to replace the element,because it split now there is no power to the element, the display works and it reades as it goes to bake, but it does no heat, the broiler work ok
maytag oven calibration oven is cooking approximately 30 degrees lower than setting
I have a Maytag electric built in oven, Model cwe9000bcb. F-1 code was displaying on clock. I had a repairman out and he replaced the sensor in the back of the oven. He told me that the circut board needed to be replaced. The part # is 7601P214-60 and is no longer being manufactured. I had the part re-manufactured by CG Industries and put it back in and the code came back, I brought it back they re-repaired and I re-installed and the F-1 code is still coming on. Is it possible the problem is something other than the cicuit board?
Bottom electric heat element in wall over does not work The top heat element works fine. I have replaced the bottom heat element with a new one but it still does not work. Wall oven is Maytag 30" model CWE9000BCB.
My Maytag oven model CWE9000BCB fails to heat to set temperature. Using two seperate oven thermometers, at a setting of 550 for the oven or on HI broil the maximum temp it reaches is 350. No fault codes or errors are displayed on the touch pad.
have a maytag oven model #cwe9000bcb, serial # XXXXX got an error message of F7. what is the problem. pressed cancel and everything appears normal.
whirlpool rf376pxdz1 smooth top oven there is 240 vac to main oven terminal but after pressing control pad ( which displays bake 350 deg f for example ) cannot get any voltage reading at back of unit at bake element terminals top elements work did not check broil element do i need new control pad 2nd question have maytag built in oven CWE9000BCB unit has power but display is blank do i need new control pad