Maytag CWE5500BCE Timer Repair

What is the timer/clock part number for the Maytag CWE5500BCE Range?

Timer part number 7601P181-60 for Maytag CWE5500BCE

The CWE5500BCE Range uses timer part number 7601P181-60.

Do you have a failed Maytag CWE5500BCE control panel? Click here:

Request Appliance Timer Service

We can repair or replace your faulty Maytag CWE5500BCE timer.

CWE5500BCE are also sometimes referred to using these Alternative Names/Model numbers

Whirlpool CWE5500BCE Range

CWE5500BCE Schematic and Wiring Diagrams

Control panel Parts diagram
CWE5500BCE Range Control panel Parts diagram
Body (cwe4700) (cwe4700bcb) (cwe4700bce) Parts diagram
CWE5500BCE Range Body (cwe4700) (cwe4700bcb) (cwe4700bce) Parts diagram
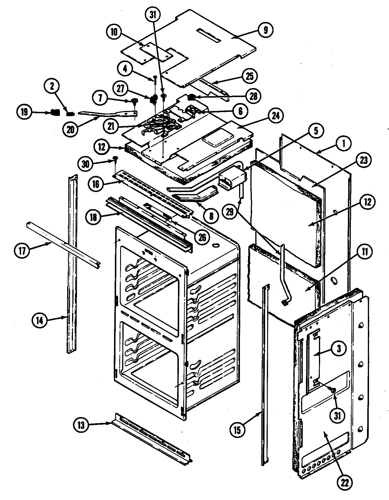
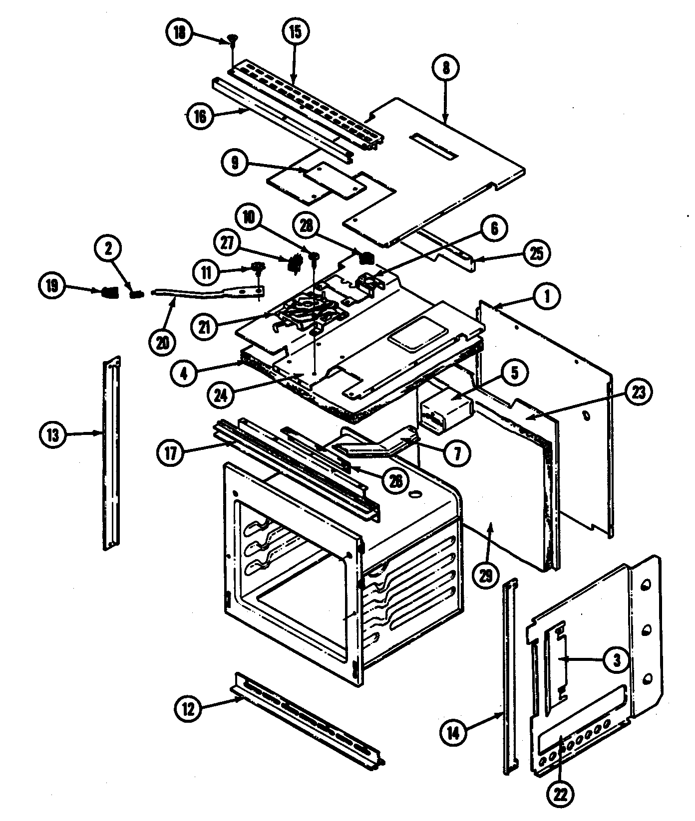
Body (cwe5500) (cwe5500bcb) (cwe5500bce) Parts diagram
CWE5500BCE Range Body (cwe5500) (cwe5500bcb) (cwe5500bce) Parts diagram
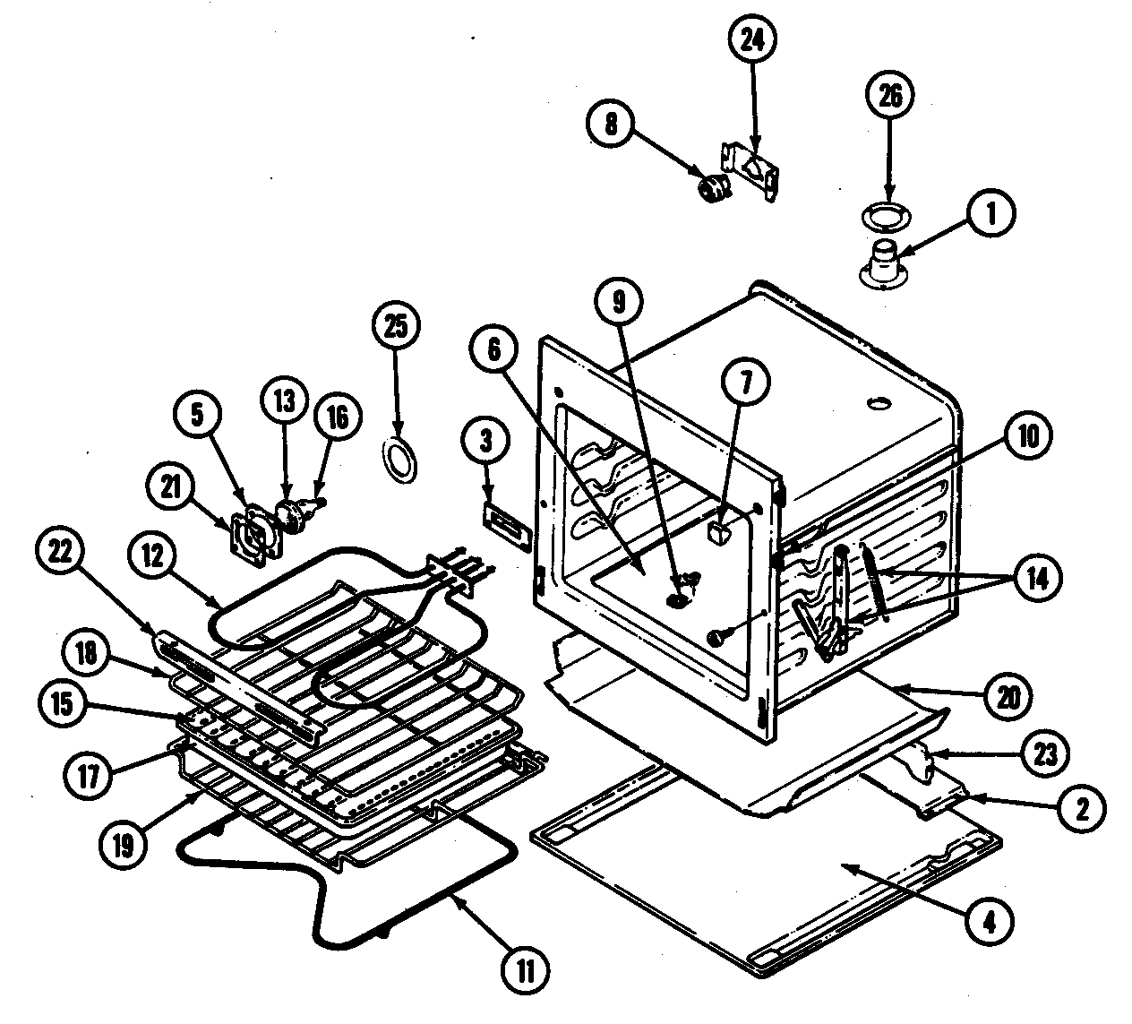
Oven (cwe4700) (cwe4700bcb) (cwe4700bce) Parts diagram
CWE5500BCE Range Oven (cwe4700) (cwe4700bcb) (cwe4700bce) Parts diagram
Oven (cwe5500) (cwe5500bcb) (cwe5500bce) Parts diagram
CWE5500BCE Range Oven (cwe5500) (cwe5500bcb) (cwe5500bce) Parts diagram
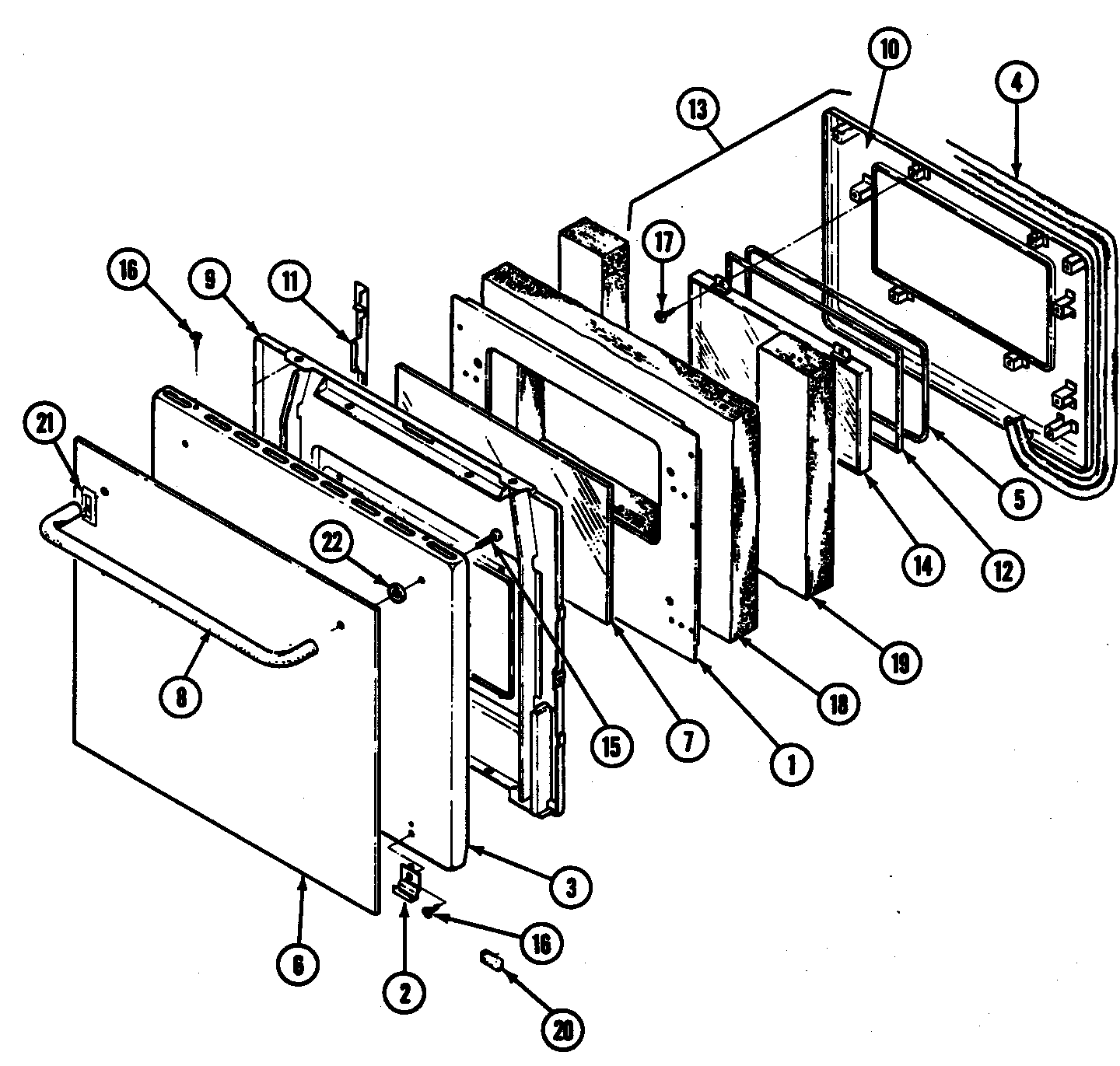
Door Parts diagram
CWE5500BCE Range Door Parts diagram
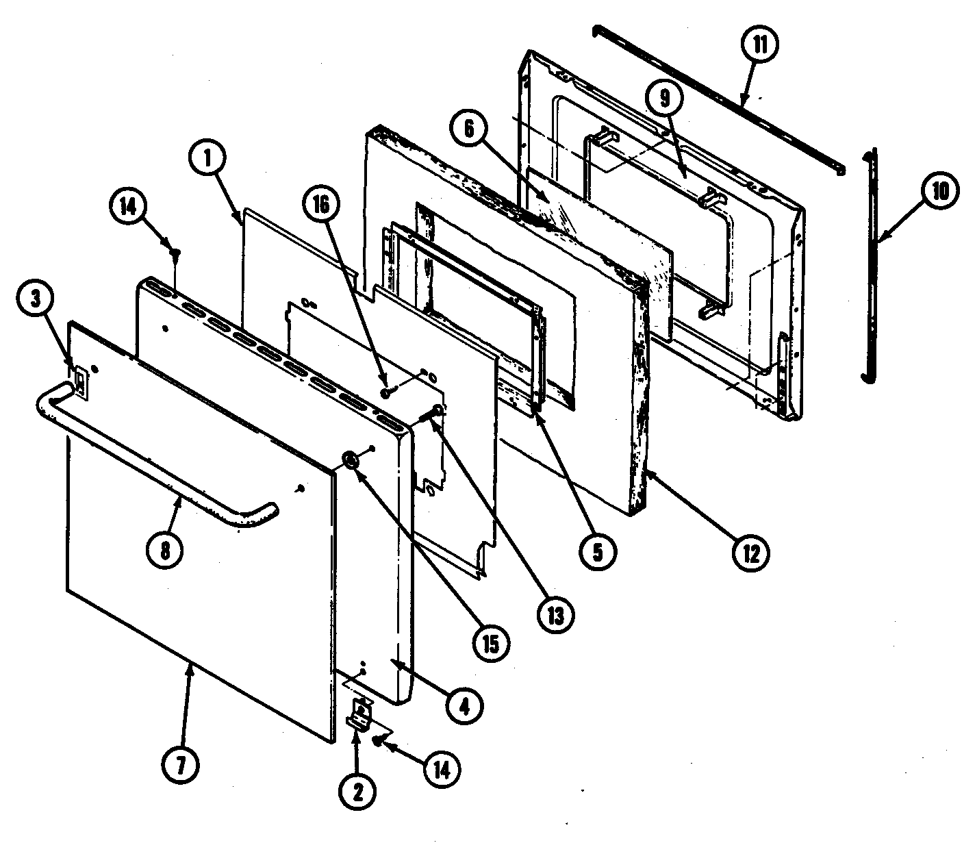
Door (lower) (cwe5500) (cwe5500bcb) (cwe5500bce) Parts diagram
CWE5500BCE Range Door (lower) (cwe5500) (cwe5500bcb) (cwe5500bce) Parts diagram

Recent Service Requests

CityProblem DescriptionResolution
Stillwater, MinnesotaCan no longer set the time or timer settings. Bad Potenchiometer I think, I took it apart and contactors are bad.Repaired
Dallas, TexasOven takes 8-10 tries to light using timer controls, then when turned off, timer beeps
with "F1" displayed until CANCEL is pressed. This may happen 5 or more times before alarm is finally canceled. Unplugging/replugging power usually resets timer for one use, then problem recurs.
Repaired

Common problems for Maytag CWE5500BCE Timer Repair

Are you encountering a similar problem as them? Contact us now and we will try to help you fix your CWE5500BCE timer-related problem.
Washer quit working yesterday in middle of wash cycle. (Never fails they'll be full of water when they quit...) Turned knob to spin, and lo and behold pump kicks on and drum spins. Any ideas?
Eastern Religion Elements Matrix Hinduism, Buddhism, Confucianism Daoism Countries of origin Historical figures and events Central beliefs Nature of God Texts Ritual and practice (sacred elements & their meaning) Ethics and morality For each of these religion I must answer each questioned39484.4827319792