Maytag CRG9700CAE Timer Repair

What is the timer/clock part number for the Maytag CRG9700CAE Range?

Timer part number 12001613 for Maytag CRG9700CAE

The CRG9700CAE Range uses timer part number 12001613.

Do you have a failed Maytag CRG9700CAE control panel? Click here:

Request Appliance Timer Service

We can repair or replace your faulty Maytag CRG9700CAE timer.

CRG9700CAE are also sometimes referred to using these Alternative Names/Model numbers

Whirlpool CRG9700CAE Range

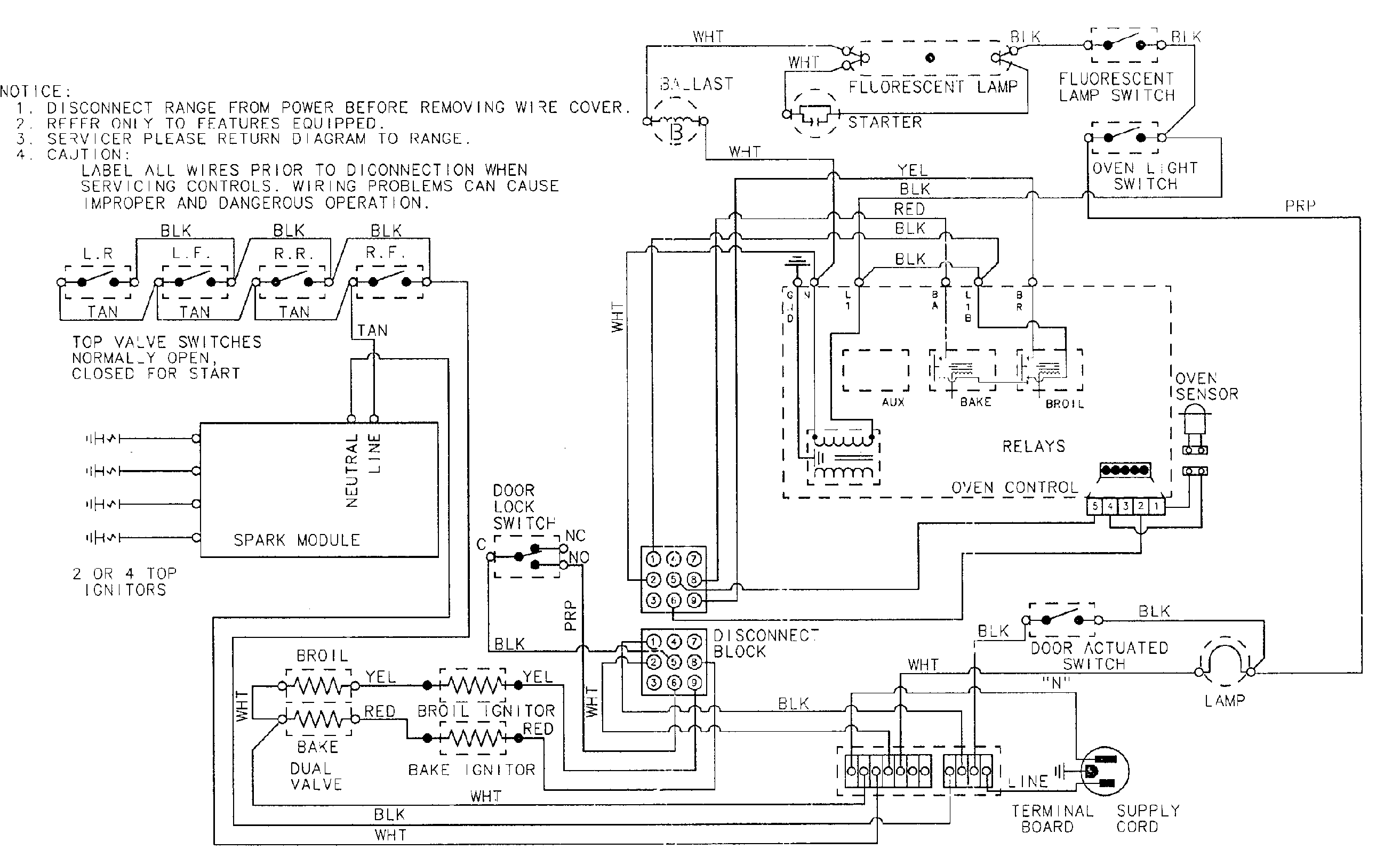
CRG9700CAE Schematic and Wiring Diagrams

Top assembly Parts diagram
CRG9700CAE Range Top assembly Parts diagram
Body Parts diagram
CRG9700CAE Range Body Parts diagram
Oven/base Parts diagram
CRG9700CAE Range Oven/base Parts diagram
Gas controls Parts diagram
CRG9700CAE Range Gas controls Parts diagram
Door/drawer Parts diagram
CRG9700CAE Range Door/drawer Parts diagram
Control panel Parts diagram
CRG9700CAE Range Control panel Parts diagram
Wiring information Parts diagram
CRG9700CAE Range Wiring information Parts diagram

Recent Service Requests

CityProblem DescriptionResolution
Dalkeith, OntarioF5 code showing when trying to start oven. Will not hear the igniter and no propane is released.Awaiting receipt of timer
North Vancouver, British ColumbiaThe electronic display panel was gradually dimming over a long time (1-2 years) but oven was still functioning fine. Then one day, the display went almost completely dark. When I tried to use the oven, I could not quite tell the temperature because it was too dark to read, so I pressed "cancel." It started beeping. I called an appliance repair service and over the phone, they told me to shut off the breaker for 30 minutes to see if that took care of it. So I did that, and the display came back on with better brightness and the stove worked fine again for a couple of weeks. Then, just the other day, the display went black again. This time, shutting off the power/breaker did not solve the problem. The display remains dark. If I press any buttons/cancel, it starts faintly beeping again.Repaired
Green Bay, WisconsinWORKS FINE ONE DAY, THEN DISPLAY GOES BLANK. AUDIBLE STILL WORKS BUT VERY QUIET. UNPLUG IT FOR A DAY, WILL WORK AGAIN, THEN REPEAT FAILURE. UPON DISASSEMBLY / REMOVAL COIL WAS VERY WARM? NOT SURE IF RELEVANT.Awaiting receipt of timer
Concord, New HampshireFailure Code F3. Cannon operate ovenAwaiting receipt of timer
bronx, New Yorktimer goes on then turns off when self cleaning or broil is pressed.Repaired

Common problems for Maytag CRG9700CAE Timer Repair

Are you encountering a similar problem as them? Contact us now and we will try to help you fix your CRG9700CAE timer-related problem.
Need manual or detail instructions on replacing the Control clock of the Maytag CRG9700CAE The parts have been ordered.
My Maytag oven works when it wants to when I heat it up it take forever and then sometimes it will stay heated at the temperature I set it at and sometimes it just quits and wont start heating again after it pre heats. What is wrong with it can it be fixed? Model CRG9700CAE Serial 11103018MW
My maytag gas oven bake option will not work. The broiler works. The bake ignitor does not glow. It has continuity and to make sure i installed it on the broiler and it works. The oven (thermo) sensor has continuity. In the control panel the bake relay clicks the same as the broiler relay. Any other tests or ideas would be great.
oven does not light up i have maytag gas oven model no. crg9700cae. the oven does not light up . but the broil works fine
model CRG9700CAE maytag range. Burner igniters stopped working one by one. Replaced all 4 burners with the built in igniter. Still no clicking sound to ignite as before. Oven works. Burners can be lit manually. Pulled plug after installation as advised by 800 tech line, still no clicking sound. What's next?
need a manual for model # CRG9700CAE
I have a maytag range Model CRG9700CAE The top ignitors do not work.....I have a new ignitor Module- SPK....... I need to know where the old one is located and how to get to it to replace it with the new one
I have a Maytag crg9700cae gas oven and I would like to know what btu the top burners are.
My Right front burner is not working on my Maytag Performa oven, model:MERH752CAS. Is there anything that I can try to look at to see why it isn't working? Thanks
The control panel on my Maytag oven, model crg9700cae, is completely inoperative. I have confirmed that power is getting to the oven. Is there a way to test the control panel before I buy a new one.
I have a Maytag gas oven, model CRG9700CAE serial # XXXXX The hinge or spring is broken and I'd like to replace them. How do I get at them?
Our model CRG9700CAE seems to have lost its spark. We no longer hear the spark pattern and need to use a lighter to get the burners going. Once a burner is fired up, we can get a spark on the right front burner but no others. Also, the oven heats up to desired temp. and then seems to set itself to a lower temp. Are these common problems and what are the repair options?
how do i convert my maytag crg9700cae oven from propane to natural gas?