Maytag CRE9600ACW Timer Repair

What is the timer/clock part number for the Maytag CRE9600ACW Range?

Timer part number 746001224 for Maytag CRE9600ACW

The CRE9600ACW Range uses timer part number 746001224.

Do you have a failed Maytag CRE9600ACW control panel? Click here:

Request Appliance Timer Service

We can repair or replace your faulty Maytag CRE9600ACW timer.

CRE9600ACW are also sometimes referred to using these Alternative Names/Model numbers

Whirlpool CRE9600ACW Range

CRE9600ACW Schematic and Wiring Diagrams

Control panel Parts diagram
CRE9600ACW Range Control panel Parts diagram
Top assembly Parts diagram
CRE9600ACW Range Top assembly Parts diagram
Body Parts diagram
CRE9600ACW Range Body Parts diagram
Oven/base Parts diagram
CRE9600ACW Range Oven/base Parts diagram
Door/drawer Parts diagram
CRE9600ACW Range Door/drawer Parts diagram
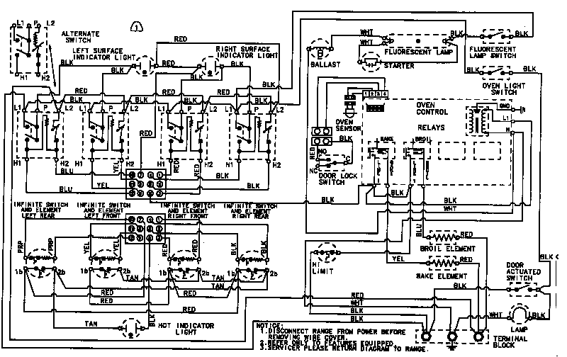
Wiring information Parts diagram
CRE9600ACW Range Wiring information Parts diagram

Recent Service Requests

CityProblem DescriptionResolution
Lake View, New YorkI was wondering if there was a timer available for this stove. Maytag CRE9600 ACW. The Oven sensor has been tested and it is pulling 1084 ohms. I do believe ERC is bad. I'm not sure if I have the correct part number listed aboveAwaiting receipt of timer
Fremont, NebraskaOven and Broil show temp but don't heat up at all. Both heating elements have been tested and are fine.Repaired
Brockton, MassachusettsThe oven will not reach the temperature selected.Repaired
San Antonio, TexasOven temp control does not work. Starts out showing to high a temp and takes an hour to reach temp. I already replaced the temp sensor.Awaiting receipt of timer
Southbury, ConnecticutTimer works intermittently.
Range temperature is not consistent with display, usually much lower temperature inside oven than display indicates (when checked with cooking thermometer)
Beyond Repair
Verona, New YorkOven temperature isn't correct. When first turning on the oven, it reads arouind 170 degrees F.Repaired
Grand Island, New YorkOven temperature is lower than the temperature displayed on the screen. Checked the bake element - 40 ohms. Checked the sensor - 1100 ohms at room temp. Calibrated the display per mfg instructions - no help. Checked high limit thermostat - continuity good.Awaiting receipt of timer

Common problems for Maytag CRE9600ACW Timer Repair

Are you encountering a similar problem as them? Contact us now and we will try to help you fix your CRE9600ACW timer-related problem.
I have a Maytag oven Model CRE9600ACW The oven doesn't heat to correct temperature --- about 175 degrees below what it says it is. Also while I was baking 2 fault codes appeared. The range was purchased about 1995. Is there an easy fix to this problem?
what isthe cause of an error F7 on a Maytag cre9600acw oven
Maytag CRE9600ACW oven with an F1 error Hello, I have a problem with a oven that keeps ''beeping'' and there is an F1 displayed. Do you have any ideas on how to reset it? Also, the oven tempature does not reach tempature. It sounds like a thermal couple. Please let me know. Thanks, Tim
The circuit board in my range shorted out (arcing) I can see fried components on the board. I need to know if fixing this is as easy as pulling out the old board and snapping in a new one. Is there a trick to getting the boards out? How can I check to see what caused the board to short out. Can I check all the pieces that plug into the board, without plugging them into a new board first? What about once the new board is in place? Can I tell by the "fried" parts on the board, what might have caused the problem? I would appreciate any help you can give me. Lots of details would be great.
I am getting an F7 error on my Maytag range model cre9600acw. What exactly does this mean?
Our oven worked fine yesterday. My wife tried to bake today and got a couple of beeps when trying to enter in a temp. and bake time setting. The display shows 100f and then clears and goes back to the control panel. Broiler will not work and just beeps and returns to clock. Self clean function will not work either. The range burners work fine and the clock is showing the correct time. I don't see either of the ignitors glow and no noise from the gas valves. Any ideas?