What is the timer/clock part number for the Frigidaire CPEB30S8CC2 Wall Oven?
The CPEB30S8CC2 Wall Oven uses timer part number 318010701.
Do you have a failed Frigidaire CPEB30S8CC2 control panel? Click here:

We can repair or replace your faulty Frigidaire CPEB30S8CC2 timer.
CPEB30S8CC2 are also sometimes referred to using these Alternative Names/Model numbers
Electrolux CPEB30S8CC2 Wall Oven, CPEB30S9FC3, CPEB30S9DC2, CPEB30S9FC4, CPEB30S9FC2, CPEB30S9FC7, CPEB30S9FC1
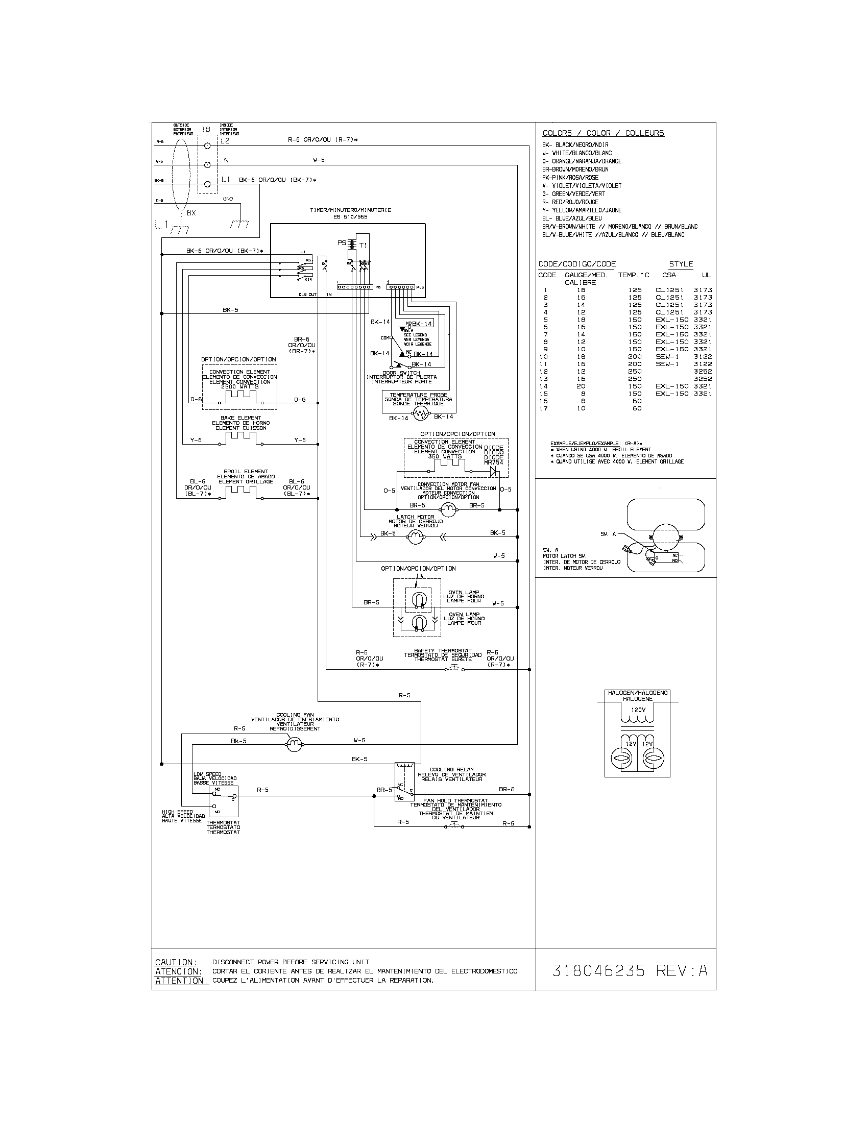
CPEB30S8CC2 Schematic and Wiring Diagrams
| City | Problem Description | Resolution |
|---|
| Winnipeg, Manitoba | The timer screen is not working | Beyond Repair |
| Calgary, Alberta | No work of heating all.
convection fen was work. | Awaiting receipt of timer |
| Calgary, Alberta | No work of heating all.
convection fen was work. | Awaiting receipt of timer |
| Calgary, Alberta | Bake funtion kicks out mid way if oven opened | Awaiting receipt of timer |
| Surrey, British Columbia | Convection bake and bake feature not working on wall oven unit. Broil feature still working. | Repaired |
| Essex, Ontario | My temperature setting buttons do mot work | Awaiting receipt of timer |
| montreal, Quebec | Not working on bake , broil. When an action is selecteted, example BROIL, the demand click and the broil writing is light but after 5 secondes the BROIL writing is off, no heat... | Repaired |
| Montreal, Quebec | No Bake, no broil.
When we order a fonction, for example Bake, a click is heard with the writen action Bake.
Then 5 second later the written action Bake is off and we have no bake, no heat. | Repaired |
| Surrey, British Columbia | Wall oven bake and convection bake cycles do not work (oven only heat up to 100-105 temperatures.
Broil cycle does work.
Technician has ruled out all other possibilities, but the timer. Timer model is no longer being supplied by manufacturer. | Awaiting receipt of timer |
| Calgary, Alberta | The oven will not heat up. Had a local repair tech take a look at it and he said it is the controller/timer. The elements checked out OK. | Repaired |
| High River, Alberta | I replaced the bake element and it still does not heat. Talked to Howard yesterday and he assumes it is the clock/timer/EOC. | Repaired |
| Kelowna, British Columbia | No power to lower element | Repaired |
| Port Hope, Ontario | After problem-free use, oven would not preheat. Bottom element not functioning though top one and convection element were when tested by local technician. He diagnosed a Clock/Timer failure. Advised replacement but no replacement part available. Prefer to repair rather than scrap otherwise perfectly operable oven. | Awaiting receipt of timer |
| Quispamsis, New Brunswick | No display. No response.
Oven light works. | Beyond Repair |
| Port Mouton, Nova Scotia | Bake/Convection not working. Broil Working.
No 240V on BA relay. Changed out relay.
Now getting F3
about 1200 ohms on sensor
figure it's the EOC | Repaired |
| Mount Brydges, Ontario | no working only on broil | Repaired |
| Bright, Ontario | Lower bake element does not heat | Repaired |
| Calgary, Alberta | Broil does not work.
Convection / Bake still work.
Have not tried clean cycle since broil stopped working. | Repaired |
| SAULT Ste. MARIE, Ontario | need new unit | Beyond Repair |
| Ottawa, Ontario | Oven does not heat up, broil or bake or convention. I replaced thermal fuse and replace three relays beside timer display circuit board.
As well oven light does not work when pressed however oven light works when door is opened. | Awaiting receipt of timer |
Common problems for Frigidaire Wall Oven CPEB30S8CC2 Timer Repair
Are you encountering a similar problem as them? Contact us now and we will try to help you fix your CPEB30S8CC2 timer-related problem.