Frigidaire Electric Walloven CGEB27S7CS1 Timer Repair

What is the timer/clock part number for the Frigidaire CGEB27S7CS1 Electric Walloven?

Timer part number 318010701 for Frigidaire CGEB27S7CS1

The CGEB27S7CS1 Electric Walloven uses timer part number 318010701.

Do you have a failed Frigidaire CGEB27S7CS1 control panel? Click here:

Request Appliance Timer Service

We can repair or replace your faulty Frigidaire CGEB27S7CS1 timer.

CGEB27S7CS1 are also sometimes referred to using these Alternative Names/Model numbers

Electrolux CGEB27S7CS1 Electric Walloven, CGEB27S7CB2, CGEB27S7CS2

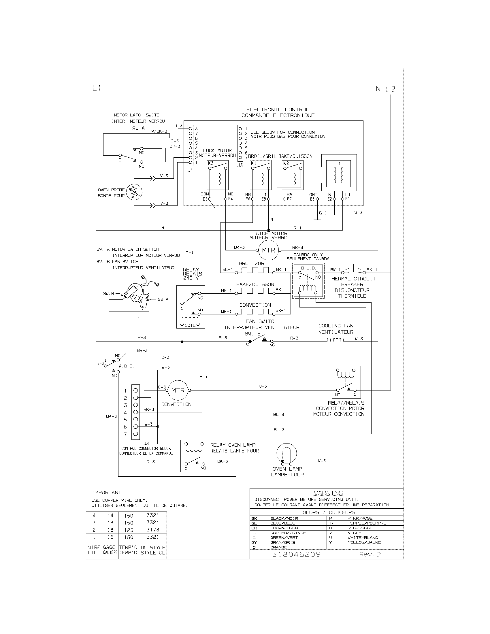
CGEB27S7CS1 Schematic and Wiring Diagrams

Control panel Parts diagram
CGEB27S7CS1 Electric Walloven Control panel Parts diagram
Body Parts diagram
CGEB27S7CS1 Electric Walloven Body Parts diagram
Door Parts diagram
CGEB27S7CS1 Electric Walloven Door Parts diagram
Wiring diagram Parts diagram
CGEB27S7CS1 Electric Walloven Wiring diagram Parts diagram

Recent Service Requests

CityProblem DescriptionResolution
Laval, QuebecThe temperature in BAKE mode is very slow to reach its level. On the other hand, the BROIL mode seems to work well.Awaiting receipt of timer
Saint-Jean-sur-Richelieu, QuebecMemory faillureAwaiting receipt of timer
Laval, Quebec2 techniciens came and found the same problem: the bake relay element (K402) on the relay board is broken. Everything else (clock, timer, broil element, convection element and fan, and bake element,...OK)
They suggested to change the "relay kit": part #318112701, just in case. This part has not been changed yet, because they were not sure it should be.
Repaired
Lake Country, British ColumbiaWhen turning on oven get F1 error code and it shuts down.Awaiting receipt of timer
Vancouver, British ColumbiaIntermittent F3 code and then a F1 code displayed. Oven temperature probe tests out at 1080 ohms. Also, dim display.Repaired
Sainte-Catherine, QC, QuebecI have a Frigidaire wall oven CGEB27S7CS1, color white. No code errors have shown up. Timer part number 318010701. I believe it is the problem to my heating situation. The oven does not heat higher than 160 fahrenheit.

I have followed several steps from the internet to verify pieces. So far everything is pointing towards the timer. The wires appear to be in great condition, all the elements have continuity with the ohm meter. I removed the BA terminal and tested it. I had no reading.
I have full power to my fonctions 110v/240v. I verified all the heating elements, they all have continuity.

Now the question is did I verify everything? The piece is taken out and ready to be shipped.
Repaired
Southside Boularderie, Nova Scotia• no power to lower element and to convection element
• temperature read-out is dim
• RJ4 (resistor?) is loose or broken in C1 position on m/b
Repaired
Glenside, SaskatchewanBake and convection bake quit working. Broil option does work. Does not show any codes. Clock and timer work.Repaired
st-jean sur richelieu, QuebecF1 codeAwaiting receipt of timer
Mira Road, Nova ScotiaWhen bake is selected, the oven heats extremely slow. Broil works. No error codes.
Switched BA and BR wires for relays. Bottom element now works with Broil selected but bake still doesn't work when selected.
Repaired
Cornwall, OntarioSet oven timer then five minutes later display went blank. Checked power, ok. This is a repaired unit completed by your facility in 2014. Hope you can fix it again.Repaired
Cardigan, PEI, Canada, Prince Edward IslandBake Element does not energize, Broil Element does. Temperature is inconsistent with the setting. Power from board to element shows no voltage, element has passed continuity test.Repaired
Whites Lake, Nova ScotiaBake element will not heat. Element has continuity.Awaiting receipt of timer
Caledon East, OntarioOven bottom element will not heat. broiler does workAwaiting receipt of timer
Val Caron, OntarioMy Wall oven will not get up to temperature. The Broil element works. The Bake element does not work at all will not get hot. The element is good I checked the OHMs. It basicly stays at 100 F and doesn't move at all. I read a few reviews and some people had the same problem. If you need any more information please contact me.Repaired
Willow Beach, OntarioNO HEAT, BOTTOM ELEMENT. BROIL OK. LED DISPLAY SEGMENTS ARE DIMMED ON EVERY OTHER LINE HORIZONTALLY.Awaiting receipt of timer
Val Gagné, OntarioBake relay is faulty. Relay is saudered in. Might also be other issues??Repaired
Val Gagné, OntarioBake relay is faulty. Need new control board as relay is saudered in.Repaired
LETHBRIDGE, AlbertaAS PER OUR PHONE CALLReplaced with reconditioned timer
ottawa, Ontarioheat will not last indicates 350 internal not 350Repaired

Common problems for Frigidaire Electric Walloven CGEB27S7CS1 Timer Repair

Are you encountering a similar problem as them? Contact us now and we will try to help you fix your CGEB27S7CS1 timer-related problem.
hello i have anolder model wall oven gallery series the use & care manual does not have the self cleaning instructions i think it was on a single sheet which has been misplaced can you send cleaning instructions many thanks gladys utendale XXXXX@XXXXXX.XXX
I have a Frigidaire wall oven (model CGEB27S7CS1) that is not heating properly. I replaced the bake element, then the oven sensor but still no heat at bake element. Broil element works though. no codes flashing, clock works, wiring looks pristine, so what is the problem?
Hi. I have a Frigidaire cgeb27s7cs1 wall mount oven that is no longer heating up. The elements are fine, but the temperature is not increasing. When I turn on the oven, I hear clicks in the control panel - could this be the thermostat cycling? Thanks, XXXXX