Frigidaire Electric Range CFEF372EB4 Timer Repair

What is the timer/clock part number for the Frigidaire CFEF372EB4 Electric Range?

Timer part number 318185721 for Frigidaire CFEF372EB4

The CFEF372EB4 Electric Range uses timer part number 318185721.

Do you have a failed Frigidaire CFEF372EB4 control panel? Click here:

Request Appliance Timer Service

We can repair or replace your faulty Frigidaire CFEF372EB4 timer.

CFEF372EB4 are also sometimes referred to using these Alternative Names/Model numbers

Electrolux CFEF372EB4 Electric Range

CFEF372EB4 Schematic and Wiring Diagrams

Backguard Parts diagram
CFEF372EB4 Electric Range Backguard Parts diagram
Body Parts diagram
CFEF372EB4 Electric Range Body Parts diagram
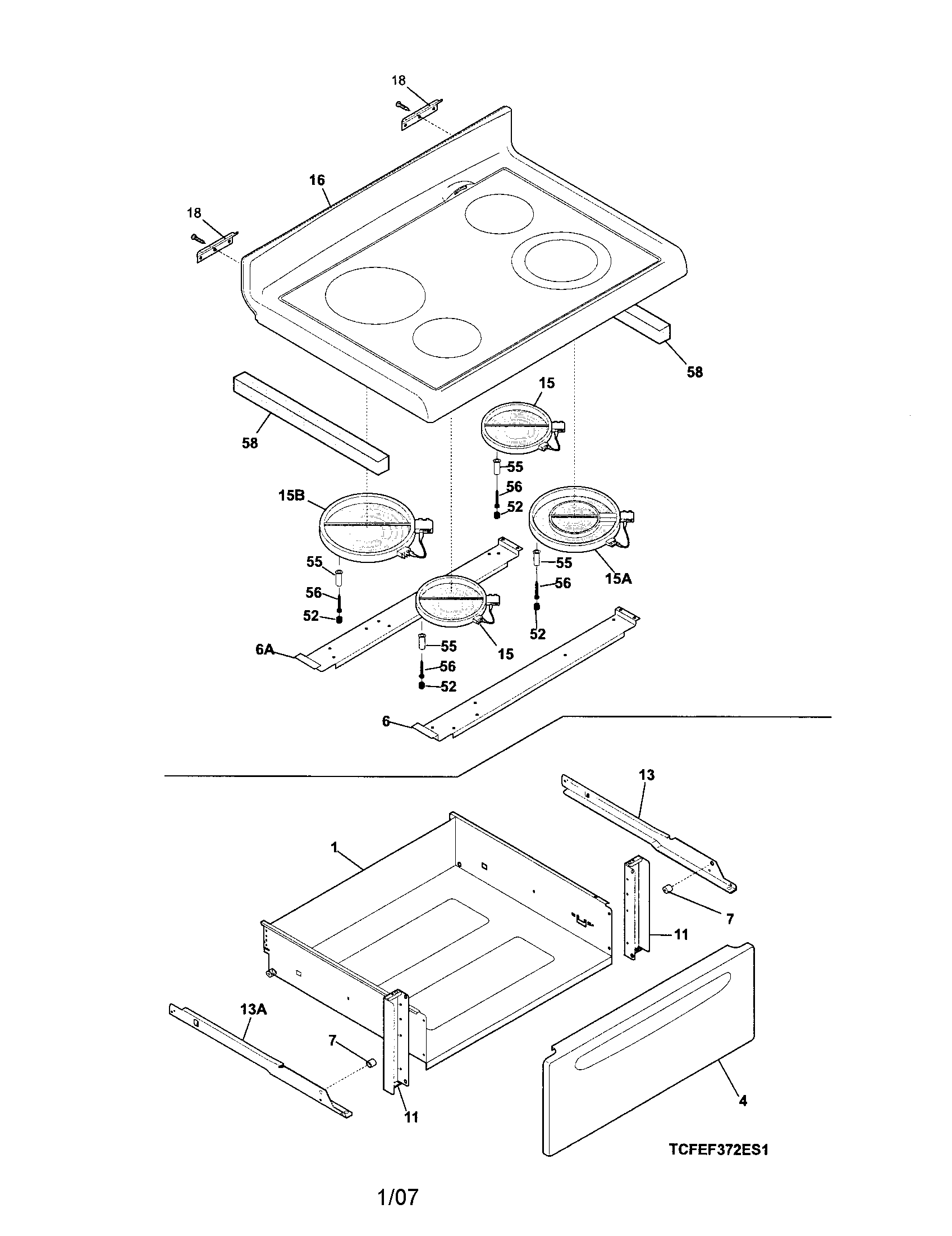
Top/drawer Parts diagram
CFEF372EB4 Electric Range Top/drawer Parts diagram
Door Parts diagram
CFEF372EB4 Electric Range Door Parts diagram
Wiring diagram Parts diagram
CFEF372EB4 Electric Range Wiring diagram Parts diagram

Recent Service Requests

CityProblem DescriptionResolution
Priddis, AlbertaIf control module cannot be repaired send remanufactured equivalent (e-mail indicated you have in stock). No heat on bake element, element shows 18 ohms so not burned out. Temp probe reads 1050 ohms at room temp so appears to be OK. Broil works fine, no fault codes showing.Repaired
calgary, AlbertaKeep beeping with error code F11
Unplug won't fix the issue
Awaiting receipt of timer
Windsor, Ontariooven and broiler stopped functioning.Repaired

Common problems for Frigidaire Electric Range CFEF372EB4 Timer Repair

Are you encountering a similar problem as them? Contact us now and we will try to help you fix your CFEF372EB4 timer-related problem.
My Frigidaire electric oven oven door has locked and won't release. I have tried to clear the door lock by pressing and holding the clear/off button for 3 secs but that has not worked. I also tried unplugging the unit and trying again after plugging back in . But this did not work either. The two error codes I got were F31 and F90. Can you help me unlock the oven and get my oven to work properly again?
my frigidaire range model CFEF372EB/ ceramic top made a loud pop sound and now the oven did not work (bake or broil) light indicator work normal, installed Feb 28?06, it happend on the Christmas Eve, very sad, anyone can help me please, thank you.