Kenmore Elite Dual Fuel Slide-In Range 79046812991 Timer Repair

What is the timer/clock part number for the Kenmore 79046812991 Elite Dual Fuel Slide-In Range?

Timer part number 318019901 for Kenmore 79046812991

The 79046812991 Elite Dual Fuel Slide-In Range uses timer part number 318019901.

Do you have a failed Kenmore 79046812991 control panel? Click here:

Request Appliance Timer Service

We can repair or replace your faulty Kenmore 79046812991 timer.

79046812991 are also sometimes referred to using these Alternative Names/Model numbers

Sears 79046812991 Elite Dual Fuel Slide-In Range

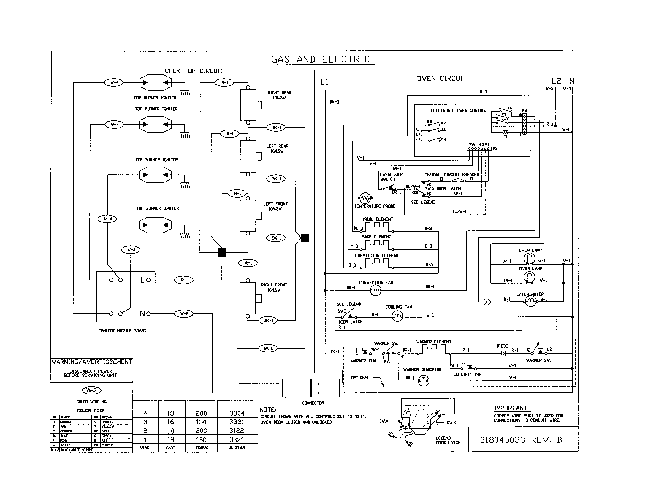
79046812991 Schematic and Wiring Diagrams

Backguard Parts diagram
79046812991 Elite Dual Fuel Slide-In Range Backguard Parts diagram
Burner Parts diagram
79046812991 Elite Dual Fuel Slide-In Range Burner Parts diagram
Body Parts diagram
79046812991 Elite Dual Fuel Slide-In Range Body Parts diagram
Top/drawer Parts diagram
79046812991 Elite Dual Fuel Slide-In Range Top/drawer Parts diagram
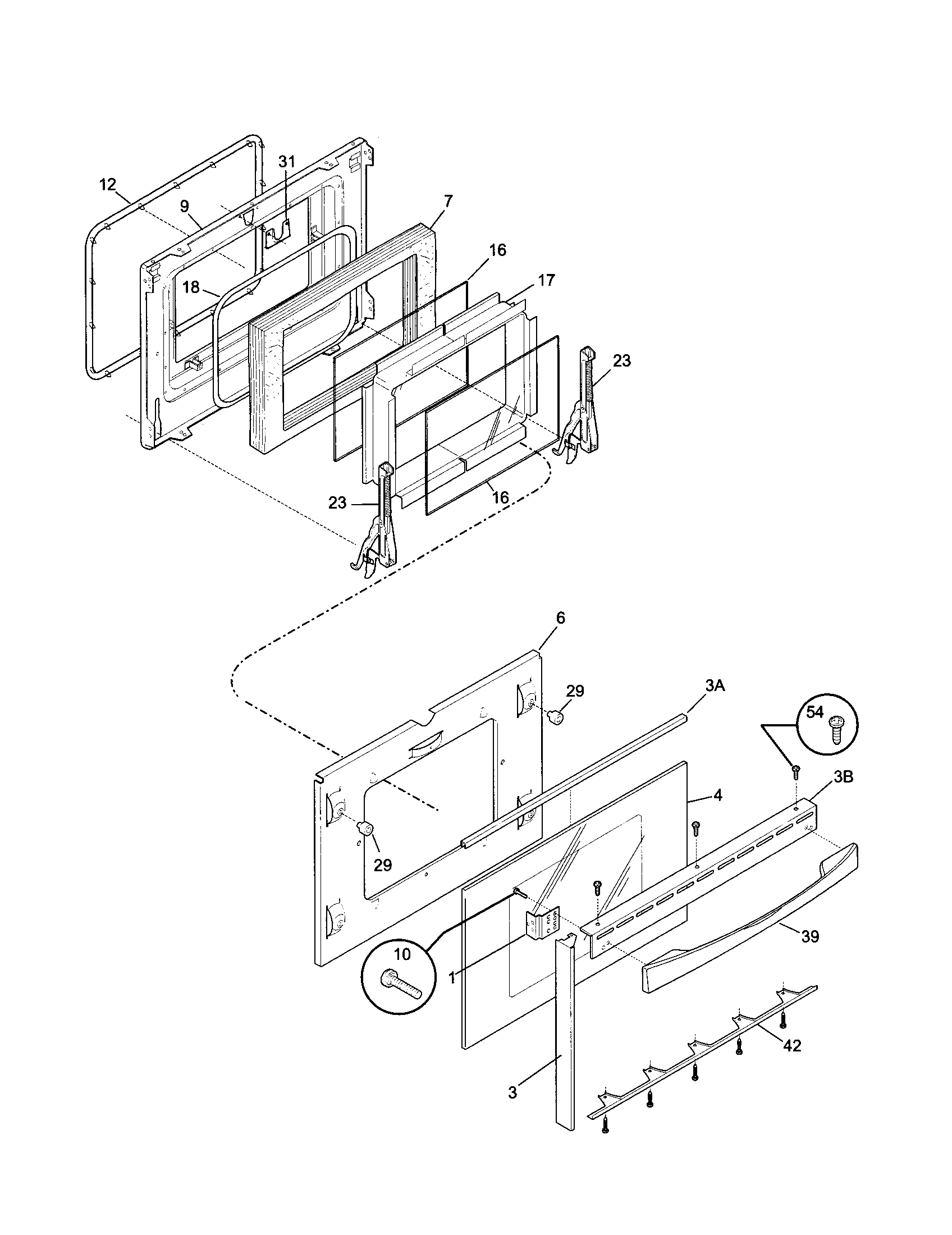
Door Parts diagram
79046812991 Elite Dual Fuel Slide-In Range Door Parts diagram
Wiring Parts diagram
79046812991 Elite Dual Fuel Slide-In Range Wiring Parts diagram

Recent Service Requests

CityProblem DescriptionResolution
woodinville, WashingtonF1 code 1st time was able to reset & run for about 6 weeks. can not reset now.Awaiting receipt of timer
Flagstaff, ArizonaAfter lightening in neighborhood, F-1 code appeared and we lost controls to oven.Beyond Repair