Magic Chef 34JN5TKVW Timer Repair

What is the timer/clock part number for the Magic Chef 34JN5TKVW Range?

Timer part number 7601P181-60 for Magic Chef 34JN5TKVW

The 34JN5TKVW Range uses timer part number 7601P181-60.

Do you have a failed Magic Chef 34JN5TKVW control panel? Click here:

Request Appliance Timer Service

We can repair or replace your faulty Magic Chef 34JN5TKVW timer.

34JN5TKVW are also sometimes referred to using these Alternative Names/Model numbers

Maytag 34JN5TKVW Range, Whirlpool 34JN5TKVW Range

34JN5TKVW Schematic and Wiring Diagrams

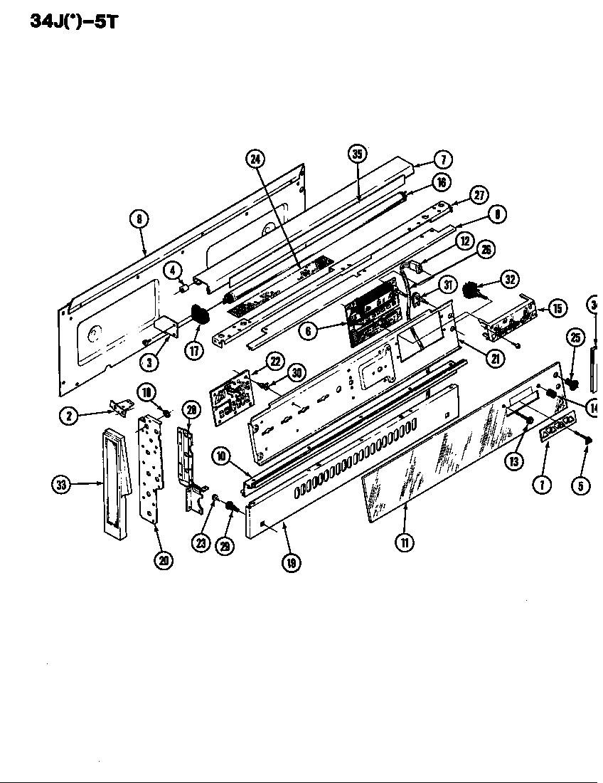
Control panel Parts diagram
34JN5TKVW Range Control panel Parts diagram
Body Parts diagram
34JN5TKVW Range Body Parts diagram
Top assembly/gas controls Parts diagram
34JN5TKVW Range Top assembly/gas controls Parts diagram
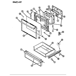
Door Parts diagram
34JN5TKVW Range Door Parts diagram

Common problems for Magic Chef 34JN5TKVW Timer Repair

Are you encountering a similar problem as them? Contact us now and we will try to help you fix your 34JN5TKVW timer-related problem.
I have a Magic Chef Gas Free Standing oven (34JN5TKVW) about 20+ years old. The oven stopped working and this is not a good time for me to make a big purchase for a new one. I was told that I needed a new control panel (7601P155-60) - no longer manufactured. I want to remove it and send it to Applianceclocks.com for reconditioning, but I cannot remove the clock button (AP4105351). I have tried everything and called a few friends over to look at it and cannot figure it out. Please help.